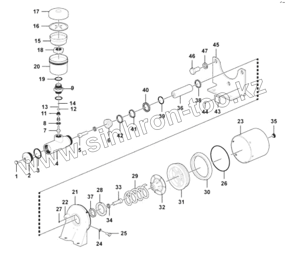
Каталог запасных частей к технике: SDLG LG953N. Pneumatic cylinder (46455)
1
2
3
4
5
6
7
8
9
11
12
13
14
15
16
17
18
19
20
21
22
23
24
25
26
27
28
29
30
31
32
33
34
35
36
37
38
39
40
41
42
43
44
45
46
47
| Позиция на иллюстрации | Заводской номер детали | Название детали | |
|---|---|---|---|
| 1 | 4120001985006 | Plastic plug | |
| 2 | 4120000675503 | Cover | |
| 3 | 4120000675504 | Sealing kit | |
| 4 | 4120000675505 | Cylinder | |
| 5 | 4014000055 | SCREW GB70.1-M12x30EpZn-8.8 | |
| 6 | 4120000675506 | Brake piston | |
| 7 | 4120001985010 | Valve rod | |
| 8 | 4120001985011 | Valve | |
| 9 | 4120001985012 | Joint | |
| 10 | 4120001985013 | Bushing | |
| 11 | 4120001985014 | Spring | |
| 12 | 4120001985015 | Spring seat | |
| 13 | 4015000282 | Gasket gb93-3-65mn | |
| 14 | 4014000581 | Screw | |
| 15 | 4120001985016 | Strainer | |
| 16 | 4120001985017 | Diaphragm | |
| 17 | 4120001985018 | Cover | |
| 18 | 4120001985019 | Nut | |
| 19 | 4120000675504 | Sealing kit | |
| 20 | 4120001985020 | Cup | |
| 21 | 4120000675507 | Attaching frame | |
| 22 | 4120001985027 | Bolt | |
| 23 | 4120000675508 | Cylinder block | |
| 24 | 4015000485 | Washer | |
| 25 | 4011000632 | BOLT GB5783-M8x16-8.8 | |
| 26 | 4120000675504 | Sealing kit | |
| 27 | 4016000377 | Pin | |
| 28 | 4013000428 | Nut | |
| 29 | 4120000675509 | Spring | |
| 30 | 4120000675504 | Sealing kit | |
| 31 | 4120000675510 | Piston | |
| 32 | 4120000675511 | Disc | |
| 33 | 4014000136 | Screw | |
| 34 | 4015000026 | WASHER | |
| 35 | 4120000675512 | Plastic plug | |
| 36 | 4120000675513 | Piston rod | |
| 37 | 4120000675504 | Sealing kit | |
| 38 | 4120000675514 | Retaining ring | |
| 39 | 4120000675504 | Sealing kit | |
| 40 | 4120000675515 | Back-up ring | |
| 41 | 4120000675504 | Sealing kit | |
| 42 | 4120000675516 | Guide ring | |
| 43 | 4120000675517 | Name plate | |
| 44 | 4019000001 | RIVET | |
| 45 | 4120000675518 | Bracket | |
| 46 | 4011001196 | Screw | |
| 47 | 4015000027 | WASHER |
Содержащиеся в справочниках-каталогах запасные части и детали не предлагаются к продаже, а носят исключительно информационный характер