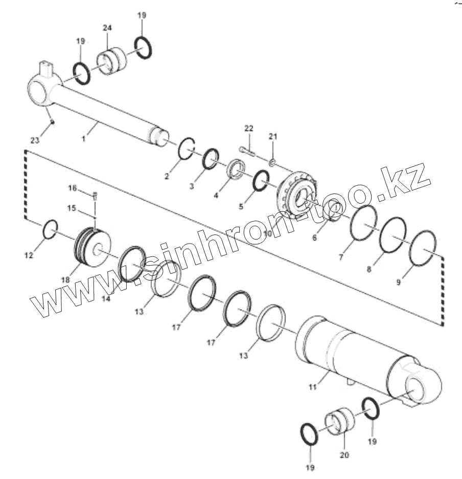
Каталог запасных частей к технике: SDLG LG953N. Bucket cylinder (3713CH)
1
2
3
4
5
6
7
8
9
10
11
12
13
13
14
15
16
17
17
18
19
19
19
19
20
21
22
23
24
| Позиция на иллюстрации | Заводской номер детали | Название детали | |
|---|---|---|---|
| 1 | 4120003097102 | Piston rod | |
| 2 | 4120003097101 | Sealing ring kit | |
| 3 | 4120003097101 | Sealing ring kit | |
| 4 | 4120003097101 | Sealing ring kit | |
| 5 | 4120003097101 | Sealing ring kit | |
| 6 | 4120003097101 | Sealing ring kit | |
| 7 | 4120003097101 | Sealing ring kit | |
| 8 | 4120003097101 | Sealing ring kit | |
| 9 | 4120003097101 | Sealing ring kit | |
| 10 | 4120003097103 | Piston rod head | |
| 11 | 4120003097104 | Cylinder tube | |
| 12 | 4120003097101 | Sealing ring kit | |
| 13 | 4120003097101 | Sealing ring kit | |
| 14 | 4120003097101 | Sealing ring kit | |
| 15 | 4090000126 | STEEL BALL GB308-5-GCr15 | |
| 16 | 4014000171 | SCREW GB70.1-M8x25-8.8 | |
| 17 | 4120003097101 | Sealing ring kit | |
| 18 | 4120003097105 | Piston | |
| 19 | 4120003097101 | Sealing ring kit | |
| 20 | 4120003097106 | Bushing | |
| 21 | 4015000098 | WASHER GB93-16-65Mn | |
| 22 | 4014000092 | Screw | |
| 23 | 4030000065 | GREASE NIPPLE | |
| 24 | 4120003097107 | Bushing |
Содержащиеся в справочниках-каталогах запасные части и детали не предлагаются к продаже, а носят исключительно информационный характер