Каталог запасных частей к технике: SDLG LG953. IMPLEMENT HYDRAULIC SYSTEM
1
2
3
4
4
5
6
7
8
9
10
11
12
13
14
15
16
16
17
18
19
20
21
22
23
24
24
25
25
26
27
28
29
30
31
32
33
34
35
36
37
38
39
40
41
42
43
44
45
46
47
48
49
50
51
52
53
54
55
56
56
56
56
56
56
56
57
57
58
59
60
61
62
62
62
62
62
62
62
62
63
64
65
66
67
67
67
67
67
68
69
70
71
72
73
74
75
76
77
78
79
79
79
80
81
82
83
84
85
86
87
88
88
88
89
89
89
90
90
90
90
91
92
93
94
95
96
97
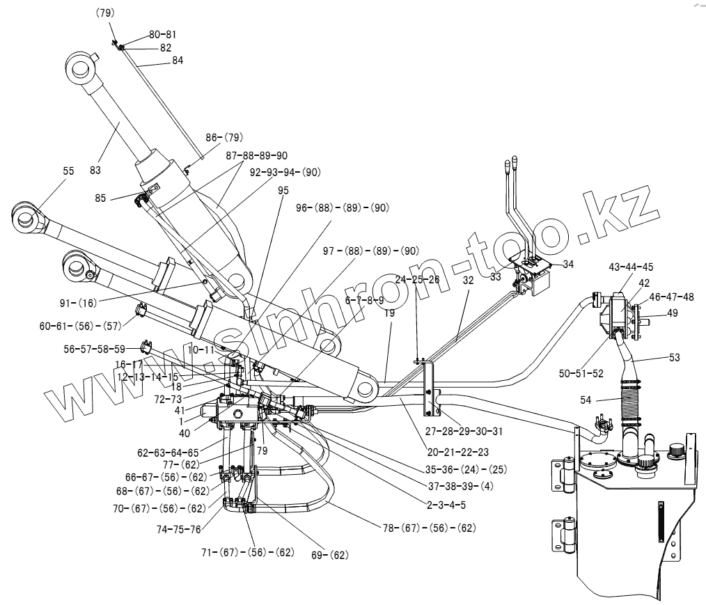
| Позиция на иллюстрации | Заводской номер детали | Название детали | |
|---|---|---|---|
| 1 | 4120000703 | MULTIPLE UNIT VALVE | |
| 2 | 2912000914 | MOUNTED PLATE OF MULTIPLE UNIT VALVE | |
| 3 | 4011000477 | BOLT | |
| 4 | 4015000168 | WASHER | |
| 5 | 4013000011 | NUT | |
| 6 | 4011000055 | BOLT | |
| 7 | 4011000058 | BOLT | |
| 8 | 4011000476 | BOLT | |
| 9 | 2912000916 | RENTURN TUBE OF MULTIPLE UNIT VALVE | |
| 10 | 401100032 | BOLT | |
| 11 | 2912001055 | WELDING SHELF | |
| 12 | 2912001042 | INPUT TUBE OF MULTIPLE UNIT VALVE | |
| 13 | 4011000473 | BOLT | |
| 14 | 4041000056 | FLANGE | |
| 15 | 4030000029 | O-RING | |
| 16 | PLUGSCREW | PLUG SCREW | |
| 17 | 4030000238 | O-RING | |
| 18 | 4011000605 | U-BOLT | |
| 19 | 4041000619 | PIPE | |
| 20 | 4041000011 | FLANGE | |
| 21 | 4041000553 | PIPE | |
| 22 | 4030000130 | O-RING | |
| 23 | 4011000479 | BOLT | |
| 24 | 4011000455 | BOLT | |
| 25 | 401500007 | WASHER | |
| 26 | 2912000912 | SHELF | |
| 27 | 4011000053 | BOLT | |
| 28 | 4013000007 | NUT | |
| 29 | 4015000162 | Washer | |
| 30 | 2912000909 | PRESS PLATE | |
| 31 | 291200091 | RUBBER PLATE | |
| 32 | 2912000140 | CONTROL AXIS | |
| 33 | 4120001019 | OPERATING GEAR | |
| 34 | 401100047 | BOLT | |
| 35 | 2912000911 | COVER SHEET | |
| 36 | 4013000033 | NUT | |
| 37 | 2912000007 | PIN ROLL | |
| 38 | 401600003 | SPLINT PIN | |
| 39 | 2912000008 | JOINT HEAD | |
| 40 | 4030000031 | O-RING | |
| 41 | 4015000234 | WASHER | |
| 42 | 4120000684 | GEAR PUMP | |
| 43 | 401100047 | BOLT | |
| 44 | 2911000102 | TUBE | |
| 45 | 4030000029 | O-RING | |
| 46 | 4012000003 | DOUBLE-SCREW BOLT | |
| 47 | 4013000011 | NUT | |
| 48 | 4015000168 | WASHER | |
| 49 | 2911000004 | SEALING PLATE OF PUMP | |
| 50 | 4030000133 | O-RING | |
| 51 | 4041000009 | FLANGE | |
| 52 | 4011000320 | BOLT | |
| 53 | 291100010 | INPUT TUBE OF WORK PUMP | |
| 54 | 2911000111 | PIPE | |
| 55 | 4120000558 | LIFTING CYLINDER | |
| 56 | 4030000026 | O-RING | |
| 57 | 4011000473 | BOLT | |
| 58 | 2913000102 | SMALL CHAMBER TUBE OF LEFT LI FT CYLINDER | |
| 59 | 2913000117 | BIG CHAMBER TUBE OF LEFT LIFT CYLINDER | |
| 60 | 2913000103 | SMALL CHAMBER TUBE OF RIGHT LIFT CYLINDER | |
| 61 | 2913000118 | BIG CHAMBER TUBE OF RIGHT LIFT CYLINDER | |
| 62 | 4011000475 | BOLT | |
| 63 | 4041000056 | FLANGE | |
| 64 | 4030000029 | O-RING | |
| 65 | 2913000815 | TUBE | |
| 66 | 2913000818 | BIG CHAMBER RIGHE TUBE OF LIFTING | |
| 67 | 4041000043 | FLANGE | |
| 68 | 2913000820 | SMALL CHAMBER RIGHE TUBE OF LIFTING | |
| 69 | 2913000901 | LEFT SHELF | |
| 70 | 2913000822 | BIG CHAMBER LEFT TUBE OF LIFTING | |
| 71 | 2913000824 | SMALL CHAMBER LEFT TUBE OF LIFTING | |
| 72 | 2913000011 | CAMPLE | |
| 73 | 4011000458 | BOLT | |
| 74 | 4011000556 | U-BOLT | |
| 75 | 4013000007 | NUT | |
| 76 | 4015000162 | Washer | |
| 77 | 2913000814 | RIGHT SHELF | |
| 78 | 2913000121 | OIL PIPE OF LIFTING CYLINDER | |
| 79 | 4011000447 | BOLT | |
| 80 | 4015000162 | Washer | |
| 81 | 4013000007 | NUT | |
| 82 | 2914000002 | CLAMPING PLATE | |
| 83 | 4120000559 | TILT CYLINDER | |
| 84 | 2914000003 | INDICATING ROD OF BUCKET | |
| 85 | 4011000488 | BOLT | |
| 86 | 2914000004 | CONDUIT OF INDICATING ROD | |
| 87 | 4041000177 | PIPE | |
| 88 | 4041000056 | FLANGE | |
| 89 | 4011000475 | BOLT | |
| 90 | 4030000029 | O-RING | |
| 91 | 4030000238 | O-RING | |
| 92 | 4011000309 | BOLT | |
| 93 | 4011000473 | BOLT | |
| 94 | 2914000102 | BIG CHAMBER TUBE OF TILT CYLINDER | |
| 95 | 2914000112 | CLAMPLE | |
| 96 | 2914000109 | BIG CHAMBER TUBE OF TILT CYLINDER | |
| 97 | 2914000111 | SMALL CHAMBER TUBE OF TILT CYLINDER |
Содержащиеся в справочниках-каталогах запасные части и детали не предлагаются к продаже, а носят исключительно информационный характер