Каталог запасных частей к технике: SDLG LG952H. DIESEL ENGINE ASSY
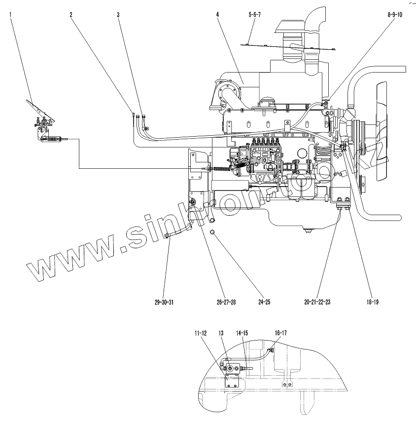
1
2
3
4
5
6
7
8
9
10
11
12
13
14
15
16
17
18
19
20
21
22
23
24
25
26
27
29
30
31
32
| Позиция на иллюстрации | Заводской номер детали | Название детали | |
|---|---|---|---|
| 1 | 29010013691 | GOVERNOR CONTROL SYSTEM | |
| 2 | 29010013651 | PARKING BRAKE SYSTEM | |
| 3 | 29030000041 | CLAMP | |
| 4 | 4110000768 | DISEL ENGINE ASSEMBLY WD10G220E13 | |
| 5 | 29010016641 | UPPER COVER PLATE | |
| 6 | 4015000197 | WASHER | |
| 7 | 4011000082 | BOLT | |
| 8 | 4120000067 | VALVE-HEATER | |
| 9 | 4017000024 | CLAMP | |
| 10 | 4030000196 | HOSE JB8406-B16x2150 | |
| 11 | 4011000461 | BOLT | |
| 12 | 29010001031 | BRACKET OF AIR DYER | |
| 13 | 4120000084 | AIR DYER | |
| 14 | 4120002039 | METAL TUBE LG09-JSRG-800 | |
| 15 | 29220000171 | WASHER | |
| 16 | 4041001194 | PIPE LGB145-205096 | |
| 17 | 29220001201 | JOINT | |
| 18 | 3010900052 | RUBBER SPACER | |
| 19 | 3010900053 | FILLTER | |
| 20 | 4011000178 | BOLT GB5785-M14x1.5x75EpZn-8.8 | |
| 21 | 4013000073 | NUT | |
| 22 | 4015000177 | WASHER | |
| 23 | 4015000027 | WASHER | |
| 24 | 4011000094 | BOLT | |
| 25 | 29100011031 | WASHER | |
| 26 | 29010016661 | DOUBLE-SCREW BOLT | |
| 27 | 4013000007 | NUT | |
| 29 | 4017000011 | Clamp | |
| 30 | 4030000495 | HOSE JB8406-B16x265 | |
| 31 | 29010000121 | CONNECTOR | |
| 32 | 4015000025 | Washer |
Содержащиеся в справочниках-каталогах запасные части и детали не предлагаются к продаже, а носят исключительно информационный характер