Каталог запасных частей к технике: SDLG LG952. TRANSMISSION SYSTEM (I)
1
2
2
2
3
4
5
5
6
6
7
8
9
10
10
11
12
13
13
14
14
15
15
16
16
17
18
19
19
20
21
21
22
22
23
23
24
24
25
25
26
26
27
27
28
29
30
31
32
33
34
34
35
36
37
38
39
40
41
42
43
43
44
45
46
47
48
48
49
50
51
52
53
54
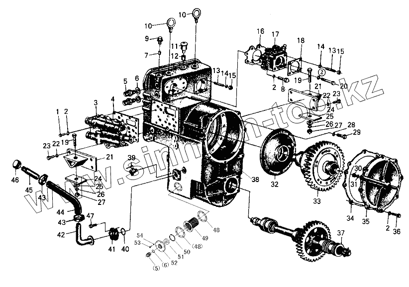
| Позиция на иллюстрации | Заводской номер детали | Название детали | |
|---|---|---|---|
| 1 | 4011000174 | BOLT | |
| 2 | 4015000025 | Washer | |
| 3 | 4120000064 | SHIFT CONTROL VALVE | |
| 4 | 2905001138 | SEALING SPACER | |
| 5 | 4120000125 | JOINT BODY | |
| 6 | 4030000013 | O-RING | |
| 7 | 3030900098 | BOLT | |
| 8 | 4011000048 | BOLT | |
| 9 | 3030900097 | PULG | |
| 10 | 4014000030 | SCREW | |
| 11 | 2905000005 | BREATHER PIPE ASSY | |
| 12 | 2905000006 | VENT DUCT | |
| 13 | 4012000003 | DOUBLE-SCREW BOLT | |
| 14 | 4015000026 | WASHER | |
| 15 | 4013000020 | NUT | |
| 16 | 2905001136 | SEALING SPACER | |
| 16 | 2905001137 | SEALING SPACER | |
| 17 | 4110000248 | TRANSMISSION PUMP ASS’Y | |
| 18 | 3060900064 | SEALING SPACER | |
| 19 | 4011000236 | BOLT | |
| 20 | 4011000052 | BOLT | |
| 21 | 2905001192 | CONNECTING SEAT | |
| 22 | 4015000029 | WASHER | |
| 23 | 4011000097 | BOLT | |
| 24 | 2905001195 | SHOCK M0WNT | |
| 25 | 2905001196 | WASHER | |
| 26 | 4015000030 | WASHER | |
| 27 | 4013000020 | NUT | |
| 28 | 4015000027 | WASHER | |
| 29 | 3030900089 | BOLT | |
| 30 | 3030900102 | PLUG SCREW | |
| 31 | 4030000011 | O-RING | |
| 32 | 3030900090 | COVER | |
| 33 | 2030900019 | 4TH SHAFT ASSY | |
| 34 | 2905001132 | SEALING SHIM | |
| 34 | 2905001133 | SEALING SHIM | |
| 35 | 3030900091 | END COVER | |
| 36 | 4011000017 | BOLT | |
| 37 | 2030900021 | 5TH SHAFT ASSY | |
| 38 | 3030900088 | TANK | |
| 39 | 4190000010 | PLUG FOR CHECK UP | |
| 40 | 4030000029 | O-RING | |
| 41 | 4041000056 | FLANGE | |
| 42 | 2905001198 | ELBOW PIPE | |
| 43 | 4017000007 | CLAMP | |
| 44 | 4120000101 | HOSE JB8406-B38x170 | |
| 45 | 2905001199 | ELBOW PIPE | |
| 46 | 2905000026 | COVER | |
| 47 | 4011000475 | BOLT | |
| 48 | 3030900232 | SHIM | |
| 49 | 2030900065 | OIL-FILTER ASSEMBLY | |
| 50 | 4015000013 | RETAINER RING | |
| 51 | 4190000007 | RING MAGNET | |
| 52 | 3030900230 | PRESS COVER | |
| 53 | 4011000106 | BOLT | |
| 54 | 4015000036 | WASHER |
Содержащиеся в справочниках-каталогах запасные части и детали не предлагаются к продаже, а носят исключительно информационный характер