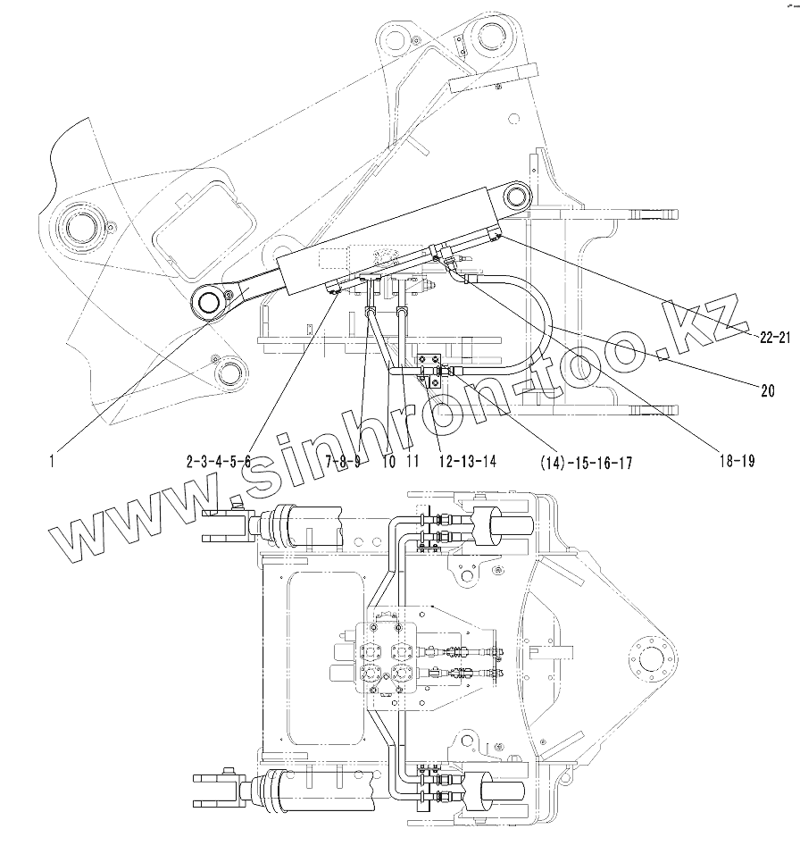
Каталог запасных частей к технике: SDLG LG946L. LIFTING CYLINDER ASSEMBLY
1
2
3
4
5
6
7
8
9
10
11
12
13
14
14
15
16
17
18
19
20
21
22
| Позиция на иллюстрации | Заводской номер детали | Название детали | |
|---|---|---|---|
| 1 | 4120002522 | BOOM CYLlNDER HSGF-140x80x779-1234 | |
| 2 | 4030000279 | O-RING | |
| 3 | 4011000309 | BOLT | |
| 4 | 4011000164 | BOLT | |
| 5 | 29130012761 | STEEL PlPE | |
| 6 | 29130012741 | STEEL PlPE | |
| 7 | 4030000029 | O-RING | |
| 8 | 4041000056 | FLANGE | |
| 9 | 4011000475 | BOLT | |
| 10 | 29130012661 | STEEL TUBE | |
| 11 | 29130012731 | STEEL TUBE | |
| 12 | 4041001415 | U-bolt | |
| 13 | 4013000007 | NUT | |
| 14 | 4015000162 | Washer | |
| 15 | 29130004091 | STEADY REST A | |
| 16 | 29130004111 | STEADY REST B | |
| 17 | 4011000080 | BOLT | |
| 18 | 4011000458 | BOLT | |
| 19 | 29130004081 | CLAMP | |
| 20 | 29130004101 | HOSE | |
| 21 | 29130012861 | STEEL PlPE | |
| 22 | 29130012871 | STEEL PlPE |
Содержащиеся в справочниках-каталогах запасные части и детали не предлагаются к продаже, а носят исключительно информационный характер