Каталог запасных частей к технике: SDLG LG944MSK. Tilt cylinder assembly
1
1
2
2
3
4
5
6
7
8
9
10
11
11
12
13
13
14
14
14
15
16
17
18
18
18
18
18
19
20
21
22
23
24
24
25
26
26
27
27
27
27
28
28
28
28
28
28
29
30
31
32
32
33
33
34
35
36
37
38
38
39
39
40
40
41
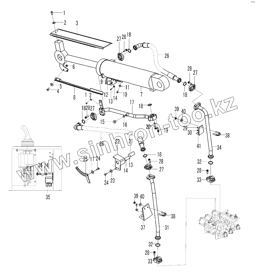
| Позиция на иллюстрации | Заводской номер детали | Название детали | |
|---|---|---|---|
| 1 | 4011000081 | BOLT | |
| 2 | 4015000197 | WASHER | |
| 3 | 29140009881 | INDICATING ROD OF BUCKET | |
| 4 | 4011000191 | Bolt | |
| 5 | 4015000177 | WASHER | |
| 6 | 4013000013 | NUT | |
| 7 | 4120001083 | TILT CYLINDER | |
| 8 | 29140011711 | Indicator plate | |
| 9 | 29370015701 | Bracket | |
| 10 | 4011000089 | BOLT | |
| 11 | 4015000186 | WASHER | |
| 12 | 4130000882 | Position switch | |
| 13 | 4014000042 | Screw | |
| 14 | 4015000110 | WASHER | |
| 15 | 4041000774 | PLUG | |
| 16 | 4041000767 | O-RING | |
| 17 | 29140008441 | BIG CHAMBER TUBE OF TILT CYLINDER | |
| 18 | 4030000026 | O-RING | |
| 19 | 4011000309 | BOLT | |
| 20 | 4011000473 | BOLT | |
| 21 | 4130000883 | Position switch | |
| 22 | 29370015681 | Bracket | |
| 23 | 4015000168 | WASHER | |
| 24 | 4011000087 | BOLT | |
| 25 | 29140007551 | INDICATIONG PLATE OF LIFTING CYLINDER | |
| 26 | 4041000703 | PIPE | |
| 27 | 4041000043 | FLANGE | |
| 28 | 4011000475 | BOLT | |
| 29 | 4011000105 | BOLT | |
| 30 | 4015000256 | WASHER | |
| 31 | 29140008411 | OIL TUBE OF BIG CHAMBEROF TILT CYLINDER | |
| 32 | 4030000029 | O-RING | |
| 33 | 4041000027 | FLANGE | |
| 34 | 29140008401 | OIL TUBE OF SMALL CHAMBEROF TILT CYLINDER | |
| 35 | 4130000869 | Relay | |
| 36 | 4014000048 | SCREW | |
| 37 | 29140004061 | STEADY REST A | |
| 38 | 4041000958 | U-BOLT | |
| 39 | 4013000007 | NUT | |
| 40 | 4015000162 | Washer | |
| 41 | 29140004071 | STEADY REST B |
Содержащиеся в справочниках-каталогах запасные части и детали не предлагаются к продаже, а носят исключительно информационный характер