Каталог запасных частей к технике: SDLG LG938. DIESEL ENGINE ASSEMBLY
1
2
3
3
4
5
5
5
6
6
7
8
9
10
11
12
13
14
15
16
17
17
17
18
19
20
21
21
22
23
23
23
24
25
26
27
28
29
30
31
32
33
34
35
36
37
38
39
40
41
42
43
44
45
46
47
48
49
50
51
52
53
54
55
56
57
58
59
60
61
62
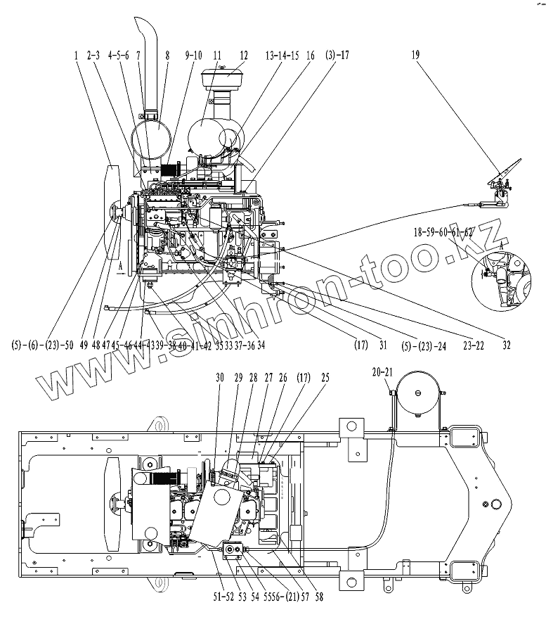
| Позиция на иллюстрации | Заводской номер детали | Название детали | |
|---|---|---|---|
| 1 | 4190000138 | FAN | |
| 2 | 4011000164 | BOLT | |
| 3 | 4011000474 | BOLT | |
| 4 | 4011000085 | BOLT | |
| 5 | 4013000007 | NUT | |
| 6 | 4015000162 | Washer | |
| 7 | 29010009351 | FRAME | |
| 8 | 4110000187 | DISSIPATIVE MUFFLER | |
| 9 | 29010009361 | ACCORDION PIPE | |
| 10 | 4110000192 | V-ANCHOR EAR | |
| 11 | 4110000267 | AIR FILLTER | |
| 12 | 4110000181 | FILLTER | |
| 13 | 4011000102 | BOLT | |
| 14 | 4013000033 | NUT | |
| 15 | 4015000072 | WASHER | |
| 16 | 29010009502 | FRAME | |
| 17 | 4011000560 | BOLT | |
| 18 | 29010009721 | WATER(OIL)TEMPERATURE INDICATOR | |
| 19 | 29010011881 | GOVERNOR CONTROL SYSTEM | |
| 20 | 29010000041 | BOLT | |
| 21 | 29010000061 | WASHER | |
| 22 | 4011000184 | BOLT | |
| 23 | 4015000025 | Washer | |
| 24 | 29010009711 | BOLT | |
| 25 | 29010009522 | RELAY FIXATION PLANT | |
| 26 | 4014000051 | BOLT GB818-M8x16EpZn-4.8 | |
| 27 | 29010012261 | RELAY BOX | |
| 28 | 4019000017 | T- ANCHOR EARtp1 17140312 | |
| 29 | 29010009531 | SUPERCHARGER HOSE | |
| 30 | 4019000038 | T-ANCHOR EAR92210432 | |
| 31 | 29010015321 | BRACKET | |
| 32 | 29010015301 | GOVERNOR LEVER | |
| 33 | 29010015311 | OIL-RETURN PIPE | |
| 34 | 29010009571 | CONNECTOR | |
| 35 | 29010009581 | OIL-INPUT PIPE | |
| 36 | 4120001078 | HOSE | |
| 37 | 4017000008 | CLAMP | |
| 38 | 4011000641 | BOLT | |
| 39 | 4015000231 | WASHER | |
| 40 | 4011000236 | BOLT | |
| 41 | 4013000020 | NUT | |
| 42 | 4015000176 | WASHER | |
| 43 | 29050000101 | SHOCK MOUNT | |
| 44 | 29050000121 | WASHER | |
| 45 | 29010011891 | RIGHT BRACKET | |
| 46 | 29010011901 | LEFT BRACKET | |
| 47 | 4011000091 | BOLT | |
| 48 | 4011000161 | BOLT | |
| 49 | 29010011911 | FAN CONNECT FLANGE | |
| 50 | 4011000475 | BOLT | |
| 51 | 4120000750 | METAL TUBE | |
| 52 | 29010000051 | WASHER | |
| 53 | 4011000455 | BOLT | |
| 54 | 29220004021 | BRACKET OF AIR DYER | |
| 55 | 4120000084 | AIR DYER | |
| 56 | 29010000071 | CONNECTOR | |
| 57 | 4041000560 | TUBE | |
| 58 | 4110000555 | DIESEL ENGINE ASSEMBLY 6BT5.9-C130 | |
| 59 | 4120000067 | VALVE-HEATER | |
| 60 | 4017000024 | CLAMP | |
| 61 | 4120000049 | RUBBER TUBE | |
| 62 | 4120000119 | RUBBER TUBE |
Содержащиеся в справочниках-каталогах запасные части и детали не предлагаются к продаже, а носят исключительно информационный характер