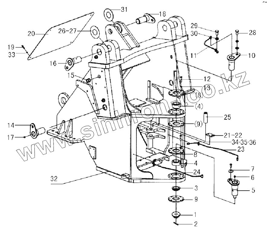
Каталог запасных частей к технике: SDLG LG936L. FRONT FRAME
1
2
3
4
4
5
6
7
8
8
9
9
10
11
12
13
14
15
16
17
18
19
20
21
22
23
24
25
26
27
28
29
30
31
32
33
34
35
36
| Позиция на иллюстрации | Заводской номер детали | Название детали | |
|---|---|---|---|
| 1 | 29250001061 | SLOTTED NUT | |
| 2 | 4016000113 | SPLIT PIN | |
| 3 | 29250007591 | BUSH | |
| 4 | 4021000042 | BEARING | |
| 5 | 29250004031 | DOWN ARTICULATION PIN | |
| 6 | 29270008001 | TUBE ASSEMBLY | |
| 7 | 4040000001 | WASHER | |
| 8 | 29250004011 | DISC | |
| 9 | 29250004021 | DISC | |
| 10 | 29250004041 | UP ARTICULATION PIN | |
| 11 | 29250004091 | TUBE | |
| 12 | 4011000186 | BOLT | |
| 13 | 4015000026 | WASHER | |
| 14 | 4043000205 | PIN | |
| 15 | 29250001351 | RUBBER SLEEVE | |
| 16 | 4043000204 | PIN | |
| 17 | 4030000065 | GREASE NIPPLE | |
| 18 | 4043000203 | PIN | |
| 19 | 4011000081 | BOLT | |
| 20 | 29250004171 | FRONT HOOD | |
| 21 | 29250001111 | PLATE | |
| 22 | 29250001121 | PLATE | |
| 23 | 29250004061 | OIL TUBE | |
| 24 | 29250004071 | OIL TUBE | |
| 25 | 29250004081 | FRONT PIN OF STEERING CYLINDER | |
| 26 | 4043000197 | WASHER | |
| 27 | 4043000198 | WASHER | |
| 28 | 4011000197 | BOLT | |
| 29 | 29250000291 | BOLT | |
| 30 | 29250000301 | WASHER | |
| 31 | 4043000151 | SPACER | |
| 32 | 29240008563 | FRONT FRAME | |
| 33 | 4015000197 | WASHER | |
| 34 | 4014000024 | SCREW | |
| 35 | 4015000035 | WASHER | |
| 36 | 29250000311 | PLATE |
Содержащиеся в справочниках-каталогах запасные части и детали не предлагаются к продаже, а носят исключительно информационный характер