Каталог запасных частей к технике: SDLG LG936. HYDRAULTC TORQUE CONVERTER
1
1
1
2
2
2
2
2
3
4
4
5
6
6
7
8
9
10
11
12
13
13
14
14
15
16
17
18
19
20
21
22
23
24
25
26
27
28
29
30
31
32
33
34
34
35
36
37
38
39
40
41
42
43
44
45
46
47
48
49
50
51
52
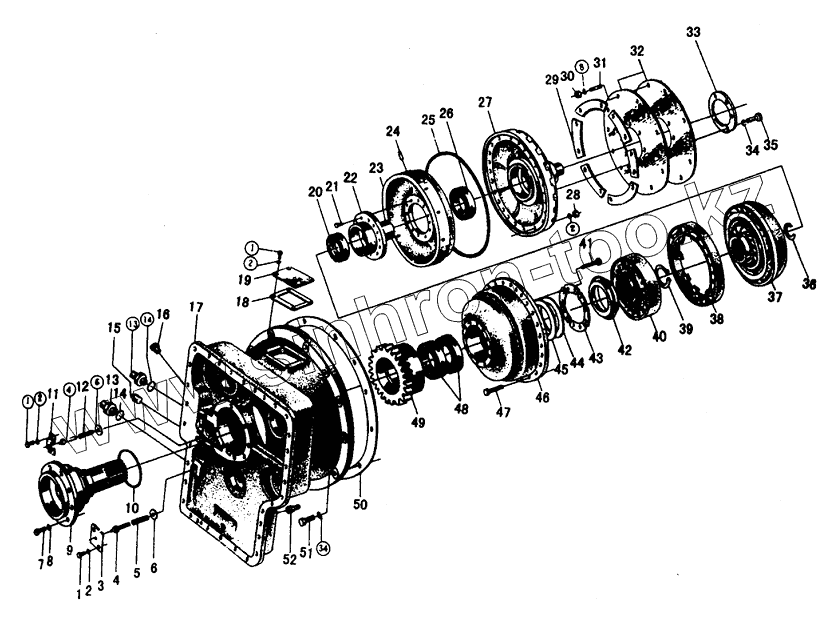
| Позиция на иллюстрации | Заводской номер детали | Название детали | |
|---|---|---|---|
| 1 | BOLTM8X16 | BOLT M8X16 | |
| 2 | WASHER8 | WASHER 8 | |
| 3 | FILLER | FILLER | |
| 4 | VALVESTEM | VALVE STEM | |
| 5 | SPRING | SPRING | |
| 6 | SPACER | SPACER | |
| 7 | BOLTM10X25 | BOLT M10X25 | |
| 8 | WASHER10 | WASHER 10 | |
| 9 | STATORSEAT | STATOR SEAT | |
| 10 | SEALRING | SEAL RING | |
| 11 | VALVECOVER | VALVE COVER | |
| 12 | SPRING | SPRING | |
| 13 | FITTINGDo28. | FITTING Do28. | |
| 14 | O-RING35X3.1 | O-RING 35X3.1 | |
| 15 | PLUG | PLUG | |
| 16 | THERMOMETER | THERMOMETER JOINT | |
| 17 | HOUSING | HOUSING | |
| 18 | GASKETPAPER | GASKET PAPER | |
| 19 | FILLER | FILLER | |
| 20 | 6013 | BEARING 6013 | |
| 21 | RIVETM8X16 | COUNTERSUNK RIVET M8X16 | |
| 22 | CASE | CASE OF FIRST-STAGE TURBINE | |
| 23 | SHELL | SHELL OF FIRST-STAGE TURBINE | |
| 24 | SPRINGPIN | SPRING PIN | |
| 25 | O-RING | O-RING | |
| 26 | 6210 | BEARING 6210 | |
| 27 | WHEELSHELL | WHEEL SHELL | |
| 28 | NUTM8 | NUT M8 | |
| 29 | SPACER | SPACER | |
| 30 | NUTM10X1 | NUT M10X1 | |
| 31 | STUDAM10X1X18 | DOUBLE END STUD AM10X1X18 | |
| 32 | SPRINGPLATE | SPRING PLATE | |
| 33 | SHIM | ROUND SHIM | |
| 34 | WASHER12 | WASHER 12 | |
| 35 | BLOTM12X30 | BLOT M12X30 | |
| 36 | PLUG | PLUG | |
| 37 | SECOND-STAGETURBINE | SECOND-STAGE TURBINE | |
| 38 | FIRST-STAGETURNINE | FIRST-STAGE TURNINE | |
| 39 | RING80 | SNAP RING 80 | |
| 40 | STATOR | STATOR MODULE | |
| 41 | BOLTM8X30 | BOLT M8X30 | |
| 42 | PLUG | PLUG | |
| 43 | SPACER | SPACER | |
| 44 | PLATE | ISOLATING PLATE | |
| 45 | SPACER | SPACER | |
| 46 | IMPELLER | IMPELLER | |
| 47 | BOLTM8X32 | BOLT M8X32 | |
| 48 | G6017 | BEARING 6017 | |
| 49 | GEAR | GEAR | |
| 50 | GASKETPAPER | GASKET PAPER | |
| 51 | BOLTM12X48 | BOLT M12X48 | |
| 52 | CONNECTOR | CONNECTOR |
Содержащиеся в справочниках-каталогах запасные части и детали не предлагаются к продаже, а носят исключительно информационный характер