Каталог запасных частей к технике: SDLG LG918. LG9180A1-5 Under the engine system
1
2
3
4
5
6
7
8
9
10
11
11
12
12
13
13
14
14
15
15
16
17
18
19
20
21
22
23
24
25
26
27
28
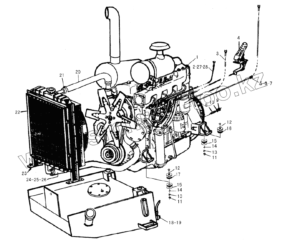
| Позиция на иллюстрации | Заводской номер детали | Название детали | |
|---|---|---|---|
| 1 | 4110000108 | DISEL ENGINE ASSY | |
| 2 | 29010006521 | PARKING CONTROL SYSTEM | |
| 3 | 4120000119 | RUBBER TUBE | |
| 4 | 29010006531 | GOVERNOR CONTROL SYSTEM | |
| 5 | 29010001111 | JOINT | |
| 6 | 29010010311 | CONNECTOR | |
| 7 | 29010006581 | PRESS HOSE | |
| 8 | 29010006591 | DOUBLE BOLT | |
| 9 | 4013000011 | NUT | |
| 10 | 4015000168 | WASHER | |
| 11 | 4013000129 | NUT GB6170-M16EpZn-8 | |
| 12 | 4011000656 | BOLT GB5782-M16x100EpZn-8.8 | |
| 13 | 4015000181 | WASHER | |
| 14 | 4015000098 | WASHER GB93-16-65Mn | |
| 15 | 29010006601 | WASHER | |
| 16 | 29010012051 | RUBBER SPACER | |
| 17 | 29010012001 | RUBBER SPACER | |
| 18 | 29010006621 | SCREW | |
| 19 | 29010006631 | WASHER | |
| 20 | 29030006521 | PIPE UP OF RADIATOR | |
| 21 | 4017000018 | CLAMP | |
| 22 | 4120000510 | RADIATOR ASSY LY-916A6 | |
| 23 | 4011000320 | BOLT | |
| 24 | 29030006541 | PIPE UNDER OF RADIATOR | |
| 25 | 29030006531 | CLAMP | |
| 26 | 4011000461 | BOLT | |
| 27 | 4030000288 | HOSE JB8406-B16x2000 | |
| 28 | 4120000075 | CLAMP |
Содержащиеся в справочниках-каталогах запасные части и детали не предлагаются к продаже, а носят исключительно информационный характер