Вернуться на главную
Поиск
Каталоги запчастей к технике
Спецтехника
SDLG
LG6210E
Lubricating oil line
Каталог запасных частей к технике: SDLG LG6210E. Lubricating oil line
zoom-in
zoom-out
enlarge
shrink
circle-right
circle-left
file-text2
info
cart
Тип техники
Не выбрано
Легковые автомобили
Грузовые автомобили и прицепы
Автобусы
Сельхозтехника
Спецтехника
Двигатели
Мототехника
Марка
Не выбрано
Ammann
BOMAG
CARMIX
CASE IH
Changlin
ChengGong
Dimex
Doosan
DYNAPAC
Foton
HAMM
Hidromek
Hitachi
Hyundai
JCB
JLG
John Deere
Komatsu
LIEBHERR
LiuGong
Lonking (LongGong)
Luneng
MANITOU
Mitsuber
New Holland
PENGPU
RM-Terex
SANY
SDLG
SEM
Shantui
Shehwa HBXG
Soosan
TIGARBO
VOGELE
Volvo
WAY
WIRTGEN
XCMG
XGMA
Xiamen
YTO
Yuchai
Zoomlion
Автокран
АЗСМ
Алтайлесмаш
Амкодор
АОМЗ
Атек
АТЗ
Балканкар Рекорд
БелАЗ
Беловеж
Борекс
Брянский Арсенал
Булат
ВЭКС
ГАЗ
Геомаш
Гидромаш
Донекс
Дормаш
Дормашина
Дорэлектромаш
ДЭЗ
ЕлАЗ
ЗЗГТ
Ижнефтемаш
Канаш-электрокар
КЗКТ
ККЗ
Клевер
Клинцовский автокрановый завод
КМЗ
КМЗ 1 Мая
Ковровец
Коммаш
Кранэкс
КЭЗ
КЭМЗ
ЛЗА
МАЗ
МЗИК
МЗКМ
МЗКТ
Михневский РМЗ
МоАЗ
Мозырский МЗ
МТЗ
ОЗП
Онежец
ПАО "ТЗА"
ППС Детва
Промтрактор
ПТЗ
Раскат
СпецАгрегат
ТВЭКС
ТТМ
УВЗ
Угличмаш
УЗТМ
ХТЗ
ЧЗКМ
ЧСДМ
ЧТЗ
ЭКСКО
ЭКСМАШ
ЮрМаш
Модель
Не выбрано
B877 (2013)
B877 (2017)
G9138 (2020)
G9190 (2013)
L916 (2017)
L938F (2016)
L948 (2016)
L948F (2015)
L953N (2017)
L956F (2017)
L958F (2019)
LG6150E
LG6210E (2013)
LG918 (2008)
LG918 (2009)
LG933 (2008)
LG933 (2018)
LG933L (2011)
LG936 (2007)
LG936 (2007)
LG936L (2009)
LG936L (2013)
LG936L (2017)
LG938 (2006)
LG938 (2010)
LG938F (2015)
LG938L (2010)
LG944MSK (2015)
LG946L (2010)
LG952 (2007)
LG952 (2009)
LG952H (2009)
LG952H (2012)
LG952N (2016)
LG953 (2006)
LG953 (2008)
LG953 (2009)
LG953N (2015)
LG955N (2015)
LG956 (2005)
LG956F (2016)
LG956FH (2017)
LG956L (2009)
LG956L (2015)
LG956V (2015)
LG958 (2006)
LG958L (2009)
LG958L (2012)
LG958N (2013)
LG958N (2015)
LG968 (2007)
LG968 (2009)
LG969 (2007)
LG969 (2009)
LG969N (2015)
LGB680 (2007)
Схема
>
Не выбрано
Engine
Engine mounting
Fuel tank with Hitch parts
Fuel supply pump with assembly details
Fuel pipe-fuel tank
Water separator
Exhaust system
Intake system
Intercooler, pipe
Cooling system
Radiador
Cooling fan assembly
Crankshaft
Connecting rod
Cross reference list
Valve control
Fastener
Actuator
Bushing
Impulse transmitter
Accessories
Temperature transmitter
Roller Tucho
High pressure pipe
Rubber seal
Control rod
Piston cooling nozzle
Fuel injection pump
Fastener
Drive shaft
Fastener
Crankcase
Fuel injector
Fasteners
Head
Lock parts
Lock parts
Lubricating oil line
Exhaust pipe
Turbocharger
Lubricating oil line
Fasteners
Locking parts
Charge air elbow
Charge air tube
Fasteners
Crankcase breather
Collector
Breather line
Hose clip
Oil collector
Oil suction tube
Fasteners
Front cover oil pump
Dipstick
Oil gauge
Fasteners
Loofah
Connection housing
Steering wheel
Fasteners
Fan support
Exhaust / outlet bypass
Thermostat
Connection
V-grooved pulley
Accessories
Generator
Fan control
Fuel pump
V-riveted pulley
Fasteners
Riveted V belt
Belt control
Belt tensioner
Fasteners
Fan support
Accessories
Accessories
Locking parts
Locking parts
Locking parts
Gear box
Plug
Mechanical valve cover
Fasteners
Fasteners
Locking parts
Oil cooler
Oil cooler box
Locking parts
Lubricating oil filter
Locking parts
Empty connection. rear.
Non-return valve
Locking parts
Fuel line
Fuel line
Fuel filter
Conjugated piece
Tow hitch
Starter
Fasteners
Control unit
Pressure sensor
Cover
Locking parts
Protection plate
Cable wiring harness
Cable wiring harness
Locking parts
Relay
Tacogenerator
Pressure sensor
Locking parts
Guide tube
Heating flange
Battery with mounting details
Key system
Lighting, front
Operational lamp on the boom
Horn
Windshield washer
Switch
Switch
Electronic unit
Cables, battery
Wiring harness cable, main
Cable wiring harness, motor
Wiring harness cable, instrument panel
Cable wiring harness, cab
Electric relay
Electrical sensor
Instrument panel, warning unit and information unit
Radiocassette recorder with mounting details
Telematics
Shift gearbox
Rotating gearbox
Gearbox with mounting parts
Displacement motor with mounting parts
Displacement motor
Rotating motor with mounting parts
Rotating motor
Swivel joint
Oscillation system
Protective plate
Protective plate for displacement motor
Counterweight
Conveyor belt
Track guards, under carriage
Bottom carriage, spring pack
Front guide wheel
Upper roller
Lower roller
Cogwheel
Step
Cabin mounting
Operator's cabin
Operator's cabin
Operator's cabin
Operator's cabin
Roof structure
Cover, cover and hood structure
Door, side
Door, side
Cover, control valve
Cover, main pump
Handrail
Toolbox, cover
Door, operator's cabin
Cabin floor
Hatches under the engine, hydraulic pumps, cooler, valve m and fuel tank
Rear view mirror
Rear view mirror
Windows
Windshield
Operator's seat with insert parts
Interior of the solar display
Parasols
Air conditioning, cooler and heater tubing
Cabin air duct and cabin floor
Air conditioning unit, cooler and heater
Instrument panel, control panel
Instrument panel, radio panel
Non-slip
Tools
Sticker
Stickers, cabin
Hydraulic oil tank
Swivel joint line, swivel joint control valve
Swivel joint line, swivel joint with displacement motor
Hydraulic system, boom and swing control valve
Hydraulic system, hydraulic tank for hydraulic oil cooler
Hydraulic system, hydraulic tank for hydraulic pump
Control valve with fitting parts
Main control valve, relief valve and boom support
Main control valve, boom and bucket and right shift
Main control valve, swivel and optional and arm and left shift
Main control valve, relief valve and arm support
Pump installation
Hydraulic pump
Regulator, hydraulic pump
Hydraulic gear pump
Servo system, control valve to remote control valve
Servo system, control valve to the remote control valve pedal
Servo system, control valve to solenoid valve
Servo system, control valve tubing
Servo system, pump tubing and filter assembly
Remote control valve pedal with plug-in parts
Remote control valve pedal, displacement motor
Servo system, remote control valve
Servo system, hammer and scissors
Servo system, hammer and scissors
Working hydraulics, boom cylinder on boom
Working hydraulics, boom cylinder
Working hydraulics, bucket cylinder on arm
Bucket assembly
Articulations with the bucket
Articulations with the boom
Lance and lubrication tubing
Boom cylinder
Arm joints
Lubricating arm and tubing with tubing seat
Arm cylinder
Joints with connecting rod
Bucket cylinder
Standard joint a
Joint type b
Type c joint
Type d joint
Standard joint e
Type f joint
G-type gasket
Type h joint
Type I joint
Type J joint
K-type gasket
Type l joint
Type m joint
Type n joint
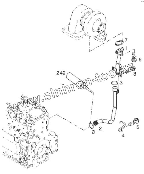
1
2
3
3
4
5
6
7
8
Позиция на иллюстрации
Заводской номер детали
Название детали
1
4110000727157
Oil pipe
2
4110000727131
Oil pipe
3
4110000727034
O Ring
4
4110000509247
Retainer
5
4110000509246
Hexagon bolt
6
4110000509173
Hexagon bolt
7
4110000509243
Gasket
8
4110000509269
Screw
Содержащиеся в справочниках-каталогах запасные части и детали не предлагаются к продаже, а носят исключительно информационный характер
Дополнительная информация
×
Название:
Номер:
Примечание: