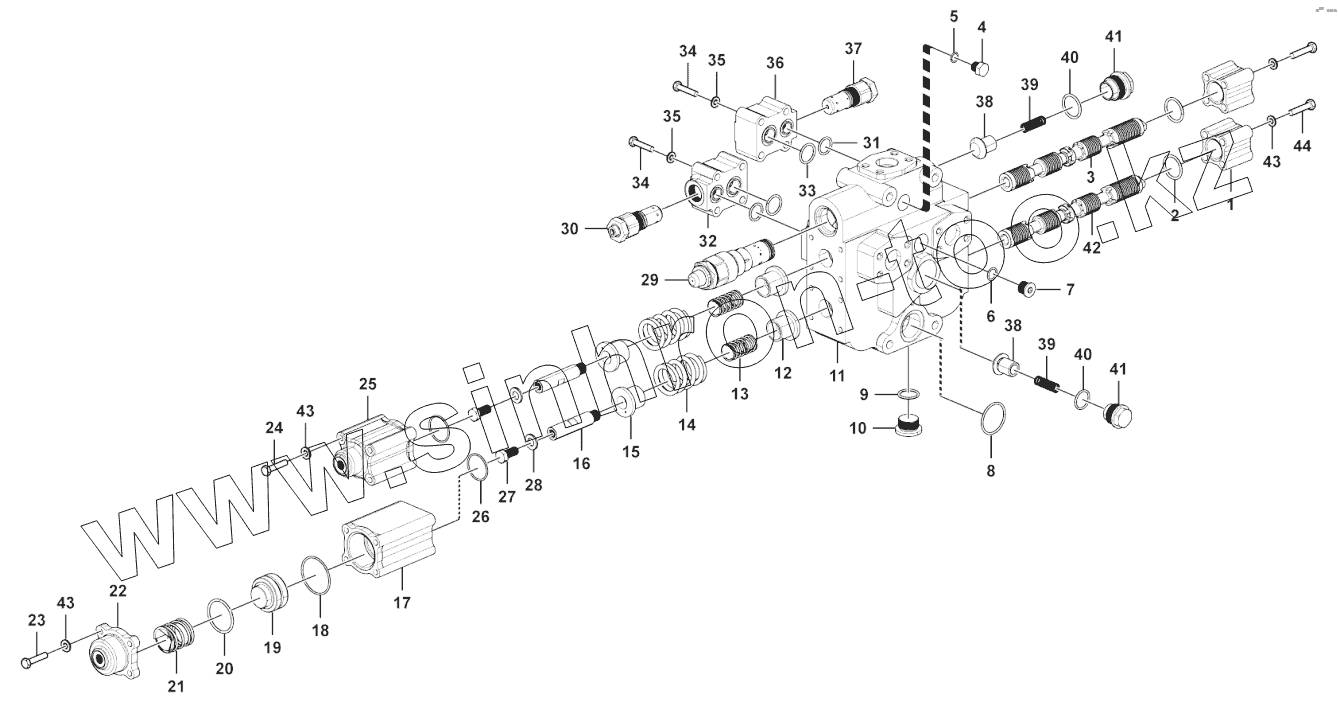
Каталог запасных частей к технике: SDLG L956F. Control valve (331005)
1
2
3
4
5
6
7
8
9
10
11
12
13
14
15
16
17
18
19
20
21
22
23
24
25
26
27
28
29
30
31
32
33
34
34
35
35
36
37
38
38
39
39
40
40
41
41
42
43
43
43
44
| Позиция на иллюстрации | Заводской номер детали | Название детали | |
|---|---|---|---|
| 1 | 4120005199003 | Cover | |
| 2 | 4120007617001 | O-ring | |
| 3 | 4120005199002 | Spool | |
| 4 | 4120005199025 | Plug | |
| 5 | 4120007617002 | O-ring | |
| 6 | 4120007617003 | O-ring | |
| 7 | 4120001054222 | Plug | |
| 8 | 4120007617004 | O-ring | |
| 9 | 4120007617005 | O-ring | |
| 10 | 4120005199028 | Plug | |
| 11 | 4120003809004 | Valve body | |
| 12 | 4120005199024 | Spring seat | |
| 13 | 4120001054215 | Spring | |
| 14 | 4120005199012 | Spring | |
| 15 | 4120005199014 | Spring seat | |
| 16 | 4120005199015 | Joint | |
| 17 | 4120005199023 | Cover | |
| 18 | 4120007617006 | O-ring | |
| 19 | 4120005199022 | Piston | |
| 20 | 4120007617007 | O-ring | |
| 21 | 4120005199021 | Spring | |
| 22 | 4120005199020 | Plate | |
| 23 | 4120007617008 | Screw | |
| 24 | 4120007617009 | Screw | |
| 25 | 4120005199011 | Cover | |
| 26 | 4120007617010 | O-ring | |
| 27 | 4120007617011 | Screw | |
| 28 | 4120007617012 | Washer | |
| 29 | 4120007618002 | Valve | |
| 30 | 4120002304002 | Valve | |
| 31 | 4120007617013 | O-ring | |
| 32 | 4120002432430 | Valve | |
| 33 | 4120007617014 | O-ring | |
| 34 | 4120007617015 | Screw | |
| 35 | 4120007617016 | Washer | |
| 36 | 4120002432431 | Valve | |
| 37 | 4120002038161 | Valve | |
| 38 | 4120005199009 | Direction valve | |
| 39 | 4120005199008 | Check valve spring | |
| 40 | 4120007617017 | O-ring | |
| 41 | 4120005199007 | Cover gdf-32-05 | |
| 42 | 4120003809005 | Valve rod | |
| 43 | 4015000036 | WASHER | |
| 44 | 4120007617018 | Screw |
Содержащиеся в справочниках-каталогах запасные части и детали не предлагаются к продаже, а носят исключительно информационный характер