Вернуться на главную
Поиск
Каталоги запчастей к технике
Спецтехника
SDLG
L948F
Engine mounting assemly
Каталог запасных частей к технике: SDLG L948F. Engine mounting assemly
zoom-in
zoom-out
enlarge
shrink
circle-right
circle-left
file-text2
info
cart
Тип техники
Не выбрано
Легковые автомобили
Грузовые автомобили и прицепы
Автобусы
Сельхозтехника
Спецтехника
Двигатели
Мототехника
Марка
Не выбрано
Ammann
BOMAG
CARMIX
CASE IH
Changlin
ChengGong
Dimex
Doosan
DYNAPAC
Foton
HAMM
Hidromek
Hitachi
Hyundai
JCB
JLG
John Deere
Komatsu
LIEBHERR
LiuGong
Lonking (LongGong)
Luneng
MANITOU
Mitsuber
New Holland
PENGPU
RM-Terex
SANY
SDLG
SEM
Shantui
Shehwa HBXG
Soosan
TIGARBO
VOGELE
Volvo
WAY
WIRTGEN
XCMG
XGMA
Xiamen
YTO
Yuchai
Zoomlion
Автокран
АЗСМ
Алтайлесмаш
Амкодор
АОМЗ
Атек
АТЗ
Балканкар Рекорд
БелАЗ
Беловеж
Борекс
Брянский Арсенал
Булат
ВЭКС
ГАЗ
Геомаш
Гидромаш
Донекс
Дормаш
Дормашина
Дорэлектромаш
ДЭЗ
ЕлАЗ
ЗЗГТ
Ижнефтемаш
Канаш-электрокар
КЗКТ
ККЗ
Клевер
Клинцовский автокрановый завод
КМЗ
КМЗ 1 Мая
Ковровец
Коммаш
Кранэкс
КЭЗ
КЭМЗ
ЛЗА
МАЗ
МЗИК
МЗКМ
МЗКТ
Михневский РМЗ
МоАЗ
Мозырский МЗ
МТЗ
ОЗП
Онежец
ПАО "ТЗА"
ППС Детва
Промтрактор
ПТЗ
Раскат
СпецАгрегат
ТВЭКС
ТТМ
УВЗ
Угличмаш
УЗТМ
ХТЗ
ЧЗКМ
ЧСДМ
ЧТЗ
ЭКСКО
ЭКСМАШ
ЮрМаш
Модель
Не выбрано
B877 (2013)
B877 (2017)
G9138 (2020)
G9190 (2013)
L916 (2017)
L938F (2016)
L948 (2016)
L948F (2015)
L953N (2017)
L956F (2017)
L958F (2019)
LG6150E
LG6210E (2013)
LG918 (2008)
LG918 (2009)
LG933 (2008)
LG933 (2018)
LG933L (2011)
LG936 (2007)
LG936 (2007)
LG936L (2009)
LG936L (2013)
LG936L (2017)
LG938 (2006)
LG938 (2010)
LG938F (2015)
LG938L (2010)
LG944MSK (2015)
LG946L (2010)
LG952 (2007)
LG952 (2009)
LG952H (2009)
LG952H (2012)
LG952N (2016)
LG953 (2006)
LG953 (2008)
LG953 (2009)
LG953N (2015)
LG955N (2015)
LG956 (2005)
LG956F (2016)
LG956FH (2017)
LG956L (2009)
LG956L (2015)
LG956V (2015)
LG958 (2006)
LG958L (2009)
LG958L (2012)
LG958N (2013)
LG958N (2015)
LG968 (2007)
LG968 (2009)
LG969 (2007)
LG969 (2009)
LG969N (2015)
LGB680 (2007)
Схема
>
Не выбрано
Engine asembly
Low exhaust emission assembly
Air intake system
Def system
Engine mounting assemly
Oil drain assembly
Fuel supply system
Fuel tank system
Fuel tank assembly
Expansion tank assembly
Radiator hose assembly
Radiator assembly
Fan hydraulic motor assembly
Radiator pump assembly
Radiator accessories
Hydraulic motor PGM37
Transmission
Engine connect assembly 4644 130 296
Torque converter 4166 030 195
Input equipment 4644 102 134
Transmission assembly 4644 101 190
Plug 4644 101 497
Middle shaft 4644 108 232
Clutch 4644 151 238
Clutch 4644 151 500
Clutch 4644 152 233
Clutch 4644 152 556
Clutch 4644 153 241
Clutch 4644 153 512
Input equipment 4644 103 107
Output flange 4644 103 467
Input equipment 4644 109 040
Input equipment 4644 109 438
Input equipment 4644 154 080
Input equipment 4644 154 476
Input equipment 4644 155 031
Input equipment 4644 155 420
Gearshift system 4644 106 325
Gearshift system 4644 159 347
Input equipment 4644 120 213
Filter 4644 138 015
Plug 4644 125 202
Plug 4644 125 407
Plug 4644 107 006
Plug 4644 107 471
Input hose joint 4644 131 082
Plug 4644 131 419
Hose 4644 121 226
Loose parts 4644 183 113
Front axle assembly
Front axle assembly A504C
Front final drive assembly
Hub reduction
Brake caliper assembly (371104)
Propeller shaft system отсюда
Rear axle assembly
Real axle assembly A504C
Final drive
Hydraulic oil tank system
Hydraulic oil tank assembly
Hydraulic control assembly
Control valve assembly (331005)
The 3rd function control
Control lever (331001)
Lifting cylinder assembly
Lift arm cylinder (3713CH)
Cylinder assembly
Tilt cylinder (3713CH)
Quick-change equipment
Quickly change bracket
Quick-change equipment hydraulic system
Hydraulic cylinder assembly (3713CH)
Electric system
Linkage structure
Lifting frame work parts
Steering pump assembly
Steering pump assembly (120104)
Steering gear assembly
Steering column assembly
Steering cylinder assembly
Steering cylinder(3713ch) (3713CH)
Steering cylinder assembly (371368)
Steering cylinder assembly (371401)
Service break assembly
Parking brake assembly
Brake cylinder assembly
Front frame
Front frame accessory
Rear frame
Rear frame accessories
Counterweight
Battery retainer
Cab assembly
Bench
Cab
Wiper arm
Door
Washer system
Protecting cover
Trim
Driver seat system
Driver seat LG06A(350201)
Cab accessory
Air distribution system
Operate box assembly
Bonnet
Bonnet
Cover system
Ladder
Platform
Ladder
Platform
Lamp shroud assembly
Cover
Decal set
Air conditioning unit
Air conditioning unit
Evaporator assembly (330112)
Evaporator assembly (410706)
Condenser assembly (330112)
Condenser (410706)
Electrical source assembly
Front frame electric assembly
Rear frame electric assembly
Cab electric assembly
Working lamp assembly (3713EE)
Radio
Fuse and relay unit
Engine electric assembly
Engine electric assembly
Engine hood electric assembly
Bucket
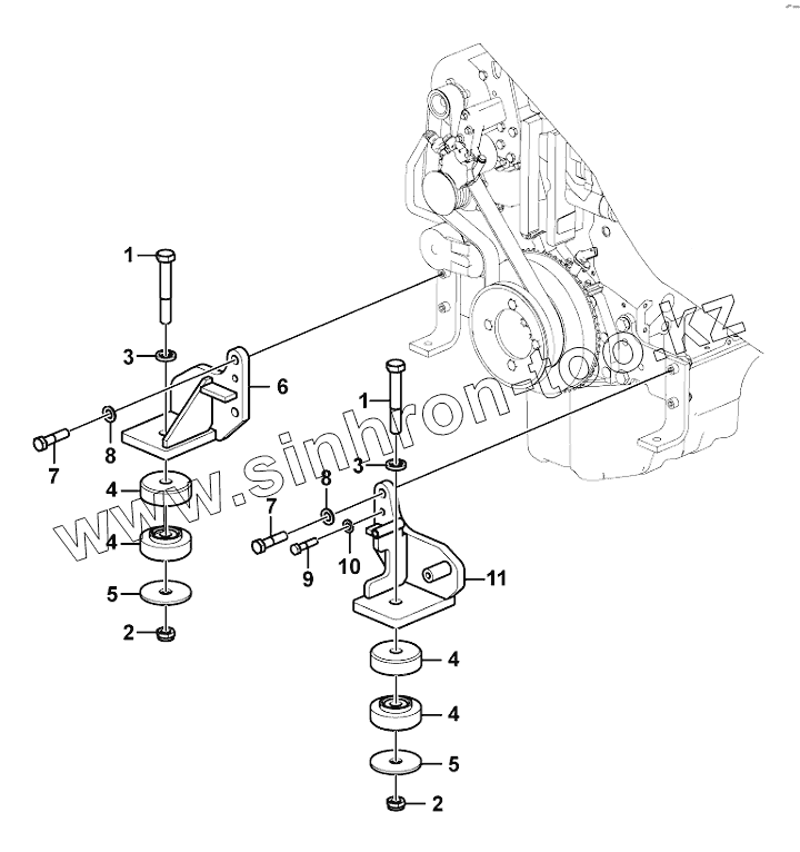
1
1
2
2
3
3
4
4
4
4
5
5
6
7
7
8
8
9
10
11
Позиция на иллюстрации
Заводской номер детали
Название детали
1
4011001310
Screw
2
4013000379
Nut
3
4015000434
Washer
4
29050000101
SHOCK MOUNT
5
29050000121
WASHER
6
29010053891
Engine anchorage
7
4011001387
Bolt
8
4015000436
Washer
9
4011001205
Screw
10
4015000428
Washer
11
29010053901
Engine anchorage
Содержащиеся в справочниках-каталогах запасные части и детали не предлагаются к продаже, а носят исключительно информационный характер
Дополнительная информация
×
Название:
Номер:
Примечание: