Каталог запасных частей к технике: SANY SY75C. Sign
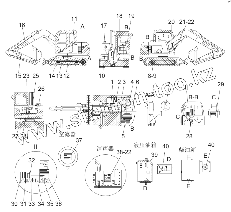
1
2
3
4
5
6
7
8
9
10
11
12
13
14
15
16
17
18
19
20
21
22
22
23
24
25
26
27
28
29
30
31
32
33
34
35
36
37
38
39
40
40
| Позиция на иллюстрации | Заводской номер детали | Название детали | |
|---|---|---|---|
| 1 | A820601990926 | Decal, warning, falling | |
| 2 | A820601991047 | Decal, fuel tank | |
| 3 | A820601991048 | Label, identification, hydraulic tank | |
| 4 | A820601990973 | Decal, warning, engine hood | |
| 5 | A820601990972 | Label, power supply | |
| 6 | A820699000948 | Decal, warning, anti-spray | |
| 7 | A820699001109 | Label, power socket | |
| 8 | A820601990618 | Lifting sign | |
| 9 | A820601990934 | Decal, tie-down, shipment | |
| 10 | A820603000256 | Front hood text | |
| 11 | A820603000245 | Text on the left side of the body | |
| 12 | A820699001022 | Center of gravity sign | |
| 13 | A820601990968 | Decal, warning, tensioner | |
| 14 | A820603000246 | Decal, instruction, forward | |
| 15 | A820601990963 | Decal, warning, arm | |
| 16 | A820603000248 | Boom text | |
| 17 | A820603000247 | Trinity vi logo | |
| 18 | A820601990970 | Manipulate the safety lock warning sign | |
| 19 | A820699001030 | Label, instruction, fuse box | |
| 20 | A820699001021 | Noise sign | |
| 21 | A820101041082 | Nameplate | |
| 22 | A210510000007 | Rivet | |
| 23 | A820601990969 | Label, emergency exit | |
| 24 | A820600000002 | Decal, warning, fan | |
| 25 | A820603000251 | Decal, counterweight | |
| 26 | A820601991049 | Decal, warning, counterweight | |
| 27 | A820699001017 | Decal, warning, belt safety | |
| 28 | A820601990927 | Label, Unlock | |
| 29 | A820601990967 | Decal, instruction, seat adjustment | |
| 30 | A820601990961 | Label, instruction, operation | |
| 31 | A820601990971 | Label, warning, READ MANUAL | |
| 32 | A820601000014 | Decal | |
| 33 | A820699001024 | Decal, warning, preheating | |
| 34 | A820601990974 | Decal, warning, high-voltage | |
| 35 | A820699001020 | Decal, warning, power-off | |
| 36 | A820601000015 | Graph, lubrication | |
| 37 | A820601990975 | Decal, warning, air cleaner | |
| 38 | A820101050798 | Mark, warning, hand burning | |
| 39 | A820601990928 | Label, oil level | |
| 40 | A820601990929 | Label, drain, fuel tank |
Содержащиеся в справочниках-каталогах запасные части и детали не предлагаются к продаже, а носят исключительно информационный характер