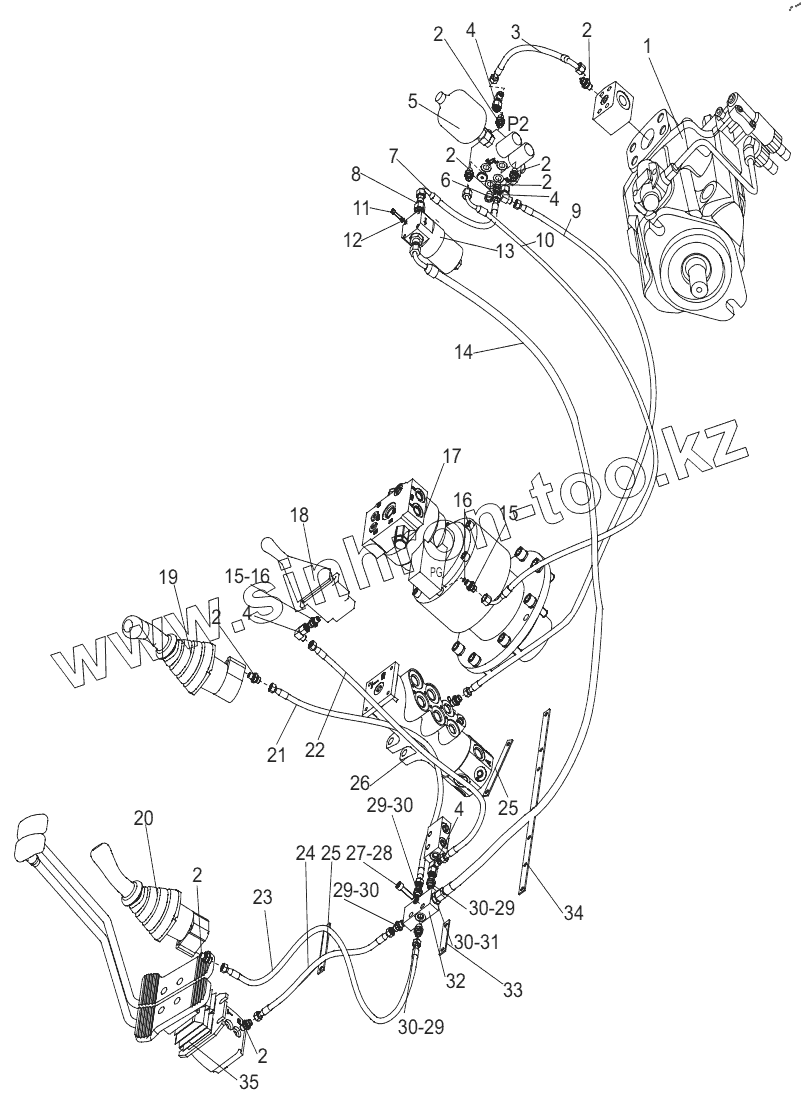
Каталог запасных частей к технике: SANY SY75C. Pilot hydraulic line
1
2
2
2
2
2
2
2
2
3
4
4
4
4
5
6
7
8
9
10
11
12
13
14
15
15
16
16
17
18
19
20
21
22
23
24
25
25
26
27
28
29
29
29
29
30
30
30
30
30
31
32
33
| Позиция на иллюстрации | Заводской номер детали | Название детали | |
|---|---|---|---|
| 1 | B220301000389 | Main pump | |
| 2 | B210780000176 | Connector, pipe | |
| 3 | B230103005813 | Hose | |
| 4 | B210780000418 | Connector, pipe | |
| 5 | B220400000388 | Valve, oil source control | |
| 6 | B210780000164 | Plug, screw | |
| 7 | B230103005807 | Hose | |
| 8 | B210780000827 | Connector, pipe | |
| 9 | B230103003777 | Hose | |
| 10 | B230103005798 | Hose | |
| 11 | A210204000145 | Screw | |
| 12 | A210401000017 | Washer | |
| 13 | B229900000063 | Filter | |
| 14 | B230103005768 | Hose | |
| 15 | A820205000940 | Connector | |
| 16 | B230101000047 | O-ring | |
| 17 | B229900002779 | Rotary motor | |
| 18 | B229900001009 | Valve, pilot | |
| 19 | B229900002778 | Right handle | |
| 20 | B229900002777 | Left handle | |
| 21 | B230103005769 | Hose | |
| 22 | B230103005771 | Hose | |
| 23 | B230103005770 | Hose | |
| 24 | B230103005790 | Hose | |
| 25 | A820101343168 | Pipe clamp | |
| 26 | A229900004501 | Connector, central slewing | |
| 27 | A210204000008 | Screw | |
| 28 | A210401000001 | Washer | |
| 29 | A820205000839 | Connector | |
| 30 | A230101000247 | O-ring | |
| 31 | A820205000894 | Connector | |
| 32 | A820199003418 | P block | |
| 33 | A820101343167 | Pipe clamp |
Содержащиеся в справочниках-каталогах запасные части и детали не предлагаются к продаже, а носят исключительно информационный характер