Вернуться на главную
Поиск
Каталоги запчастей к технике
Спецтехника
SANY
SY75C
LS pipeline
Каталог запасных частей к технике: SANY SY75C. LS pipeline
zoom-in
zoom-out
enlarge
shrink
circle-right
circle-left
file-text2
info
cart
Тип техники
Не выбрано
Легковые автомобили
Грузовые автомобили и прицепы
Автобусы
Сельхозтехника
Спецтехника
Двигатели
Мототехника
Марка
Не выбрано
Ammann
BOMAG
CARMIX
CASE IH
Changlin
ChengGong
Dimex
Doosan
DYNAPAC
Foton
HAMM
Hidromek
Hitachi
Hyundai
JCB
JLG
John Deere
Komatsu
LIEBHERR
LiuGong
Lonking (LongGong)
Luneng
MANITOU
Mitsuber
New Holland
PENGPU
RM-Terex
SANY
SDLG
SEM
Shantui
Shehwa HBXG
Soosan
TIGARBO
VOGELE
Volvo
WAY
WIRTGEN
XCMG
XGMA
Xiamen
YTO
Yuchai
Zoomlion
Автокран
АЗСМ
Алтайлесмаш
Амкодор
АОМЗ
Атек
АТЗ
Балканкар Рекорд
БелАЗ
Беловеж
Борекс
Брянский Арсенал
Булат
ВЭКС
ГАЗ
Геомаш
Гидромаш
Донекс
Дормаш
Дормашина
Дорэлектромаш
ДЭЗ
ЕлАЗ
ЗЗГТ
Ижнефтемаш
Канаш-электрокар
КЗКТ
ККЗ
Клевер
Клинцовский автокрановый завод
КМЗ
КМЗ 1 Мая
Ковровец
Коммаш
Кранэкс
КЭЗ
КЭМЗ
ЛЗА
МАЗ
МЗИК
МЗКМ
МЗКТ
Михневский РМЗ
МоАЗ
Мозырский МЗ
МТЗ
ОЗП
Онежец
ПАО "ТЗА"
ППС Детва
Промтрактор
ПТЗ
Раскат
СпецАгрегат
ТВЭКС
ТТМ
УВЗ
Угличмаш
УЗТМ
ХТЗ
ЧЗКМ
ЧСДМ
ЧТЗ
ЭКСКО
ЭКСМАШ
ЮрМаш
Модель
Не выбрано
QY50CS93
RSC45C
RSC45C
SDCY90K6C
SSR120AC-8
STC250H
STC250S5
STG190C-8
SY135C8
SY210C8
SY215C9
SY335C8
SY5250GJB6C
SY5320THB 470C-8S
SY55C9
SY65C
SY75C
SY75C9I2H
SYM5190THBDZ 30
YZ18C
YZ20C
Схема
>
Не выбрано
Silencer
Air filter assembly
Air filter installation
Engine installation
Main pump installation
Liquid storage tank
Radiator installation
Cooling pipe
Fuel pipe
Throttle control
Fuel tank assembly
Hydraulic pipeline of working device
Hydraulic pipeline of working device (with broken hammer pipeline)
Oil suction pipe
Oil recovery system
Oil discharge system
Main valve
Valve frame
Main oil pipeline
LS pipeline
Pilot hydraulic line
Boom pipeline
Bulldozer hydraulic pipeline
Bucket hydraulic line
Bucket rod hydraulic pipeline
Right-hand hydraulic pipeline
Left walking hydraulic pipeline
Hydraulic line of rotary motor
Get off the bus
Bulldozer pipeline
Hydraulic fuel tank assembly
Main pump installation
Bottom plate frame
Seat and control box
Air conditioning system I
Air conditioning system II
Cab
Cover beam
Top cover assembly
Left door
Right door
Rear hood
Sealing plate
Counterweight installation
Slewing bearing
Crawler frame and bulldozer
Walking motor and four-wheel installation
Boom
Boom bottom pin
Boom upper pin
Bucket rod
Bucket rod bucket connection
Connecting rod
Bucket
Electrical installation board wiring harness layout diagram
Battery and its installation wiring harness
Boom work light
Sign
Random tool
Random tools and accessories
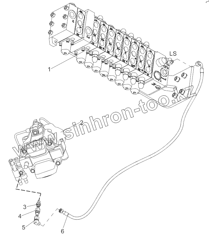
1
2
3
4
5
6
Позиция на иллюстрации
Заводской номер детали
Название детали
1
B220401000622
Main valve
2
B220301000389
Main pump
3
B210780001390
Connector
4
B210780000846
Connector
5
B210780000418
Connector, pipe
6
B230103003777
Hose
Содержащиеся в справочниках-каталогах запасные части и детали не предлагаются к продаже, а носят исключительно информационный характер
Дополнительная информация
×
Название:
Номер:
Примечание: