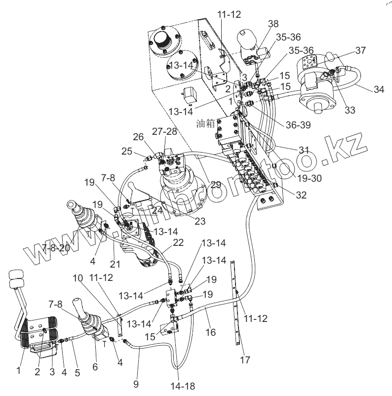
Каталог запасных частей к технике: SANY SY65C. Oil discharge system
1
1
2
2
3
3
4
4
4
5
6
7
7
7
8
8
8
9
10
11
11
11
12
12
12
13
13
13
13
13
13
14
14
14
14
14
14
14
15
15
15
16
17
18
19
19
19
19
19
20
21
22
23
24
25
26
27
28
29
30
31
32
33
34
35
35
36
36
36
37
38
39
| Позиция на иллюстрации | Заводской номер детали | Название детали | |
|---|---|---|---|
| 1 | B220401000623 | Foot valve | |
| 2 | A210204000313 | Screw M10x20GB70.1 12.9 | |
| 3 | A210401000001 | Washer | |
| 4 | B210780000176 | Connector, pipe | |
| 5 | B230103005791 | Hose | |
| 6 | B229900002777 | Left handle | |
| 7 | A210204000130 | Screw | |
| 8 | A210401000016 | Washer | |
| 9 | B230103005772 | Hose | |
| 10 | A820101343168 | Pipe clamp | |
| 11 | A210204000145 | Screw | |
| 12 | A210401000017 | Washer | |
| 13 | A820205000839 | Connector | |
| 14 | A230101000247 | O-ring | |
| 15 | B210780000024 | Connector, hose, EW12LOMDA3C | |
| 16 | B230103005767 | Hose | |
| 17 | A820101344742 | Pipe clamp | |
| 18 | A820205000894 | Connector | |
| 19 | B210780000418 | Connector, pipe | |
| 20 | B229900002778 | Right handle | |
| 21 | B230103005793 | Hose | |
| 22 | B230103005792 | Hose | |
| 23 | B229900001009 | Valve, pilot | |
| 24 | B230103005789 | Hose | |
| 25 | B210780000827 | Connector, pipe | |
| 26 | B210780000019 | Connector, pipe | |
| 27 | A820205002389 | Connector | |
| 28 | B230101000049 | O-ring | |
| 29 | B230103005764 | Hose | |
| 30 | B210780000176 | Connector, pipe | |
| 31 | B230103005811 | Hose | |
| 32 | B220401000622 | Main valve | |
| 33 | B210780000041 | Connector, pipe | |
| 34 | B230103003287 | Hose | |
| 35 | A820205000838 | Connector | |
| 36 | A230101000243 | O-ring | |
| 37 | B220301000389 | Main pump | |
| 38 | B220400000388 | Valve, oil source control | |
| 39 | A820205001146 | Connector |
Содержащиеся в справочниках-каталогах запасные части и детали не предлагаются к продаже, а носят исключительно информационный характер