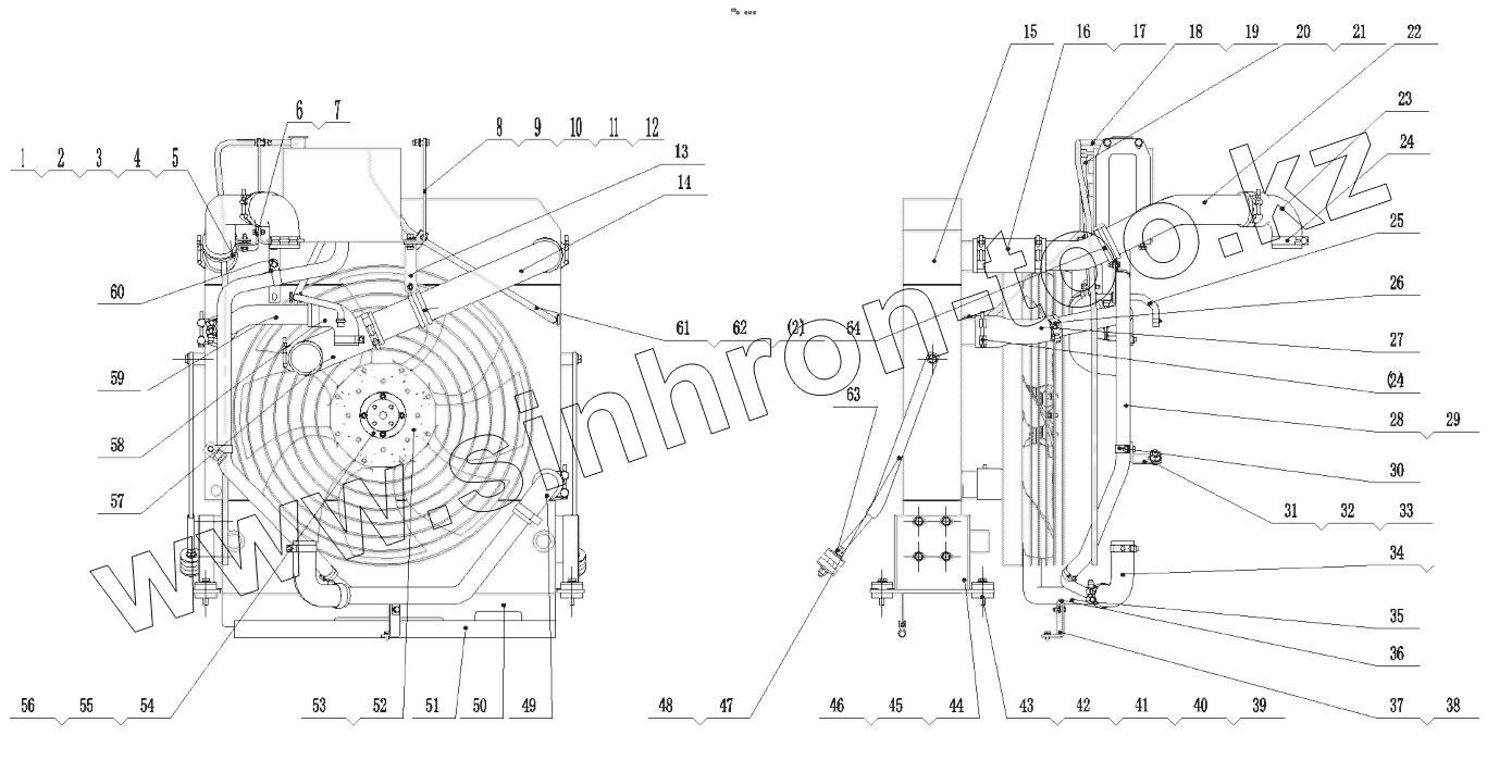
Каталог запасных частей к технике: SANY STG190C-8. 14098718 cooling system STG190C-8W3.11.3
1
2
2
3
4
5
6
7
8
9
10
11
12
13
14
16
17
18
19
20
21
22
23
24
24
25
26
27
28
29
30
31
32
33
34
35
36
36
37
38
39
40
41
42
43
44
45
46
47
48
49
50
51
52
53
54
55
56
57
58
59
60
61
62
63
64
| Позиция на иллюстрации | Заводской номер детали | Название детали | |
|---|---|---|---|
| 1 | A210307000012 | Nut | |
| 2 | A210401000017 | Washer | |
| 3 | A210405000007 | Washer | |
| 4 | A210111000093 | Bolt | |
| 5 | 13515057 | Pipe clamp | |
| 6 | 14097174 | Support of tube | |
| 7 | A210111000090 | Bolt | |
| 8 | 14009103 | Mounting plate for auxiliary water tank | |
| 9 | A210111000025 | Bolt | |
| 10 | A210307000017 | Nut | |
| 11 | A210401000001 | Washer | |
| 12 | A210405000011 | Washer | |
| 13 | 14040733 | Air intake steel tube fixed plate | |
| 14 | 14007868 | Engine air intake steel tube | |
| 16 | 14007870 | Connecting pipe of intercooler | |
| 17 | A229900003759 | Anchor ear, T-type | |
| 18 | 11438911 | Hose | |
| 19 | A229900002960 | Clamp, hose | |
| 20 | 14007899 | Water outlet desgassing pipe | |
| 21 | A229900001347 | Hoop - Hose | |
| 22 | 14007877 | Supercharger exhaust tube | |
| 23 | 14007875 | Supercharger air outlet rubber pipe | |
| 24 | A229900006067 | T-type anchor ear | |
| 25 | 14007895 | Engine degassing pipe | |
| 26 | A229900002031 | Anchor ear, T-type | |
| 27 | 14007848 | Water inlet plastic tube of radiator stg | |
| 28 | 14007891 | Recharging tube | |
| 29 | A229900002964 | Hoop, ring, hose | |
| 30 | A229900003851 | Clamp | |
| 31 | 14009245 | Fixed plate for outlet steel tube | |
| 32 | A210307000040 | Nut | |
| 33 | A210405000003 | Washer | |
| 34 | 14007880 | Engine water-intake cooling rubber pipe | |
| 35 | 14007889 | Engine coolent inlet pipe | |
| 36 | A229900004597 | Clamp | |
| 37 | 14097182 | Support of tube | |
| 38 | A210111000088 | Bolt | |
| 39 | A210491000121 | Washer | |
| 40 | A210110000011 | Bolt | |
| 41 | A820299001948 | Bushing | |
| 42 | A820202003593 | Washer | |
| 43 | A820606030583 | Pad, Buffer | |
| 44 | 14009268 | Radiator assembly bracket | |
| 45 | 60335890 | Radiator | |
| 46 | A210401000002 | Washer | |
| 47 | 14093333 | Tie-rod assembly | |
| 48 | A210111000203 | Bolt | |
| 49 | 14007881 | Water-outlet rubber hose of radiator stg | |
| 50 | 14066263 | Lower wind shield | |
| 51 | 13233039 | Strip, seal, side | |
| 52 | 60283405 | Fan | |
| 53 | A210111000024 | Bolt | |
| 54 | 14009241 | Fan spacer | |
| 55 | A210204000320 | Screw | |
| 56 | A210307000055 | Nut | |
| 57 | 14007855 | Engine air inlet pipe | |
| 58 | 14007833 | Water outlet rubber tube of engine | |
| 59 | 14007852 | Engine water outlet pipe | |
| 60 | 14009138 | Fixed bracket | |
| 61 | 14007900 | Degassing pipe for radiator | |
| 62 | A229900003845 | Clamp | |
| 63 | A210307000031 | Nut | |
| 64 | 14112434 | Rubber strip |
Содержащиеся в справочниках-каталогах запасные части и детали не предлагаются к продаже, а носят исключительно информационный характер