Вернуться на главную
Поиск
Каталоги запчастей к технике
Спецтехника
SANY
STC250S5
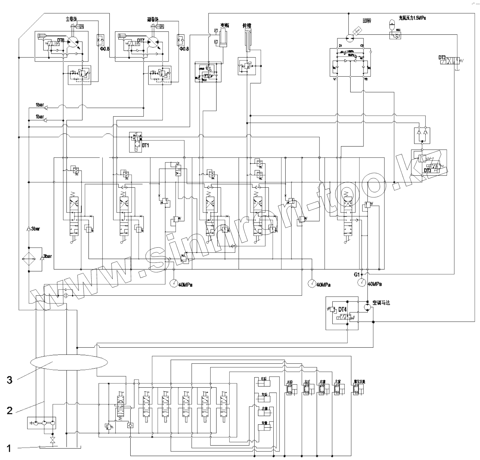
11698521 Hydraulic system, chassis
Каталог запасных частей к технике: SANY STC250S5. 11698521 Hydraulic system, chassis
zoom-in
zoom-out
enlarge
shrink
circle-right
circle-left
file-text2
info
cart
Тип техники
Не выбрано
Легковые автомобили
Грузовые автомобили и прицепы
Автобусы
Сельхозтехника
Спецтехника
Двигатели
Мототехника
Марка
Не выбрано
Ammann
BOMAG
CARMIX
CASE IH
Changlin
ChengGong
Dimex
Doosan
DYNAPAC
Foton
HAMM
Hidromek
Hitachi
Hyundai
JCB
JLG
John Deere
Komatsu
LIEBHERR
LiuGong
Lonking (LongGong)
Luneng
MANITOU
Mitsuber
New Holland
PENGPU
RM-Terex
SANY
SDLG
SEM
Shantui
Shehwa HBXG
Soosan
TIGARBO
VOGELE
Volvo
WAY
WIRTGEN
XCMG
XGMA
Xiamen
YTO
Yuchai
Zoomlion
Автокран
АЗСМ
Алтайлесмаш
Амкодор
АОМЗ
Атек
АТЗ
Балканкар Рекорд
БелАЗ
Беловеж
Борекс
Брянский Арсенал
Булат
ВЭКС
ГАЗ
Геомаш
Гидромаш
Донекс
Дормаш
Дормашина
Дорэлектромаш
ДЭЗ
ЕлАЗ
ЗЗГТ
Ижнефтемаш
Канаш-электрокар
КЗКТ
ККЗ
Клевер
Клинцовский автокрановый завод
КМЗ
КМЗ 1 Мая
Ковровец
Коммаш
Кранэкс
КЭЗ
КЭМЗ
ЛЗА
МАЗ
МЗИК
МЗКМ
МЗКТ
Михневский РМЗ
МоАЗ
Мозырский МЗ
МТЗ
ОЗП
Онежец
ПАО "ТЗА"
ППС Детва
Промтрактор
ПТЗ
Раскат
СпецАгрегат
ТВЭКС
ТТМ
УВЗ
Угличмаш
УЗТМ
ХТЗ
ЧЗКМ
ЧСДМ
ЧТЗ
ЭКСКО
ЭКСМАШ
ЮрМаш
Модель
Не выбрано
QY50CS93
RSC45C
RSC45C
SDCY90K6C
SSR120AC-8
STC250H
STC250S5
STG190C-8
SY135C8
SY210C8
SY215C9
SY335C8
SY5250GJB6C
SY5320THB 470C-8S
SY55C9
SY65C
SY75C
SY75C9I2H
SYM5190THBDZ 30
YZ18C
YZ20C
Схема
>
Не выбрано
11213579 STC250S5 Truck crane body
11226198 Chassis, truck crane
11226406 Cab GP & assembly
11287485 Cab GP
11287482 Cab white-body GP
11287478 Bracket GP, installation, cab body
11657671 Inner ornament GP, cab
11657669 Insrument panel GP (narrow crane)
11657669 Insrument panel GP (narrow crane)
11657664 Carpet Assemble
12607214 Plate , Inner Protective SJC6125W3_590
11657661 Sealing GP
11657659 Accessories assemble, inner ornament
11653679 Outer ornament GP, driver's cab
11653677 Wheel housing GP
11653675 Pedal GP
11653668 Mirror GP, viewing
11653673 Glass GP, cab
11653752 Bumper GP
11653672 Flowguide Assembly
11653671 Handrail GP
11653670 Panel, front, narrow vehicle
11287319 Electrical system, cab, EURO-III
11287319 Electrical system, cab, EURO-III
11287319 Electrical system, cab, EURO-III
11287319 Electrical system, cab, EURO-III
11287319 Electrical system, cab, EURO-III
11287470 Accessories GP
11706290 Nameplate & installation diagram
11229069 Device, power system
11379530 System, oil supply
11219457 Engine and suspension
11220269 Air intake system
11228436 System, exhaust
A220401000197 Valve, brake, exhaust
11227819 Cooling system
A229900007794 Radiator
11236925 Device, sound insulation
11060387 Device, power train
11058753 Clutch & control mechanism
11050111 Transmission & control device
10047858 Control lever, transmission
A220803000001 Transmission GP
A220803000001 Transmission GP
A220803000001 Transmission GP
A220803000001 Transmission GP
A220803000001 Transmission GP
A220803000001 Transmission GP
A220803000001 Transmission GP
A220803000001 Transmission GP
A220803000001 Transmission GP
A220803000001 Transmission GP
A220803000001 Transmission GP
A220803000001 Transmission GP
A220803000001 Transmission GP
A220803000001 Transmission GP
11050264 Drive shaft device
A229900006195 Drive shaft
A229900003320 Drive shaft
11701336 Control device, chassis
10243939 Weldment, two-force rod, chassis valve
11400545 Weldment, two-force rod, chassis
11229913 Device, frame structure system
11192161 Bracket GP, boom
11603784 Platform GP
11603784 Platform GP
11603784 Platform GP
12199468 Spare tyre rack assem.
00000182 Dowel GP, upper
11287767 Fender GP, middle, right
11480538 Fender GP,front,right
11287653 Fender GP, middle, left
11200388 Mudguard GP, RH, rear
10002419 Cap MTG GP, tank filler
10173923 Toolbox body GP
11201445 Mudguard GP, rear, LH
11584037 Fixed device, hook block
11233824 Hood, engine
11229638 Moveable outrigger GP
A810312000264 Pan, 5th outrigger
11688282 Vertical cylinder, front
11688296 Vertical cylinder, rear
11682403 Suspension, axle
11272867 Suspension GP, front
A810304040014 Tire & wheel GP
A210881000047 Type GP
10032080 Suspension GP, rear
A810314010002 Beam GP, compensating
11698521 Hydraulic system, chassis
11686582 Tank GP, oil, hydraulic
11602527 Hydraulic pipeline, chassis
11602499 Pipe GP, return & suction, chassis
00001487 Oil pump GP
60158887 GearPump
A229900002424 Clamp, pipe, single section
11382765 Pipe GP, front outrigger
11501919 Pipeline, steel, outrigger
10138606 Connector GP, 5-way
21026701 Clamp, pipe, single
11502125 Pipeline, rubber, outrigger
10138579 Valve GP, multiway
11000770 Pipe GP, rear outrigger
A810302000154 Swing connector, center
10227927 Joint, swing, central
11230009 Electrical system, chassis
11230009 Electrical system, chassis
11230009 Electrical system, chassis
10957738 Storage battery & tank body assembly GP
11232450 Device, brake system
11232450 Device, brake system
11232450 Device, brake system
10490133 Tube GP, air inlet
10490247 Tube 2 GP, steel, air intake, desiccator
10912226 Bandage GP, air reservoir
10490167 Pipe GP, steel, connection, regeneration cylinder
10810481 Steel pipe GP, connection, check valve
12148180 Steering system layout SYM5304J3E.5
11046639 Steering system
11831991 Pipeline, steering
12457644 Boom assembly STC250S5.1A
12457644 Boom assembly STC250S5.1A
12457644 Boom assembly STC250S5.1A
12457644 Boom assembly STC250S5.1A
12457644 Boom assembly STC250S5.1A
12457644 Boom assembly STC250S5.1A
12759685 Telescopic mechanism STC250S5.1A.5
12759685 Telescopic mechanism STC250S5.1A.5
10053527 Guide pulley assembly
10137468 Pulley GP
10138404 Wheel
10519934 Expansion Arm Oil Cylinder Assy
12295562 Rope supporting pulley
12277377 Cord roller
12277379 Rotary drum assemblySTC250.1A.9.1
10669838 Roller, rope holder
10138100 Pulley GP
10138120 Wheel GP, guide
11052076 Pulley, boom-tip
11702832 Layout plan, nameplate
11702832 Layout plan, nameplate
11702832 Layout plan, nameplate
11699886 Electrical system
11700771 Electric diagram, boom
11141483 Harness 2, boom
11661100 Limiter GP, height
10022380 Weight, circular
10044528 Weight
10044511 Weight
11301803 Harness, boom
11699666 Electric diagram, turntable
11699666 Electric diagram, turntable
12386447 Layout of electric control cabinet
12336020 Harness,clectric control cabinet
11301919 Cluster 1
11697397 Conducting ring AS
11310893 Harness, solenoid valve
10140655 Lamp AS, outline, rear
10014097 Diagram, electrical, jib
10142438 Harness, jib
11241964 Operator's cab, superstructure
11243871 Device GP, operation, superstructure
10052944 Device, operation, superstructure
10850323 Control lever GP
10850324 Control lever GP
10850325 Control lever GP
11141079 Device, protection
11694060 Assembly, operator's cab, superstructure
12438831 SJC6225HK4 crane operator station asse
12438832 Operator station body, crane SJC6225HK4
11823983 Bodywork GP,operator's cab
11255467 Door GP, operator's cab
11255468 Inner plate GP, door, operator's cab
11765453 Bracket GP,mounting,operator's cab bodywork
11826280 Accessories GP,operator's cab (1/2)
11826280 Accessories GP,operator's cab (2/2)
12331456 Transfer mechanism assembly, lock SJC62
11708686 Inner-decoration assembly (25T)
11694908 Front Instruments panel assembly (25T)
11694919 Console GP, right
11694930 Plate GP, protect, decoration, inner
11696050 System,seal
11287380 Seat GP
11694935 Assembly,outer decoration
11696042 Glass GP,narrow
11756317 Electric system, control room SJC62II25HS (1/3)
11756317 Electric system, control room SJC62II25HS (2/3)
12697659 uppercarriage hydraulic system STC250S5.4
11662072 Pipeline, telescoping
10986978 Overflow valve GP
10884999 Valve GP, two-in-one, one-way
11648086 Pipeline, telescoping cylinder
11660615 Pipe GP, main, superstructure (1/2)
11660615 Pipe GP, main, superstructure (2/2)
A229900002039 Clamp, pipe, single section
10987235 Assembly GP, solenoid valve
12294222 Valve,main,assem.
12171292 Get-on multi-way valve
11665424 Pipe GP, winch (1/2)
11665424 Pipe GP, winch (2/2)
11664995 Motor GP, winch
11663011 Balanced valve GP, winch
11466035 Block GP, transition, winch
11466051 Valve GP, one-way, prefilling
60156515 Plunger Motor
12700914 Rotary and Air condition oil circurt STC2 (1/2)
12700914 Rotary and Air condition oil circurt STC2 (2/2)
12207548 Rotary cushion valve assembly STC250S1.12
11549353 Assembly GP, directional valve, solenoid
B220400000079 Valve, directional, electromagnetic
10138470 Valve GP, throttle, one-way
12700653 Oil return and Oil Drain STC250S5.4.6 (1/3)
12700653 Oil return and Oil Drain STC250S5.4.6 (3/3)
11687405 Block GP, oil return
11576345 Block GP,oil drain
11195831 Valve GP, check
11666399 Oilway, luffing
11560486 Balanced valve GP, luffing
11241579 Turntable GP
10123663 Mirror GP, rear-view, turntable
11117463 Counterweight AS
12822492 3-hinge-point assem STC250S5.2.10
11072931 Swing mechanism
11614590 Bearing, slewing
60030745 Reducer GP
11074232 Hoisting mechanism
60030746 Reducer GP
11079343 Engine shed
10138968 Ladder GP
11243990 Seal plate AS, front, right
10517054 Cylinder, luffing
11051639 Hook GP
10131948 Jib
10131948 Jib
10137574 Pulley GP
12239775 Auxiliary cramponSTC250H-I.8
10137968 Hook AS, auxiliary
1
2
3
Позиция на иллюстрации
Заводской номер детали
Название детали
1
11686582
Tank GP, oil, hydraulic
2
11602527
Hydraulic pipeline, chassis
3
A810302000154
Swing connector, center
Содержащиеся в справочниках-каталогах запасные части и детали не предлагаются к продаже, а носят исключительно информационный характер
Дополнительная информация
×
Название:
Номер:
Примечание: