Вернуться на главную
Поиск
Каталоги запчастей к технике
Спецтехника
SANY
SDCY90K6C
60139126 Housing, gear, timing
Каталог запасных частей к технике: SANY SDCY90K6C. 60139126 Housing, gear, timing
zoom-in
zoom-out
enlarge
shrink
circle-right
circle-left
file-text2
info
cart
Тип техники
Не выбрано
Легковые автомобили
Грузовые автомобили и прицепы
Автобусы
Сельхозтехника
Спецтехника
Двигатели
Мототехника
Марка
Не выбрано
Ammann
BOMAG
CARMIX
CASE IH
Changlin
ChengGong
Dimex
Doosan
DYNAPAC
Foton
HAMM
Hidromek
Hitachi
Hyundai
JCB
JLG
John Deere
Komatsu
LIEBHERR
LiuGong
Lonking (LongGong)
Luneng
MANITOU
Mitsuber
New Holland
PENGPU
RM-Terex
SANY
SDLG
SEM
Shantui
Shehwa HBXG
Soosan
TIGARBO
VOGELE
Volvo
WAY
WIRTGEN
XCMG
XGMA
Xiamen
YTO
Yuchai
Zoomlion
Автокран
АЗСМ
Алтайлесмаш
Амкодор
АОМЗ
Атек
АТЗ
Балканкар Рекорд
БелАЗ
Беловеж
Борекс
Брянский Арсенал
Булат
ВЭКС
ГАЗ
Геомаш
Гидромаш
Донекс
Дормаш
Дормашина
Дорэлектромаш
ДЭЗ
ЕлАЗ
ЗЗГТ
Ижнефтемаш
Канаш-электрокар
КЗКТ
ККЗ
Клевер
Клинцовский автокрановый завод
КМЗ
КМЗ 1 Мая
Ковровец
Коммаш
Кранэкс
КЭЗ
КЭМЗ
ЛЗА
МАЗ
МЗИК
МЗКМ
МЗКТ
Михневский РМЗ
МоАЗ
Мозырский МЗ
МТЗ
ОЗП
Онежец
ПАО "ТЗА"
ППС Детва
Промтрактор
ПТЗ
Раскат
СпецАгрегат
ТВЭКС
ТТМ
УВЗ
Угличмаш
УЗТМ
ХТЗ
ЧЗКМ
ЧСДМ
ЧТЗ
ЭКСКО
ЭКСМАШ
ЮрМаш
Модель
Не выбрано
QY50CS93
RSC45C
RSC45C
SDCY90K6C
SSR120AC-8
STC250H
STC250S5
STG190C-8
SY135C8
SY210C8
SY215C9
SY335C8
SY5250GJB6C
SY5320THB 470C-8S
SY55C9
SY65C
SY75C
SY75C9I2H
SYM5190THBDZ 30
YZ18C
YZ20C
Схема
>
Не выбрано
Body, empty container loader, SDCY90K6C
System, power and transmission
Drive axle
B220600000023 Axle, drive
B220600000023 Axle, drive
B220600000023 Axle, drive
B220600000023 Axle, drive
B220600000023 Axle, drive
B220600000023 Axle, drive
11295457 Engine and gearbox
B220803000011 Gearbox
60168563 Gearbox
60135352 Housing, torque converter
60135345 Gearbox
60135335 Tank body
60135334 Turbine rod
60135357 Steering wheel
60135333 Drive disc
60168561 Drive pump
60168572 Washer
60135346 Gear group
60135358 Swing shaft and high speed shaft
60135359 Front wheel drive and 2nd shaft
60168571 Low speed shaft
60135360 Output Shaft
60135343 Pressure Regulating Valve
60166684 Oil filling pump and filter
60135338 Electric control valve
60135339 Parts, control valve
60135341 Control valve cover
60135340 Cover, control valve
60135366 Protective cap
60135336 Pump cover
60135350 Pump adjuster
60135361 Pump connecting shaft sleeve and retaining ring
60168568 Pump, air charging and filter, pressure identification valve
B220200000151 Moteur
60139827 Culasse
60138566 Body, cylinder, level 2 stage 2
60139187 Couvercle, volant
60139170 Volant
60139188 Plaque, couvercle, logement du volant
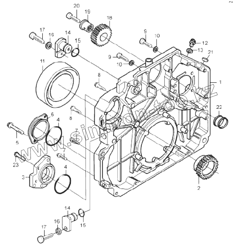
60139126 Housing, gear, timing
60139971 Camshaft, level 2 degree 2
60139845 Mechanism, crankshaft, stage 2 stage 2
60138619 Supports de moteur avant
60138616 Suspension, flexible, moteur
60138534 Bloc, levage
60138877 Filtre, huile
60138856 Filtre, huile, 2eme
60139134 System, fuel, separate fan bracket
60138574 Systeme, carburant
60138689 Pompe, huile
60138656 Pompe, huile, auxiliaire
60139881 System, components and fuel injector, oil supply lines, level 2 degree 2
60140459 Components, fuel injector
60138675 Pump, fuel injector, level 2 degree 2
60138476 Regulator
60138475 Regulator
60138921 Brake 2-158
60138572 Drier, fuel filter
60138882 Filter, fuel
60138531 Integration, air intake
60140301 Integration, tuyau d'echappement, niveau 1 phase 1
60140300 Integration, exhaust pipe, level 2 phase 2
60139259 Fan, Housing, Impeller, High Position, Level 1 Degree 1
60139260 Fan, Housing, Impeller, Straight Pipe, High Position, Level 2 Degree 2
60138903 Filter, oil cooling
60139936 Fan, bracket, water pump and thermostat housing
60139934 Body, housing, water pump and thermostat
60139205 Bracket, fan
60139208 Connector, clutch flange, fan shaft
60139209 Connector, clutch flange, fan shaft
60139206 Flange, clutch, fan bracket
60139207 Flange, clutch, fan bracket
60139937 Fan, water pump
60139200 Hub, fan
60139195 Fan
60138917 Clutch, solenoid, acceleration/deceleration, for driving
60138918 Clutch, solenoid, acceleration/deceleration, for stopping
60140411 Controller, speed, electronics
60138783 Alternator, AC, top right mounted
60138773 Motor, starter
60138775 Components, starter motor
60140358 Sensor, contact pressure
60138464 Components, electrical
60138461 System, electrical
60140386 Unit, control and cable, connection
60138696 Kit, connection, axial hydraulic pump
60138696 Kit, connection, axial hydraulic pump
60140412 Combination, Installation, Constant Temperature Heater, Motor
60140017 Bag, repair
60040043 Radiateur
10366996 Air intake
21031421 Filtre, air
11295461 Radiator
12951073 Extension SDCY90K7C.1.4.1
10367958 Air outlet
10267802 Fuel circuit
10267802 Fuel circuit
10267802 Fuel circuit
10126062 Frame
10182064 Mirror, right
10201511 Mirror, left
110201511 Mirror, left
10449033 Cover plate
10262314 Diagram, Mounting, Bracket, Upper
11087254 Kettle 3-20
11339493 Sleeve, protection
11339493 Sleeve, protection
12165664 Mast
12165664 Mast
12165664 Mast
12165664 Mast
11920919 Roller, rubber hose
12112538 Cylinder, lifting
A810308990043 Pulley
10042642 Chain, small
11820743 Device, height measurement
10504903 Cylinder, swivel
Operation Console
Operation Console
Operation Console
Operation Console
60025888 Steering column, adjustable
12142583 Pedal, double
12153581 Plate, mounting, seat
10428246 Steering axle
10428246 Steering axle
10428246 Steering axle
10428228 Cylinder, steering
12373628 Sub-assembly, cabin, container loader
12373629 Subframe, cabin, container loader
12373629 Subframe, cabin, container loader
12373629 Subframe, cabin, container loader
12373629 Subframe, cabin, container loader
12373629 Subframe, cabin, container loader
60039123 Upper wiper
A229900002144 Wiper, rear window
60039124 Front wiper
11245393 Fuel tank
10121326 Hydraulic oil tank
12613245 Body, hydraulic oil tank
A180308000085 Lifter
10267894 Main body, spreader, SDJ90 II
13058114 Rating plate
10262859 Lifter
10262859 Lifter
0260812 Main beam
10985078 Left telescopic beam
10982198 Set, sliding block, post
11169797 Device, twist lock
10994918 Device, idler pulley
10992424 Mechanism, indicator, twist lock
11544105 Mechanism, twist lock
11330566 Cylinder, twist lock
11155488 Device, lock, twist lock
10986273 Right telescopic arm
10207101 Cylinder, telescopic
A810410990223 Cushion, damping
10204097 Cylinder, side shift
11074915 Support
A810201056410 System, electrical, rudder
10056330 Harness, assembly, spreader
12545756 Harness, rudder sliding rack
12545758 Harness, left, rudder
12545843 Harness, right, rudder
12545844 Harness, proximity switch
12545846 Harness, rudder signal lamp
12545855 Harness, tow chain left
12545861 Harness, tow chain right
A810201052901 Control box, rudder
A810201060380 System, hydraulic
A810201060388 System, hydraulics, side shift
A810201062478 Group, side shift valves
A810201060387 System, hydraulic, telescopic and twist lock
A810201060387 System, hydraulic, telescopic and twist lock
A810201062480 Group, telescopic and twist lock valve, left
A810201062479 Group, valve, hydraulic lock
A810201062481 Group, right twist lock and telescopic valves
10125965 Mechanism, buffer
Plate, steel
11171394 Handrail and platform
11171385 Platform
10122538 Cover pieces
11111562 Side door, left
11111561 Side door, right
12192634 System, electrical
12936366 SDCY90K7C II frame electrical installation
12936366 SDCY90K7C II frame electrical installation
12901989 Headlight, front
12912580 Klaxon, polyphonique
12901982 Light, rear, LED
12901990 Light, marker, side, LED
12934766 Interrupteur, alimentation
12934743 Battery
12912662 Sensor, liquid level
12912737 Sensor, pressure
12912711 Sensor, temperature
12916541 Switch, proximity
12912717 Sensor, temperature
12912575 Horn
12934225 Electrical installation of cabin SDCY90K7C II.8
12934225 Electrical installation of cabin SDCY90K7C II.8
12895470 Lamp, halogen
12893720 Indicator, alarm, LED
12930918 Right operation panel
12930821 Diagram, Layout, Right Operation Panel Switch
12930845 Diagram, layout, start and stop switch
12907177 Joystick
12933474 Armoire de commande SDCY90K7C II.8.2
12933190 Fixation armoire de commande MDGEB1111
12561952 Barre bus, cuivre, mise a la terre, chargeuses de conteneurs vides
12930696 Steering gear
12931304 Front operation panel
12930993 Schematic, Layout, Front Operation Panel Switch
12912862 Display screen, LCD
12916526 Switch, pedal
12912834 Mobile bollards RSTY23111
13141141 Electrical installation of mast SDCY80K6C.8
12912754 Sensor, pressure
12916538 Switch, proximity
12934357 LED indicator light MRSTY33341
12189943 Hydraulic system
11742235 System, brake and steering
11742235 System, brake and steering
11742235 System, brake and steering
11742235 System, brake and steering
A810201062430 Group, brake control valve
B220401001021 Pump, gear, double
A819700001629 Group, cooling switching valve
A810201069499 Diagram, assembly, component, brake valve
B220401001141 Valve, brake
B220401001141 Valve, brake
B230103000592 Hose, rubber
A810201069501 Drawing, assembly, component, accumulator
B229900003708 Accumulator
10049698 Group, pre-fill valve
12301342 Diagram, assembly, components, steering gear
B229900001996 Radiator
A222100000281 Filter, oil return
12848515 Group, priority valve
12301919 Group, check valve
11742236 System, operation
11742236 System, operation
11742236 System, operation
A810201069481 Schematic, mounting, left rocker
11155992 Group, pilot control valve
10049261 Group, multi-way valve
B220401000804 Valve, multiport
A810201069482 Drawing, partial installation, transition block
A810201069483 Drawing, component, right swing cylinder
A222100000367 Filter, oil return
B229900001004 Radiator
B220501000269 Motor, pinion
A222100000128 Filter, pressurized oil
10182663 Arrangement, driving, mast
13084663 Right lifting valve group SDCY90K8H.11.3.
13084637 Left lift valve group SDCY90K8H11.3.1
12375705 Arrangement of tube clamping body SDCY90K7 II.11.5
12375705 Arrangement of tube clamping body SDCY90K7 II.11.5
11152955 System, air conditioning
11152955 System, air conditioning
11152955 System, air conditioning
60100848 Air conditioner
12913519 System, lubrication, central, automatic
12913519 System, lubrication, central, automatic
12912506 System, lubrication, steering axle
12912498 System, lubrication, mast
12912498 System, lubrication, mast
11160956 System, lubrication, inner mast
10234888 Rating plate
10234888 Rating plate
10234888 Rating plate
10587798 Electric plate, container loader
11520256 System, extinguisher
1
2
3
4
4
5
6
7
7
8
8
9
9
10
10
11
12
13
14
14
15
15
16
16
17
17
18
19
20
21
22
23
Позиция на иллюстрации
Заводской номер детали
Название детали
1
60109308
Carter, gear, timing
2
60109306
Gear
3
60109506
Flange
4
60109732
O-ring
5
60109584
Bolt, hex
6
60109233
Lid
7
60109621
Screw
8
60109608
Screw
9
60109598
Screw
10
60092430
Gasket
11
60132419
Watertight ring
12
60092410
Form
13
60130797
Gasket
14
60109470
Form
15
60109740
O-ring
16
60109465
Washer
17
60109599
Screw
18
60109310
Gear, mid
19
60109665
Pivot
20
60109596
Screw
21
60109471
Form
22
60109725
Sleeve, shaft
23
60109578
Bolt, hex
Содержащиеся в справочниках-каталогах запасные части и детали не предлагаются к продаже, а носят исключительно информационный характер
Дополнительная информация
×
Название:
Номер:
Примечание: