Вернуться на главную
Поиск
Каталоги запчастей к технике
Спецтехника
RM-Terex
TLB-825
Задний мост
Каталог запасных частей к технике: RM-Terex TLB-825. Задний мост
zoom-in
zoom-out
enlarge
shrink
circle-right
circle-left
file-text2
info
cart
Тип техники
Не выбрано
Легковые автомобили
Грузовые автомобили и прицепы
Автобусы
Сельхозтехника
Спецтехника
Двигатели
Мототехника
Марка
Не выбрано
Ammann
BOMAG
CARMIX
CASE IH
Changlin
ChengGong
Dimex
Doosan
DYNAPAC
Foton
HAMM
Hidromek
Hitachi
Hyundai
JCB
JLG
John Deere
Komatsu
LIEBHERR
LiuGong
Lonking (LongGong)
Luneng
MANITOU
Mitsuber
New Holland
PENGPU
RM-Terex
SANY
SDLG
SEM
Shantui
Shehwa HBXG
Soosan
TIGARBO
VOGELE
Volvo
WAY
WIRTGEN
XCMG
XGMA
Xiamen
YTO
Yuchai
Zoomlion
Автокран
АЗСМ
Алтайлесмаш
Амкодор
АОМЗ
Атек
АТЗ
Балканкар Рекорд
БелАЗ
Беловеж
Борекс
Брянский Арсенал
Булат
ВЭКС
ГАЗ
Геомаш
Гидромаш
Донекс
Дормаш
Дормашина
Дорэлектромаш
ДЭЗ
ЕлАЗ
ЗЗГТ
Ижнефтемаш
Канаш-электрокар
КЗКТ
ККЗ
Клевер
Клинцовский автокрановый завод
КМЗ
КМЗ 1 Мая
Ковровец
Коммаш
Кранэкс
КЭЗ
КЭМЗ
ЛЗА
МАЗ
МЗИК
МЗКМ
МЗКТ
Михневский РМЗ
МоАЗ
Мозырский МЗ
МТЗ
ОЗП
Онежец
ПАО "ТЗА"
ППС Детва
Промтрактор
ПТЗ
Раскат
СпецАгрегат
ТВЭКС
ТТМ
УВЗ
Угличмаш
УЗТМ
ХТЗ
ЧЗКМ
ЧСДМ
ЧТЗ
ЭКСКО
ЭКСМАШ
ЮрМаш
Модель
Не выбрано
CD TFC45LX hc SIDER (2013)
RT35-1 (2018)
TC-29 (2014)
TC-48 (2013)
TC-50 (2013)
TC35 (2015)
TL-260 (2009)
TL-310 (2013)
TLB-815 (2010)
TLB-825 (2018)
TLB-840 (2010)
TLB-890 (часть 1) (2013)
TLB-890 (часть 2) (2013)
TLB-990 Tier 3 (2013)
TLB840SM, TLB840PM (2013)
Схема
>
Не выбрано
Экскаватор-погрузчик
Двигатель Rg38100 (Без кондиционера)
Фильтр масленный
Фильтр топливный
Двигатель Rg38043 (с кондиционером)
Генератор
Генератор
Радиатор / Масляный радиатор
Радиатор / Масляный радиатор
Радиатор / Масляный/ Конденсатор
Радиатор / Масляный/ Конденсатор
Топливный бак
Система впускная
Система впускная
Система выпуска
Топливная система
Топливная система
Гидрооборудование
Преобразователь момента
Установка трансмиссии
Щуп КПП
Установка заднего привода
Установка переднего привода
Насос трансмиссии
Сливной фильтр
Коробка / 4 привод колес
Входной вал / 4 привод колес
Обратный и главный вал
Выходной вал КПП задний
Выходной вал КПП передний
Управление скоростью
Клапан электрогидравлический
Электрогидравлический привод
Рычаг управления
Задний мост
Корпус
Механизм дифференциала
Дифференциал
Дифференциал/механизм блокировки /2 управляемых колеса
Тормоза
Втулка колеса
Планетарный механизм
Суппорт тормоза
Суппорт тормоза
Задние колеса
Блок контрольный
Цилиндры тормозные
Схема тормоза
Схема тормоза
Ведущие колеса и колонка
Рулевое управление
Передний мост
Корпус переднего моста
Привод колес
Передние колеса
Коническая передача
Дифференциал
Ось вала
Втулка колеса
Планетарная передача
Корпус / Стекла
Дверь
Заднее окно
Внешняя крыша
Внутренняя крыша
Установка кабины
Пластина пола
Панели
Стеклоочиститель переднего стекла
Коврики
Передняя установка отопителя
Установка заднего отопителя
Обогреватель
Кондиционер
Кондиционер
Передняя консоль
Передняя консоль
Выключатель вперед/назад
Приборная панель
Отопитель
Пульт боковой
Пульт боковой
Приборная панель/ блок выключателей
Плата реле и предохранителей
Установка сиденья
Шасси / Боковое смещение
Капот двигателя
Аккумуляторный отсек
Аккумуляторный отсек
Передние крылья
Задние крылья / предохранение от грязи
Электрооборудование шасси
Кабель батареи
Передние фары освещения
Заднее освещение
Насос
Масляный фильтр
Охладитель
Гидравлический бак
Компановка гидрооборудования
Гидрораспределитель 3-х золотниковый WALVOIL
Гидрораспределитель 7-ти золотниковый
Гидрораспределитель с окрытым центром 3-х золотниковый WALVOIL
Гидрораспределитель с окрытым центром 7-ти золотниковый WALVOIL
Погрузчик / Рукоять / Механический
Соединения
Распорка безопасности
Управление / 7.1 Управление
Управление
Трубопроводы 3-х золотникового распределителя
Цилиндр подъема
Гидрооборудование / Цилиндр ковша
Гидрооборудование / Цилиндр ковша 7 в 1
Механизм самовыравнивания
Механизм самовыравнивания
Погрузочный ковш/стандарт
Установка ковша
Стрела
Рукоять
Механизмы поворота, смещения эксаваторного оборудования
Компоненты поворота
Гидрооборудование экскаваторное
Стабилизаторы
Стабилизаторы
Стабилизаторы, замки
Зажим
Управление стабилизаторами
Управление стабилизаторами
Управление экскаваторным оборудованием
Привод стрелы
Привод рукояти
Привод ковша
Привод ковша
Экскаваторный ковш. соединение
Ковш экскаваторный 600 мм в сборе
Ковш экскаваторный 750 мм в сборе
Крылья задние
Трос стояночного тормоза
Трос блокировки стрелы
Трос дросселирования
Цилиндр управления
Цилиндр управления
Цилиндр подъема
Цилиндр наклона ковша
Цилиндр поворота/55 диам.
Цилиндр поворота/45 диам.
Цилиндр стабилизатора
Цилиндр стрелы
Цилиндр рукояти
Цилиндр ковша
Цилиндр ковша
7 in 1 Цилиндр ковша
Рукоять стрелы - установка
Дивертер шасси
Рукава
Педаль
Зеркало
Маяк проблесковый на магните
Комлект подлокотников
Подлокотник
Рукоятка руля
Литература
Инструмент
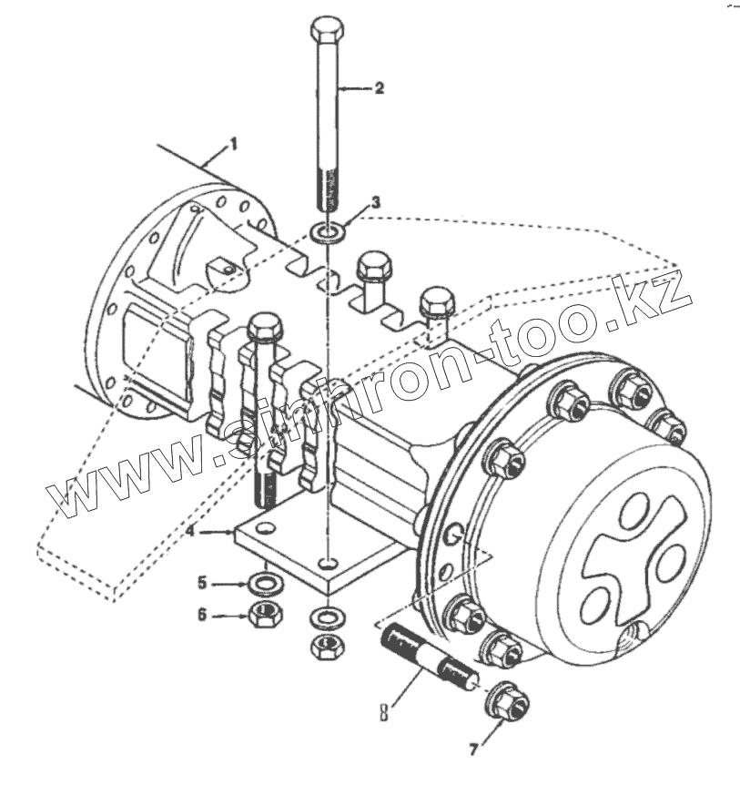
1
2
3
4
5
6
7
8
8
Позиция на иллюстрации
Заводской номер детали
Название детали
1
1K0160
Задний мост 28.43M
2
6106980M2
Болт
3
385365X1
Шайба
4
6106096M1
Прижимная пластина
5
385365X1
Шайба
6
3522225M3
Гайка
7
6106829M91
Гайка
8
6190302M1
Шпилька
8
1K0048
Шпилька
Содержащиеся в справочниках-каталогах запасные части и детали не предлагаются к продаже, а носят исключительно информационный характер
Дополнительная информация
×
Название:
Номер:
Примечание: