Вернуться на главную
Поиск
Каталоги запчастей к технике
Спецтехника
RM-Terex
TLB-815
2WD гидравлическая схема
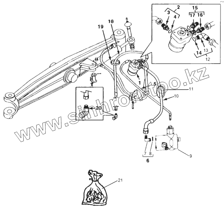
Каталог запасных частей к технике: RM-Terex TLB-815. 2WD гидравлическая схема
zoom-in
zoom-out
enlarge
shrink
circle-right
circle-left
file-text2
info
cart
Тип техники
Не выбрано
Легковые автомобили
Грузовые автомобили и прицепы
Автобусы
Сельхозтехника
Спецтехника
Двигатели
Мототехника
Марка
Не выбрано
Ammann
BOMAG
CARMIX
CASE IH
Changlin
ChengGong
Dimex
Doosan
DYNAPAC
Foton
HAMM
Hidromek
Hitachi
Hyundai
JCB
JLG
John Deere
Komatsu
LIEBHERR
LiuGong
Lonking (LongGong)
Luneng
MANITOU
Mitsuber
New Holland
PENGPU
RM-Terex
SANY
SDLG
SEM
Shantui
Shehwa HBXG
Soosan
TIGARBO
VOGELE
Volvo
WAY
WIRTGEN
XCMG
XGMA
Xiamen
YTO
Yuchai
Zoomlion
Автокран
АЗСМ
Алтайлесмаш
Амкодор
АОМЗ
Атек
АТЗ
Балканкар Рекорд
БелАЗ
Беловеж
Борекс
Брянский Арсенал
Булат
ВЭКС
ГАЗ
Геомаш
Гидромаш
Донекс
Дормаш
Дормашина
Дорэлектромаш
ДЭЗ
ЕлАЗ
ЗЗГТ
Ижнефтемаш
Канаш-электрокар
КЗКТ
ККЗ
Клевер
Клинцовский автокрановый завод
КМЗ
КМЗ 1 Мая
Ковровец
Коммаш
Кранэкс
КЭЗ
КЭМЗ
ЛЗА
МАЗ
МЗИК
МЗКМ
МЗКТ
Михневский РМЗ
МоАЗ
Мозырский МЗ
МТЗ
ОЗП
Онежец
ПАО "ТЗА"
ППС Детва
Промтрактор
ПТЗ
Раскат
СпецАгрегат
ТВЭКС
ТТМ
УВЗ
Угличмаш
УЗТМ
ХТЗ
ЧЗКМ
ЧСДМ
ЧТЗ
ЭКСКО
ЭКСМАШ
ЮрМаш
Модель
Не выбрано
CD TFC45LX hc SIDER (2013)
RT35-1 (2018)
TC-29 (2014)
TC-48 (2013)
TC-50 (2013)
TC35 (2015)
TL-260 (2009)
TL-310 (2013)
TLB-815 (2010)
TLB-825 (2018)
TLB-840 (2010)
TLB-890 (часть 1) (2013)
TLB-890 (часть 2) (2013)
TLB-990 Tier 3 (2013)
TLB840SM, TLB840PM (2013)
Схема
>
Не выбрано
Кабина - корпус, стекла
Кабина - дверь
Кабина - заднее окно
Кабина - внешняя крыша
Кабина - внутренняя крыша
Кабина - установка кабины
Кабина - пластина пола
Кабина - Ящик для инструмента
Омыватель переднего стекла
Передний пульт
Передний пульт - Выключатель вперед, назад
Передний пульт - приборная панель
Передний пульт - Блок выключателей
Пульт боковой - Приборная панель, блок выключателей
Установка сиденья
Шасси, боковое смещение
Капот двигателя, белый
Аккумуляторный отсек
Задние крылья, 2 Ведущие колеса
Задние крылья - предохранение от грязи
Двигатель
Радиатор, масляный радиатор
Топливный бак
Система всасывания
Система выпуска
Топливная система
Трансмиссия
Установка трансмиссии
Щуп КПП
Установка заднего привода
Установка заднего привода
Установка переднего привода
Насос трансмисси
Сливной фильтр
Коробка, 2 привод колес
Коробка, 4 привод колес
Входной вал, 2 привод колес
Входной вал, 4 привод колес
Обратный и главный вал
Выходной вал КПП задний
Выходной вал КПП задний
Выходной вал КПП передний
Управление скоростью
Управление скоростью
Клапан электрогидравлический
Электрогидравлический привод 4
Рычаг управления
2 ведущих колеса
Корпус, 2 ведущих колеса
Механизм дифференциала, 2 ведущих колеса
Дифференциал, 2 ведущих колеса
Дифференциал, механизм блокировки, 2 ведущих колеса (не применим для заднего моста №1К0160 (374150))
Схема тормоза, 2 ведущих колеса
Тормоза, 2 ведущих колеса
Втулка колеса
Планетарный механизм
Суппорт тормоза
Суппорт тормоза
Задние колеса 2WD/4WD
Пульт управления
Гидрооборудование
2WD гидравлическая схема
2WD гидравлическая схема, цилиндр управления
2WD / 4WD ведущие колеса и колонка
2WD Установка
Корпус, 2 Привод колес
Втулка колеса, 2 Привод колес
Втулка колеса, 2 Привод колес
4WD Machine
4WD Machine
Корпус переднего моста, 4WD Machine
4 Привод колес
Передние колеса 2WD / 4WD Machine
Коническая передача 4WD Machine
Дифференциал 4WD Machine
Ось вала 4WD Machine
Втулка колеса передняя 4WD Machine
Планетарная передача 4WD Machine
Гидравлика - Насос
Гидравлика - Масляный фильтр
Гидроразводка
Бак гидравлический
Компоновка гидрооборудования
Гидрораспределитель 2-х золотниковый WALVOIL
Гидрораспределитель 3-х золотниковый WALVOIL
Гидрораспределитель 6-ти золотниковый WALVOIL
Гидрораспределитель с открытым центром WALVOIL, 2 золотника
Гидрораспределитель с открытым центром WALVOIL, 3 золотника
Гидрораспределитель с открытым центром WALVOIL, 6 золотников
Погрузочное оборудование - погрузчик, рукоять, механический
Погрузочное оборудование - соединения
Погрузочное оборудование - распорка безопасности
Погрузочное оборудование - управление
Погрузочное оборудование - управление 7.1
Погрузочное оборудование - управление
Погрузочное оборудование - управление
Погрузочное оборудование - трубопроводы 3-х золотникового распределителя
Погрузочное оборудование - цилиндр подъема
Гидрооборудование, цилиндр ковша
Гидрооборудование, цилиндр ковша 7 в 1
Механизм самовыравнивания
Механизм самовыравнивания
Погрузочный ковш, стандарт
Установка ковша
Стрела
Рукоять
Механизмы поворота, смещения экскаваторного оборудования
Гидрооборудование экскаваторное - компоненты поворота
Гидрооборудование экскаваторное
Шасси, cтабилизаторы
Гидрооборудование экскаваторное - cтабилизаторы
Гидрооборудование экскаваторное - зажим
Управление стабилизаторами
Управление экскаваторным оборудованием
Гидрооборудование экскаваторное - стрела
Гидрооборудование экскаваторное - ковш погрузочный
Гидрооборудование экскаваторное - ковш экскаваторный
Ковш экскаваторный, соединение
Ковш экскаваторный, стандартный
Трос стояночного тормоза
Трос блокировки стрелы
Трос дросселирования
Цилиндр управления
Цилиндр управления
Цилиндр подъема
Цилиндр наклона ковша
Поворотная ось экскаватора, цилиндр поворота диаметр 55
Поворотная ось экскаватора, цилиндр поворота диаметр 45
Цилиндр стабилизатора
Цилиндр стрелы
Цилиндр погрузочного ковша
Цилиндр ковша
7 in 1 Цилиндр ковша
Телескопическая рукоять - установка
Телескопическая рукоять - гидрооборудование
Телескопическая рукоять - рычаг управления
Зеркало заднего вида
Ковш экскаваторный
Зуб ковша в сборе
Электрооборудование шасси
Электрооборудование - Пульт боковой, блок предохранителей
Кабель батареи
Передние фары освещения
Заднее освещение M/c до No. 3081
Заднее освещение M/c с No. 3082
1
2
3
4
5
6
7
8
9
10
11
12
13
14
15a
15b
16
17
18
19
20
21
Позиция на иллюстрации
Заводской номер детали
Название детали
1
1H0067
Гидроруль
2
1H0079
Штуцер с уплотнением
3
Соединитель
Соединитель
4
1H0080
Уплотнение
5
1H0062
Рукав в сборе
6
358762X91
Колено
7
358753X1
Угловой штуцер
8
831497M1
Кольцевое уплотнение
9
1H0068
Главный клапан
10
1H0099
Рукав в сборе
11
1876229M1
Кабельная стяжка
12
1H0078
Штуцер угловой в сборе
13
Штуцер
Угловой штуцер
14
831497M1
Кольцевое уплотнение
15a
1H0075
Штуцер с уплотнением
15b
1H0076
Уплотнение
16
Штуцер
Угловой штуцер
17
Уплотнение
Кольцевое уплотнение
18
6107537M91
Рукав в сборе
19
1876229M1
Кабельная стяжка
20
365233X1
Угловой штуцер
21
1810503M92
Комплект уплотнений
Содержащиеся в справочниках-каталогах запасные части и детали не предлагаются к продаже, а носят исключительно информационный характер
Дополнительная информация
×
Название:
Номер:
Примечание: