Вернуться на главную
Поиск
Каталоги запчастей к технике
Спецтехника
RM-Terex
RT35-1
In-cab heating system
Каталог запасных частей к технике: RM-Terex RT35-1. In-cab heating system
zoom-in
zoom-out
enlarge
shrink
circle-right
circle-left
file-text2
info
cart
Тип техники
Не выбрано
Легковые автомобили
Грузовые автомобили и прицепы
Автобусы
Сельхозтехника
Спецтехника
Двигатели
Мототехника
Марка
Не выбрано
Ammann
BOMAG
CARMIX
CASE IH
Changlin
ChengGong
Dimex
Doosan
DYNAPAC
Foton
HAMM
Hidromek
Hitachi
Hyundai
JCB
JLG
John Deere
Komatsu
LIEBHERR
LiuGong
Lonking (LongGong)
Luneng
MANITOU
Mitsuber
New Holland
PENGPU
RM-Terex
SANY
SDLG
SEM
Shantui
Shehwa HBXG
Soosan
TIGARBO
VOGELE
Volvo
WAY
WIRTGEN
XCMG
XGMA
Xiamen
YTO
Yuchai
Zoomlion
Автокран
АЗСМ
Алтайлесмаш
Амкодор
АОМЗ
Атек
АТЗ
Балканкар Рекорд
БелАЗ
Беловеж
Борекс
Брянский Арсенал
Булат
ВЭКС
ГАЗ
Геомаш
Гидромаш
Донекс
Дормаш
Дормашина
Дорэлектромаш
ДЭЗ
ЕлАЗ
ЗЗГТ
Ижнефтемаш
Канаш-электрокар
КЗКТ
ККЗ
Клевер
Клинцовский автокрановый завод
КМЗ
КМЗ 1 Мая
Ковровец
Коммаш
Кранэкс
КЭЗ
КЭМЗ
ЛЗА
МАЗ
МЗИК
МЗКМ
МЗКТ
Михневский РМЗ
МоАЗ
Мозырский МЗ
МТЗ
ОЗП
Онежец
ПАО "ТЗА"
ППС Детва
Промтрактор
ПТЗ
Раскат
СпецАгрегат
ТВЭКС
ТТМ
УВЗ
Угличмаш
УЗТМ
ХТЗ
ЧЗКМ
ЧСДМ
ЧТЗ
ЭКСКО
ЭКСМАШ
ЮрМаш
Модель
Не выбрано
CD TFC45LX hc SIDER (2013)
RT35-1 (2018)
TC-29 (2014)
TC-48 (2013)
TC-50 (2013)
TC35 (2015)
TL-260 (2009)
TL-310 (2013)
TLB-815 (2010)
TLB-825 (2018)
TLB-840 (2010)
TLB-890 (часть 1) (2013)
TLB-890 (часть 2) (2013)
TLB-990 Tier 3 (2013)
TLB840SM, TLB840PM (2013)
Схема
>
Не выбрано
FILTERS KIT - ENGINE QSB4.5 STAGE IIIA - TIER 3
FILTERS KIT - ENGINE QSB4.5 STAGE IV - TIER 4F
ENGINE QSB4.5 STAGE IIIA - TIER 3
ENGINE QSB4.5 STAGE IIIA - TIER 3
AIR FILTER - ENGINE QSB4.5 STAGE IIIA - TIER 3
ENGINE-PUMPS - ENGINE QSB4.5 STAGE IIIA - TIER 3
ENGINE-PUMPS - ENGINE QSB4.5 STAGE IIIA - TIER 3
MUFFLER - ENGINE QSB4.5 STAGE IIIA - TIER 3
RADIATOR - ENGINE QSB4.5 STAGE IIIA - TIER 3
FUEL HOSES
ENGINE STAGE IV - TIER 4F
ENGINE QSB4.5 STAGE IV - TIER 4F
AIR FILTER - ENGINE QSB4.5 STAGE IV - TIER 4F
ENGINE-PUMPS - ENGINE QSB4.5 STAGE IV - TIER 4F
ENGINE-PUMPS - ENGINE QSB4.5 STAGE IV - TIER 4F
MUFFLER - ENGINE QSB4.5 STAGE IV - TIER 4F
UREA-WATER HOSES KIT - ENGINE QSB4.5 STAGE IV - TIER 4F
RADIATOR - ENGINE QSB4.5 STAGE IV - TIER 4F
FUEL HOSES QSB4.5 FASE IV
T20000 TRANSMISSION
Case and rear cover group
Group turbine shaft
Group torque converter
Group forward shaft
Rear and 2nd shaft group
Reverse idler group
Group low speed shaft
3rd shaft group
Group idler shaft
Output shaft group
Charging pump group
Group valve 3 SPD
Group valve 3 SP
High and low range shift control group
Electric cab control, single lever
Group remote filter
T20000 - Kit gasket and sealing ring kit
T20000 Group auxiliary pump drive
T20000 Group pump drive
Drive plate group
CARRIER
FRONT AXLE
Front Axle
Front axle
Front axle
Front axle
REAR AXLE
Rear axle
Rear axle
Rear axle
Rear axle
Rear axle
OUTRIGGER BEAMS
HORIZONTAL STABILIZER CYLINDER ASSY WITH SENSOR
OUTRIGGERS VERTICAL CYLINDER
OUTRIGGERS ON CARRIER MOUNTING
CARRIER AND FENDERS
TRANSMISSION HEAT EXCHANGER
CARDAN SHAFTS
GROUP OF CYLINDERS BLOCK OSCILLATION
LOCKING CYLINDER
TRANSMISSION FILTER
STEERING-STABILIZERS VALVE
VALVE BLOCK
FLOW REDUCTION VALVE
VALVE BLOCK
OIL TANK
Frame front rear-view mirrors
Fuel tank
Battery compartment assembly with batteries
BONNETS
LADDER CAB SIDE
TELESCOPIC BOOM
Block "OFS" 35T capacity
Telescopic boom
Boom head
Telescopic boom extending
UPPERSTRUCTURE
Slewing ring assembly
COUNTERWEIGHT AND WINCH ASSEMBLY
HYDRAULIC SWIVEL
Hydraulic swivel joint
HYDRAULIC OIL HEAT EXCHANGER
SERVO MOVEMENT VALVE
STEERING VALVE
VALVE OIL SUPPLY
VALVE CONTROL DISTRIBUTORS
POWER STEERING
DRAIN MANIFOLD
SLEWING REDUCING GEAR
Reduction stage
Reduction stage
Intermediate flange
Gearbox body
Brake assembly
Output support
Boom and lifting cylinder assembly
Lifting cylinder
LIFTING, EXTENDING AND SLEWING DISTRIBUTOR
Lifting, extending and slewing distributor
WINCH DISTRIBUTOR
Winch distributor
In-cab components
Cab roof assembly
Installation of cab windshield wiper
Accessories on LH-side dashboard inside cab
Accessories inside the cab
Joysticks
LH joystick
RH joystick
Throttle pedal
Slewing speed adjustment
Seat
Seat
Seat
Seat
Car Radio
Cab lower guard
Distributors guard
Winch TW4 Lebus
Winch TW4 Lebus - Brake group
Winch TW4 Lebus - Press-cable kit and limit switch
Slewing gearbox
ACCESSORIES / OPTIONS
A/C VALVE
Working light
Tool box
Block 10T capacity
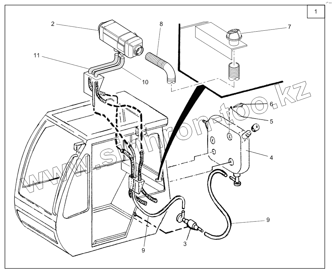
In-cab heating system
Fire extinguisher and box
Auxiliary winch and rope
Installation of tyre 16.00 R25
8m lattice extension
8m lattice extension
Air conditioned
Air conditioned
Air conditioned
Fuel pre-heating
8 mt boxed extension
Extension support
Cab heater
Encoder on electric slipring
Coolant heater starting aid
Decals
Decals
Decals
Decals
TEREX DECALS
ELECTRIC SYSTEM
HARNESSES
ENGINE STAGE IIIA TIER 3 HARNESS
ENGINE STAGE IV TIER 4F
FRONT CARRIER HARNESS
REAR CARRIER HARNESS
Headlights, tail lights, horns, buzzer, cat’s-eyes, number plate light
CARRIER RELAYS BOX
Boom electric system
STAGE 3A DASHBOARD CONTROL PANEL
STAGE 4F DASHBOARD CONTROL PANEL
Electric manifold components
Electric box on boom head
09.0682.1079 Cable reel components
09.0682.1079 Cable reel components
Electric slipring
Electric components of limiter
Electric components of limiter
Electric components of limiter
TURRET BOX HARNESS EXTENSION
SUPERSTRUCTURE UPPER HARNESS
SUPERSTRUCTURE LOWER HARNESS
ENGINE PANEL SWITCH
LH and RH joystick wiring
SUPERSTRUCTURE RELAYS BOX
CABLE
OUTRIGGERS SIDE DASHBOARD
BATTERY ASSEMBLY
PNEUMATIC SYSTEM
CARRIER PNEUMATIC SYSTEM
4 WAYS BLOCK
TANK 5 L
5-WAY PNEUMATIC VALVE
TANKS 45L KIT
AIR DRYER
AIR DRYER
Parking brake
SOLENOID VALVE
TURRET PNEUMATIC SYSTEM
MANETTINO FRENO STAZIONAM. + VALV.
PARKING SIGNALING
BRAKE PEDAL
VALVE
HYDRAULIC SYSTEM
CARRIER HYDRAULIC SYSTEM
CARRIER HYDRAULIC SYSTEM
CARRIER HYDRAULIC SYSTEM
CARRIER HYDRAULIC SYSTEM
CARRIER HYDRAULIC SYSTEM
CARRIER HYDRAULIC SYSTEM
CARRIER HYDRAULIC SYSTEM
SUPERSTRUCTURE HYDRAULIC SYSTEM
SUPERSTRUCTURE HYDRAULIC SYSTEM
SUPERSTRUCTURE HYDRAULIC SYSTEM
SUPERSTRUCTURE HYDRAULIC SYSTEM
SUPERSTRUCTURE HYDRAULIC SYSTEM
SUPERSTRUCTURE HYDRAULIC SYSTEM
SUPERSTRUCTURE HYDRAULIC SYSTEM
SUPERSTRUCTURE HYDRAULIC SYSTEM
SUPERSTRUCTURE HYDRAULIC SYSTEM
SUPERSTRUCTURE HYDRAULIC SYSTEM
1
2
3
4
5
6
7
8
9
9
10
11
Позиция на иллюстрации
Заводской номер детали
Название детали
1
08.0583.0140
HEATER
2
08.0583.1010
HEATER
3
08.0583.1011
PUMP
4
08.0583.0150
TANK
5
01.0031.0299
WASHER
6
01.0001.0254
SCREW
7
08.0583.0151
BLOWER
8
08.0583.0152
PIPE
9
08.0583.0153
PIPE
10
08.0583.0154
PIPE
11
08.0583.0155
PIPE
Содержащиеся в справочниках-каталогах запасные части и детали не предлагаются к продаже, а носят исключительно информационный характер
Дополнительная информация
×
Название:
Номер:
Примечание: