Каталог запасных частей к технике: RM-Terex CD TFC45LX hc SIDER. HYDRAULIC CIRCUIT
1
2
3
4
5
6
7
8
9
10
11
12
13
14
15
16
17
17
18
18
19
19
20
20
21
22
23
24
25
26
27
28
29
30
31
32
33
34
34
35
36
37
38
39
40
41
42
42
43
43
44
45
47
48
49
49
49
49
49
49
49
50
51
51
52
53
54
55
56
57
58
59
60
61
61
62
63
63
64
64
65
65
66
67
68
68
69
70
71
72
73
74
75
76
77
78
79
80
81
82
83
84
85
85
86
86
87
87
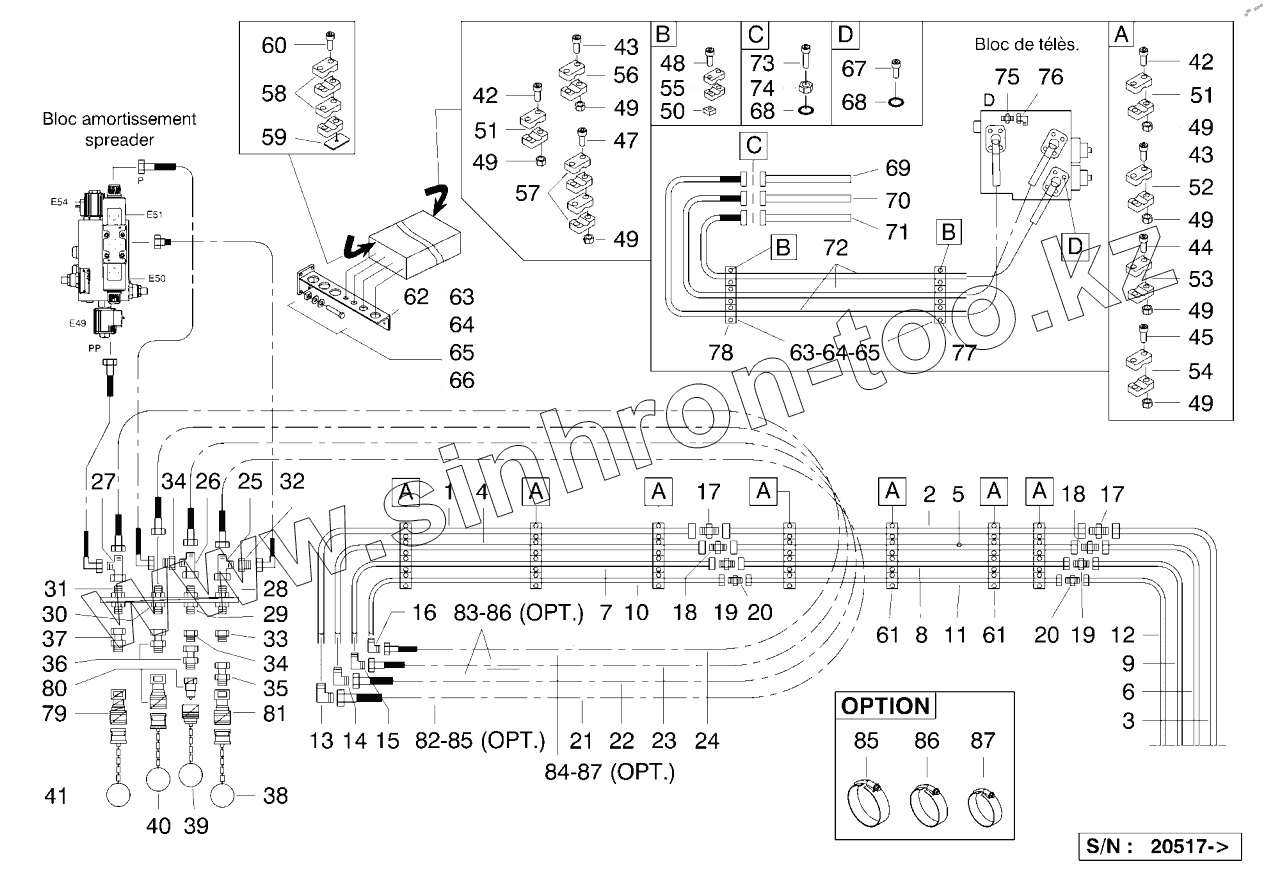
| Позиция на иллюстрации | Заводской номер детали | Название детали | |
|---|---|---|---|
| 1 | X5447847 | PIPE | |
| 2 | N7337633 | PIPE | |
| 3 | G9349161 | PIPE | |
| 4 | Z5447848 | PIPE | |
| 5 | P7337634 | PIPE | |
| 6 | H9349162 | PIPE | |
| 7 | A5447849 | PIPE | |
| 8 | R7337636 | PIPE | |
| 9 | K9349164 | PIPE | |
| 10 | B5447850 | PIPE | |
| 11 | Q7337635 | PIPE | |
| 12 | J9349163 | PIPE | |
| 13 | E0337092 | ANGLE PIECE | |
| 14 | V1837075 | ELBOW-CONNECTION | |
| 15 | W0337016 | ANGLE PIECE | |
| 16 | K0337097 | ELBOW-CONNECTION | |
| 17 | S1737574 | UNION | |
| 18 | R1737573 | UNION | |
| 19 | J0437537 | UNION | |
| 20 | B3437558 | UNION | |
| 21 | P6742256 | HOSE | |
| 22 | Q6742257 | HOSE | |
| 23 | R6742258 | HOSE | |
| 24 | S6742259 | HOSE | |
| 25 | U1137207 | T PIECE | |
| 26 | A1137235 | T PIECE | |
| 27 | F1137240 | T PIECE | |
| 28 | L7237535 | UNION | |
| 29 | S4937587 | UNION | |
| 30 | N2837568 | UNION | |
| 31 | S3737585 | UNION | |
| 32 | V2937510 | CONNECTION | |
| 33 | J7237510 | CONNECTION | |
| 34 | H7237509 | CONNECTION | |
| 35 | J4937579 | CONNECTION | |
| 36 | K2837588 | CONNECTION | |
| 37 | Q0437543 | CONNECTION | |
| 38 | P2137449 | PLUG | |
| 39 | V2137455 | PLUG | |
| 40 | N2137448 | PLUG | |
| 41 | M2137447 | PLUG | |
| 42 | C0032915 | SCREW | |
| 43 | F0032918 | SCREW | |
| 44 | H0432913 | SCREW | |
| 45 | B0032914 | SCREW | |
| 47 | Z0332901 | SCREW | |
| 48 | E0232902 | SCREW | |
| 49 | C2334548 | NUT | |
| 50 | P2034570 | NUT | |
| 51 | G4720342 | BRACKET | |
| 52 | Q4120326 | BRACKET | |
| 53 | K3020346 | FLANGE | |
| 54 | X4120379 | BRACKET | |
| 55 | B4120382 | CONNECTION | |
| 56 | P4720326 | BRACKET | |
| 57 | N7420341 | BRACKET | |
| 58 | D3020386 | BRACKET | |
| 59 | Z0327059 | PLATE | |
| 60 | Q0032651 | SCREW | |
| 61 | A6226238 | PLATE | |
| 62 | E6728424 | ANGLE IRON | |
| 63 | V0033829 | SCREW | |
| 64 | E0034711 | WASHER | |
| 65 | W0035003 | WASHER | |
| 66 | N2034569 | NUT | |
| 67 | G6232983 | SCREW | |
| 68 | D0330421 | O RING | |
| 69 | A9349040 | PIPE | |
| 70 | B9349041 | PIPE | |
| 71 | C9349042 | PIPE | |
| 72 | N5131956 | HOSE | |
| 73 | H6232984 | SCREW | |
| 74 | U0234158 | NUT | |
| 75 | H3737530 | UNION | |
| 76 | U1837005 | ANGLE PIECE | |
| 77 | Q6226229 | SUPPORT | |
| 78 | T6226255 | SUPPORT | |
| 79 | S2837572 | COUPLING | |
| 80 | T2837573 | CONNECTION | |
| 81 | U2837574 | CONNECTION | |
| 82 | G1503631 | COVER | |
| 83 | F1503630 | COVER | |
| 84 | E1503629 | COVER | |
| 85 | W0036935 | COLLAR | |
| 86 | Q0036998 | COLLAR | |
| 87 | M0036903 | COLLAR |
Содержащиеся в справочниках-каталогах запасные части и детали не предлагаются к продаже, а носят исключительно информационный характер