Вернуться на главную
Поиск
Каталоги запчастей к технике
Спецтехника
RM-Terex
CD TFC45LX hc SIDER
HYD. CIRCUIT
Каталог запасных частей к технике: RM-Terex CD TFC45LX hc SIDER. HYD. CIRCUIT
zoom-in
zoom-out
enlarge
shrink
circle-right
circle-left
file-text2
info
cart
Тип техники
Не выбрано
Легковые автомобили
Грузовые автомобили и прицепы
Автобусы
Сельхозтехника
Спецтехника
Двигатели
Мототехника
Марка
Не выбрано
Ammann
BOMAG
CARMIX
CASE IH
Changlin
ChengGong
Dimex
Doosan
DYNAPAC
Foton
HAMM
Hidromek
Hitachi
Hyundai
JCB
JLG
John Deere
Komatsu
LIEBHERR
LiuGong
Lonking (LongGong)
Luneng
MANITOU
Mitsuber
New Holland
PENGPU
RM-Terex
SANY
SDLG
SEM
Shantui
Shehwa HBXG
Soosan
TIGARBO
VOGELE
Volvo
WAY
WIRTGEN
XCMG
XGMA
Xiamen
YTO
Yuchai
Zoomlion
Автокран
АЗСМ
Алтайлесмаш
Амкодор
АОМЗ
Атек
АТЗ
Балканкар Рекорд
БелАЗ
Беловеж
Борекс
Брянский Арсенал
Булат
ВЭКС
ГАЗ
Геомаш
Гидромаш
Донекс
Дормаш
Дормашина
Дорэлектромаш
ДЭЗ
ЕлАЗ
ЗЗГТ
Ижнефтемаш
Канаш-электрокар
КЗКТ
ККЗ
Клевер
Клинцовский автокрановый завод
КМЗ
КМЗ 1 Мая
Ковровец
Коммаш
Кранэкс
КЭЗ
КЭМЗ
ЛЗА
МАЗ
МЗИК
МЗКМ
МЗКТ
Михневский РМЗ
МоАЗ
Мозырский МЗ
МТЗ
ОЗП
Онежец
ПАО "ТЗА"
ППС Детва
Промтрактор
ПТЗ
Раскат
СпецАгрегат
ТВЭКС
ТТМ
УВЗ
Угличмаш
УЗТМ
ХТЗ
ЧЗКМ
ЧСДМ
ЧТЗ
ЭКСКО
ЭКСМАШ
ЮрМаш
Модель
Не выбрано
CD TFC45LX hc SIDER (2013)
RT35-1 (2018)
TC-29 (2014)
TC-48 (2013)
TC-50 (2013)
TC35 (2015)
TL-260 (2009)
TL-310 (2013)
TLB-815 (2010)
TLB-825 (2018)
TLB-840 (2010)
TLB-890 (часть 1) (2013)
TLB-890 (часть 2) (2013)
TLB-990 Tier 3 (2013)
TLB840SM, TLB840PM (2013)
Схема
>
Не выбрано
01F-0000-040-10 BOOM JIB
HYDRAULIC CIRCUIT
HYDRAULIC CIRCUIT
ELECTRICAL EQUIPMENT
JIB SECTION
ARTICULATION + CYLINDER
FITTING THE BEARING
CABLE SUPPORT
TELESCOP. ACCESSORIES
CYLINDER ASSY
CYLINDER ASSY
SLIDING
CABLE WINDER
CABLE WINDER
LIGHTS
TELES CYLINDER VALVE
RAISING CYLINDER VALVE
SPREADER VALVE
20F-0000-022-1 SPREADER
HYD. CIRCUIT
HYD. CIRCUIT
HYD. CIRCUIT
ELECTRIC WIRE HARNES
SLEWING RING
ROTATION MODULE ONLY (OPTION)
SLEWING REDUCTION
CHASSIS-BEARING
SIDE SHIFT CYLINDER
ELECT. VALVE
ELECT. VALVE
ELECTR. VALVE
ELECTR. VALVE
REDUCER
REDUCER
20F-0000-027-0 SPREADER
HYD. CIRCUIT
HYD. CIRCUIT
HYD. CIRCUIT
ELECTRIC WIRE HARNES
SLEWING RING
ROTATION MODULE ONLY (OPTION)
SLEWING REDUCTION
PLIERS/GRAPPLE
SIDE SHIFT CYLINDER
ELECT. VALVE
ELECT. VALVE
ELECTR. VALVE
ELECTR. VALVE
REDUCER
REDUCER
80F-0000-026-0 ADHESIVE
ADHESIVE
ADHESIVE
01P-0000-063-0 CHASSIS EQUIPMENT
ELECT WIRE HARNESS
CHASSIS
COVER
FRAME
MOTOR SUPPORT
SLIPPER
LEFT BOX
LIGHTS-WINGS-MIRROR
C-WEIGHT
05P-0000-048-3 ELEC. HYD. MOVED CAB
MOVED CAB
WIRE HARNESS
HEATING-VENTILATION
INSIDE COWLING CAB
CABIN DOOR AS.
CABIN DOOR AS.
GLASS-BRUSH
SEAT
PEDAL
CONTROL PANEL-SWITCH
REAR FUSES PLATE
10P-0000-057-1 MOTOR
OIL FILTER CIRCUIT
EQUIPMENT MOTOR
EQUIPMENT MOTOR
DONALDSON EXHAUST
AIR FILTER
FUEL CIRCUIT
BATTERY
PUMP
PUMP
15P-0000-026-1 GEAR BOX
GEAR BOX ASSEMBLY
TURBINE SHAFT
INPUT SHAFT GEAR
PUMP DRIVE GROUP
WHEEL GROUP
FLEXPLATE BAND
FW-REV / 2-3rd 4th SHAFT
1ST GEAR GROUP
FORWARD SHAFT
3RD CLUTCH SHAFT
3RD SPEED GEAR
REV / 2ND SHAFT
1ST SPEED SHAFT
4TH SPEED SHAFT
1ST SHAFT AND GEAR
OUTPUT SHAFT
FILTER ASSEMBLY
PUMP ADAPTATION
CONVERTER HOUSING
TRANSMISSION CASE GR
REGULATOR VALVE
CONTROL VALVE ASSY
ASSY PUMP DRIVE SLEEVE
30P-0000-065-0 AXLE-TIPPING SAFETY
DRIVING AXLE
HYD. CIRCUIT STEERING
PLANETERY HOUSING
30P-0000-050-0 KESSLER DRIVING AXLE
DRIVING AXLE
DRIWING AXLE
DIFFERENTIAL - CARRI.
REDUCER
BRAKE
PARKING BRAKE
BRAKE CYLINDER
30P-0000-062-0 REAR OMCI AXLE
DRIVING AXLE
AXLE MOUNTING
WHEEL HUB
AXLE
35P-0000-027-0 SET OF WHEELS
WHEEL
WHEEL
WHEEL
40P-0000-032-1 U.JOINT
U. JOINT HYD PUMP - FRONT AXLE
58P-0000-012-6 HYDRAULIC EQUIPMENT
HYD. CIRCUIT
HYD. CIRCUIT
HYD. CIRCUIT
HYD. CIRCUIT
HYD. CIRCUIT
HYD. CIRCUIT
HYD. CIRCUIT
HYD. CIRCUITITALIE
HYD. CIRCUIT
HYD. CIRCUIT
VALVE AND L90LS ASSY
VALVE M402LS ASSY
BRAKE FILTER
OIL FILTER
OIL FILTER (STEERING)
BLOC POWER CONTROL
BLOC POWER CONTROL
VALVE
VALVE AND L90LS ASSY
PRIORITY VALVE
BSP CAP KIT
VALVE KIT
PORT RELIEF KIT
PILOT REDUCER KIT
BRACKET KIT
BRACKET KIT
VALVE BANK
VALVE BANK
VALVE BANK
LS VALVE BANK
VALVE BANK (HYD. COVER KIT)
VALVE BANK (ELEC. COVER KIT)
VALVE BANK (PIN KIT)
PUMP 145+75CM3 (DETAILS 145 CM3)
PUMP 145+75 CM3 (DETAILS 75 CM3)
60P-0000-039-0 HYD + DIESEL TANK
UNION + COLLECTOR
OIL + DIESEL TANK
65P-0000-026-3 COOLER
COOLER HYD. CIRCUIT
OIL GEAR BOX COOLER
WATER HYD.COOLER
TURBO AIR COOLER
WATER-AIR-OIL-COOLER
BRAKE OIL COOLER
VALVE COOLER
EXPANSION TANK
WATER-AIR-OIL COOLER
BRAKE-OIL COOLER
70P-0000-029-0 BRAKING
BRAKE HYD. CIRCUIT
CONTROL VALVE
ACCUMULATOR
80P-0000-049-0 ADHESIVE
SAFETY ADHESIVE
ADHESIVE
ADHESIVE
90P-0000-083-0 TOOL KIT OPTION
TOOL KIT
90P-0000-084-0 HYD. LIFTING JACK OPTION
HYD. LIFTING JACK
90P-0000-085-2 REAR FRONT CAMERA OPTION
REAR CAMERA OPT.
REAR CAMERA OPT.
FRONT CAMERA
90P-0000-226-0 XENON LIGHTS OPTION
XENON LIGHTS
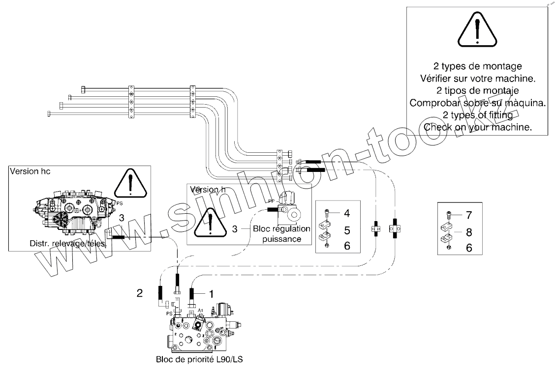
1
2
3
3
4
5
6
6
7
8
Позиция на иллюстрации
Заводской номер детали
Название детали
1
P6842237
HOSE
2
Q6842238
HOSE
3
U9331992
HOSE
4
B0032914
SCREW
5
P4720326
BRACKET
6
P2034570
NUT
7
H0432913
SCREW
8
G4720342
BRACKET
Содержащиеся в справочниках-каталогах запасные части и детали не предлагаются к продаже, а носят исключительно информационный характер
Дополнительная информация
×
Название:
Номер:
Примечание: