Каталог запасных частей к технике: Раскат ДУ-94. Валец вибрационный ДУ-94М.425.000
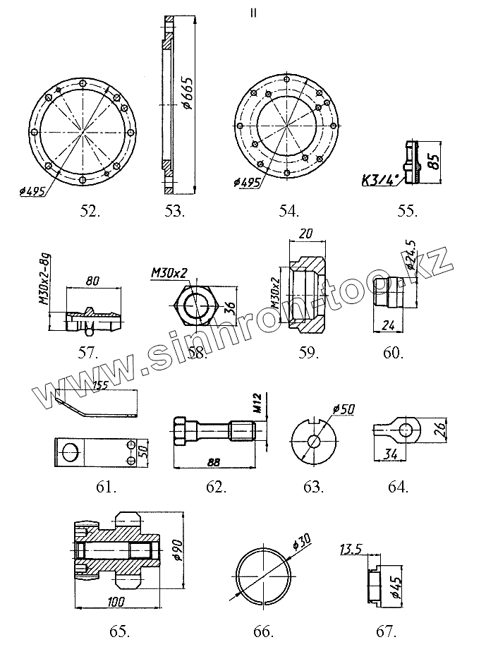
52
53
54
55
57
58
59
60
61
62
63
64
65
66
67
| Позиция на иллюстрации | Заводской номер детали | Название детали | |
|---|---|---|---|
| 52 | ДУ-84.187.066 | Прокладка | |
| 53 | ДУ-84.187.062 | Кольцо | |
| 54 | ДУ-84.187.064 | Прокладка | |
| 55 | У6710.01.02.00.087 | Ниппель | |
| 57 | ДУ-98.283.002 | Ниппель | |
| 58 | ДУ-63.126.015-05 | Гайка | |
| 59 | ДУ-63.114.037 | Гайка | |
| 60 | ДУ-63.114.038 | Заглушка | |
| 61 | ДУ-84.187.042 | Кронштейн | |
| 62 | ДМ-30.00.036-02 | Болт | |
| 63 | ДУ-52.03.01.145 | Шайба | |
| 64 | ДУ-52.03.01.172 | Шайба | |
| 65 | ДУ-63.103.351 | Втулка зубчатая | |
| 66 | ДМ-30.00.091 | Кольцо стопорное | |
| 67 | ДМ-30.00.089 | Вкладыш |
Содержащиеся в справочниках-каталогах запасные части и детали не предлагаются к продаже, а носят исключительно информационный характер