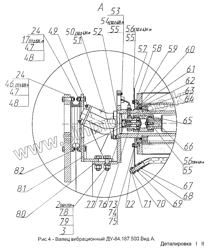
Каталог запасных частей к технике: Раскат ДУ-84. Валец вибрационный ДУ-84.187.500
2
3
17
24
24
46
47
47
48
48
49
50
51
52
53
54
55
55
55
56
56
57
58
59
60
61
62
63
64
65
66
67
68
69
70
71
72
73
74
75
76
77
78
79
80
81
82
| Позиция на иллюстрации | Заводской номер детали | Название детали | |
|---|---|---|---|
| 2 | [Болт М24-8gх70.58.019 ГОСТ5927] | Болт М24-8gх70.58.019 ГОСТ5927 | |
| 3 | [Шайба 24.65Г.0121 ГОСТ6402] | Шайба 24.65Г.0121 ГОСТ6402 | |
| 17 | ДМ-20.03.001-01 | Болт | |
| 24 | ДМ-14.03.001-05 | Гайка | |
| 46 | ДМ-20.03.001-05 | Болт | |
| 47 | ДУ-58.03.11.188 | Планка | |
| 48 | ДУ-58.03.11.203 | Планка | |
| 49 | [Гидромотор 310.3.56.00.006 ТУ-22-1.020-100-95] | Гидромотор 310.3.56.00.006 ТУ-22-1.020-100-95 | |
| 50 | ДМ-55.01.008 | Болт | |
| 51 | [Шайба 14.65Г.0121 ГОСТ6402] | Шайба 14.65Г.0121 ГОСТ6402 | |
| 52 | ДУ-63.103.015 | Прокладка | |
| 53 | ДМ-48.00.058 | Кожух | |
| 54 | [Болт М20-8gх30.58.019 ГОСТ7798] | Болт М20-8gх30.58.019 ГОСТ7798 | |
| 55 | [Шайба 12.65Г.0121 ГОСТ6402] | Шайба 12.65Г.0121 ГОСТ6402 | |
| 56 | [Болт М12-7Н.5.019 ГОСТ7798] | Болт М12-7Н.5.019 ГОСТ7798 | |
| 57 | ДУ-84.187.065 | Указатель | |
| 58 | ДУ-84.187.190 | Ступица | |
| 59 | ДУ-84.187.044 | Прокладка | |
| 60 | ДМ-55.16.001 | Кольцо войлочное | |
| 61 | ДУ-84.187.147 | Крышка | |
| 62 | [Манжета 2.1-170х200-1 ГОСТ8752] | Манжета 2.1-170х200-1 ГОСТ8752 | |
| 63 | [Подшипник 130 ГОСТ8338] | Подшипник 130 ГОСТ8338 | |
| 64 | ДМ-05.03.001-07 | Кольцо | |
| 65 | ДУ-52.03.01.177 | Втулка зубчатая | |
| 66 | ДУ-52.03.01.156 | Втулка зубчатая | |
| 67 | [Хомут АВА Nоvа 26-38] | Хомут АВА Nоvа 26-38 | |
| 68 | ДУ-98.283.002 | Ниппель | |
| 69 | ДУ-63.126.015-05 | Гайка | |
| 70 | ДУ-63.114.037 | Гайка | |
| 71 | ДУ-63.114.038 | Заглушка | |
| 72 | ДУ-84.187.042 | Кронштейн | |
| 73 | [Болт М12-8gх70.58.019 ГОСТ7798] | Болт М12-8gх70.58.019 ГОСТ7798 | |
| 74 | ДУ-52.03.01.145 | Шайба | |
| 75 | ДУ-52.03.01.172 | Шайба | |
| 76 | ДУ-63.103.351 | Втулка зубчатая | |
| 77 | ДМ-30.00.091 | Кольцо стопорное | |
| 78 | [Гайка М24-7Н.5.019 ГОСТ5927] | Гайка М24-7Н.5.019 ГОСТ5927 | |
| 79 | [Шайба А.24.02.0121 ГОСТ11371] | Шайба А.24.02.0121 ГОСТ11371 | |
| 80 | ДУ-84.187.330 | Кронштейн | |
| 81 | ДУ-84.187.120 | Кронштейн | |
| 82 | ДМ-30.00.089 | Вкладыш |
Содержащиеся в справочниках-каталогах запасные части и детали не предлагаются к продаже, а носят исключительно информационный характер