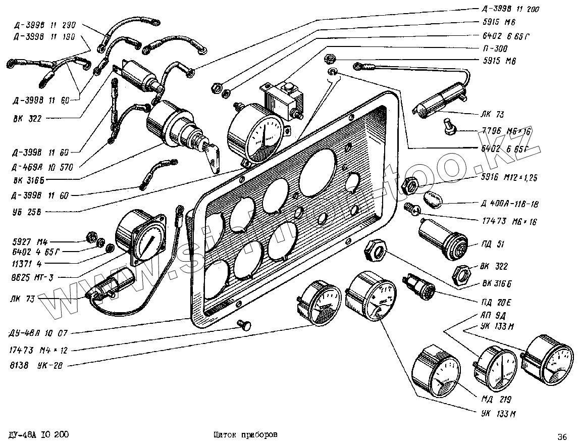
Каталог запасных частей к технике: Раскат ДУ-48Б. Щиток приборов ДУ-48А 10 200
П-300
ПД 51
6402 6 65Г
6402 6 65Г
6402 4 65Г
11371 4
ЛК 73
ЛК 73
УБ 25В
УК 133М
УК 133М
8138 УК-28
Д-469А 10 570
Д-399В 11 290
Д-399В 11 190
Д-399В 11 200
Д-399В 11 60
Д-399В 11 60
Д-399В 11 60
АП 9Д
ДУ-48А 10 07
Д-400А 116 18
МД 219
8625 МТ 3
ПД 20Е
5916 М12х1,25
5927 М4
5915 М6
5915 М6
ВК 322
ВК 316Б
ВК 316Б
ВК 316Б
17473 М6х16
17473 М4х12
7796 М6х16
| Позиция на иллюстрации | Заводской номер детали | Название детали | |
|---|---|---|---|
| П-300 | П-300 | Переключатель | |
| ПД 51 | ПД 51 | Элемент контрольный | |
| 6402 6 65Г | 6402 6 65Г | Шайба | |
| 6402 4 65Г | 6402 4 65Г | Шайба | |
| 11371 4 | 11371 4 | Шайба | |
| ЛК 73 | ЛК 73 | Фонарь освещения | |
| УБ 25В | УБ 25В | Указатель уровня топлива | |
| УК 133М | УК 133М | Указатель температуры масла | |
| 8138 УК-28 | 8138 УК-28 | Указатель давления масла | |
| Д-469А 10 570 | Д-469А 10 570 | Провод | |
| Д-399В 11 290 | Д-399В 11 290 | Провод | |
| Д-399В 11 190 | Д-399В 11 190 | Провод | |
| Д-399В 11 200 | Д-399В 11 200 | Провод | |
| Д-399В 11 60 | Д-399В 11 60 | Провод | |
| АП 9Д | АП 9Д | Амперметр | |
| ДУ-48А 10 07 | ДУ-48А 10 07 | Панель | |
| Д-400А 116 18 | Д-400А 116 18 | Наконечник переключателя | |
| МД 219 | МД 219 | Манометр | |
| 8625 МТ 3 | 8625 МТ 3 | Манометр | |
| ПД 20Е | ПД 20Е | Лампа контрольная | |
| 5916 М12х1,25 | 5916 М12х1,25 | Гайка | |
| 5927 М4 | 5927 М4 | Гайка | |
| 5915 М6 | 5915 М6 | Гайка | |
| ВК 322 | ВК 322 | Выключатель кнопочный | |
| ВК 316Б | ВК 316Б | Включатель стартера | |
| 17473 М6х16 | 17473 М6х16 | Винт | |
| 17473 М4х12 | 17473 М4х12 | Винт | |
| 7796 М6х16 | 7796 М6х16 | Болт |
Содержащиеся в справочниках-каталогах запасные части и детали не предлагаются к продаже, а носят исключительно информационный характер