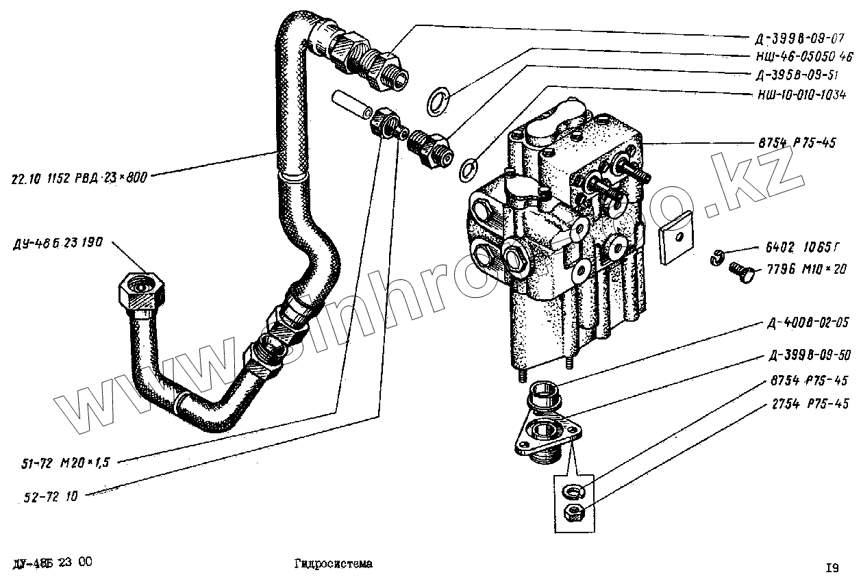
Каталог запасных частей к технике: Раскат ДУ-48Б. Гидросистема ДУ-48Б 23 00
7796 М10х20
2754 Р75-45
51-72 М20Х1.5
Д-400В 02 05
52-72 10
НШ 10 010 1034
НШ 46 0505046 46
8754 Р75-45
8754 Р75-45
22.10 1152 РВД 23х800
ДУ-48Б 23 190
Д-399В 09 50
6402 10 65Г
Д-399В 09 51
Д-399В 09 07
| Позиция на иллюстрации | Заводской номер детали | Название детали | |
|---|---|---|---|
| 7796 М10х20 | 7796 М10х20 | Болт | |
| 2754 Р75-45 | 2754 Р75-45 | Гайка | |
| 51-72 М20Х1.5 | 51-72 М20Х1.5 | Гайка накидная | |
| Д-400В 02 05 | Д-400В 02 05 | Кольцо | |
| 52-72 10 | 52-72 10 | Кольцо | |
| НШ 10 010 1034 | НШ 10 010 1034 | Кольцо уплотнительное | |
| НШ 46 0505046 46 | НШ 46 0505046 46 | Кольцо уплотнительное | |
| 8754 Р75-45 | 8754 Р75-45 | Распределитель | |
| 22.10 1152 РВД 23х800 | 22.10 1152 РВД 23х800 | Рукав резиновый | |
| ДУ-48Б 23 190 | ДУ-48Б 23 190 | Трубопровод | |
| Д-399В 09 50 | Д-399В 09 50 | Фланец | |
| 6402 10 65Г | 6402 10 65Г | Шайба | |
| Д-399В 09 51 | Д-399В 09 51 | Штуцер | |
| Д-399В 09 07 | Д-399В 09 07 | Штуцер |
Содержащиеся в справочниках-каталогах запасные части и детали не предлагаются к продаже, а носят исключительно информационный характер