Вернуться на главную
Поиск
Каталоги запчастей к технике
Спецтехника
Раскат
ДУ-48Б
Электрооборудование ДУ-48Б 30 00
Каталог запасных частей к технике: Раскат ДУ-48Б. Электрооборудование ДУ-48Б 30 00
zoom-in
zoom-out
enlarge
shrink
circle-right
circle-left
file-text2
info
cart
Тип техники
Не выбрано
Легковые автомобили
Грузовые автомобили и прицепы
Автобусы
Сельхозтехника
Спецтехника
Двигатели
Мототехника
Марка
Не выбрано
Ammann
BOMAG
CARMIX
CASE IH
Changlin
ChengGong
Dimex
Doosan
DYNAPAC
Foton
HAMM
Hidromek
Hitachi
Hyundai
JCB
JLG
John Deere
Komatsu
LIEBHERR
LiuGong
Lonking (LongGong)
Luneng
MANITOU
Mitsuber
New Holland
PENGPU
RM-Terex
SANY
SDLG
SEM
Shantui
Shehwa HBXG
Soosan
TIGARBO
VOGELE
Volvo
WAY
WIRTGEN
XCMG
XGMA
Xiamen
YTO
Yuchai
Zoomlion
Автокран
АЗСМ
Алтайлесмаш
Амкодор
АОМЗ
Атек
АТЗ
Балканкар Рекорд
БелАЗ
Беловеж
Борекс
Брянский Арсенал
Булат
ВЭКС
ГАЗ
Геомаш
Гидромаш
Донекс
Дормаш
Дормашина
Дорэлектромаш
ДЭЗ
ЕлАЗ
ЗЗГТ
Ижнефтемаш
Канаш-электрокар
КЗКТ
ККЗ
Клевер
Клинцовский автокрановый завод
КМЗ
КМЗ 1 Мая
Ковровец
Коммаш
Кранэкс
КЭЗ
КЭМЗ
ЛЗА
МАЗ
МЗИК
МЗКМ
МЗКТ
Михневский РМЗ
МоАЗ
Мозырский МЗ
МТЗ
ОЗП
Онежец
ПАО "ТЗА"
ППС Детва
Промтрактор
ПТЗ
Раскат
СпецАгрегат
ТВЭКС
ТТМ
УВЗ
Угличмаш
УЗТМ
ХТЗ
ЧЗКМ
ЧСДМ
ЧТЗ
ЭКСКО
ЭКСМАШ
ЮрМаш
Модель
Не выбрано
RV-1.5 (1.7/2.0/2.2/2.4)-DD-01 (2010)
ДУ-100 (2003)
ДУ-101 (2003)
ДУ-47Б
ДУ-48Б
ДУ-82 (2005)
ДУ-84 (2005)
ДУ-85 (2005)
ДУ-94 (2005)
ДУ-96 (2006)
ДУ-97 (2005)
ДУ-98 (2003)
ДУ-98, 99, 100 (доп.) (2007)
ДУ-99 (2003)
Схема
>
Не выбрано
Установка тента ДУ-47А 10 00
Рама ДУ-48Б 21 00, обшивка ДУ-48Б 24 00
Рама ДУ-48Б 21 00, обшивка ДУ-48Б 24 00
Установка двигателя, коробки передач и редуктора ДУ-48Б 22 00
Установка двигателя, коробки передач и редуктора ДУ-48Б 22 00
Установка двигателя, коробки передач и редуктора ДУ-48Б 22 00
Система топливная ДУ-48Б 25 00
Вал карданный ПНР-560/800
Редуктор конический с тормозом ДУ-48А 18 00а
Редуктор конический с тормозом ДУ-48А 18 00а
Редуктор конический с тормозом ДУ-48А 18 00а
Редуктор конический с тормозом ДУ-48А 18 00а
Редуктор конический с тормозом ДУ-48А 18 00а
Валец ведущий Д-211В 03 00а
Валец направляющий ДУ-47А 02 00
Валец направляющий ДУ-47А 02 00
Рычаги управления ДУ-48Б 29 00
Рычаги управления ДУ-48Б 29 00
Рычаги управления ДУ-48Б 29 00
Рычаги управления ДУ-48Б 29 00
Рычаги управления ДУ-48Б 29 00
Гидросхема управления катком ДУ-48Б 00 00 ГЗ
Гидроцилиндр поворота вальцов ДУ-48Б 11 70
Гидроцилиндр тормоза ДУ-48А 14 370
Электрооборудование ДУ-48Б 30 00
Электрооборудование ДУ-48Б 30 00
Электрооборудование ДУ-48Б 30 00
Электрооборудование ДУ-48Б 30 00
Щиток приборов ДУ-48А 10 200
Гидросистема ДУ-48Б 23 00
Гидросистема ДУ-48Б 23 00
Гидросистема ДУ-48Б 23 00
Гидросистема ДУ-48Б 23 00
Гидросистема ДУ-48Б 23 00
Клапан ДУ-48 13 110, клапан ДУ-48Б 23 300
Бак гидравлики ДУ-48Б 23 10
Скребки и устройство смачивающее ДУ-48Б 27 20А
Скребки и устройство смачивающее ДУ-48Б 27 20А
Скребки и устройство смачивающее ДУ-48Б 27 20А
Инструмент ДУ-48Б 00 00 ЗИ
Каток дорожный самоходный статический с гладкими вальцами ДУ-48Б 00 00
Подшипники
Схема расположения подшипников ДУ-48Б 00 00
Болты, винты
Гайки
Гайки
Кольца, масленки
Пробки, рым-болты
Шплинты, шурупы, шайбы
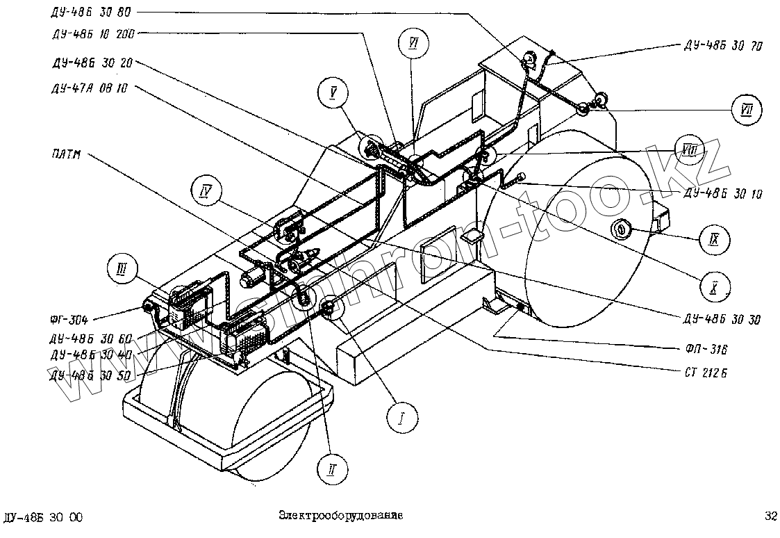
ДУ-48Б 30 20
ДУ-48Б 30 30
ПЛТМ
ФП316
ДУ-48Б 30 40
ДУ-48Б 30 50
ДУ-48Б 30 60
ДУ-48Б 30 70
ДУ-48Б 30 80
СТ 212Б
ДУ-47А 08 10
ДУ-48Б 30 10
ФГ 304
ДУ-48Б 10 200
Позиция на иллюстрации
Заводской номер детали
Название детали
ДУ-48Б 30 20
ДУ-48Б 30 20
Жгут
ДУ-48Б 30 30
ДУ-48Б 30 30
Жгут
ПЛТМ
ПЛТМ
Лампа переносная
ФП316
ФП316
Отражатель
ДУ-48Б 30 40
ДУ-48Б 30 40
Провод
ДУ-48Б 30 50
ДУ-48Б 30 50
Провод
ДУ-48Б 30 60
ДУ-48Б 30 60
Провод
ДУ-48Б 30 70
ДУ-48Б 30 70
Провод
ДУ-48Б 30 80
ДУ-48Б 30 80
Провод
СТ 212Б
СТ 212Б
Стартер
ФГ 212Б
ФГ 212Б
Стартер
ДУ-47А 08 10
ДУ-47А 08 10
Трубка
ДУ-48Б 30 10
ДУ-48Б 30 10
Трубка
ФГ 304
ФГ 304
Фара
ДУ-48Б 10 200
ДУ-48Б 10 200
Щиток приборов
Содержащиеся в справочниках-каталогах запасные части и детали не предлагаются к продаже, а носят исключительно информационный характер
Дополнительная информация
×
Название:
Номер:
Примечание: