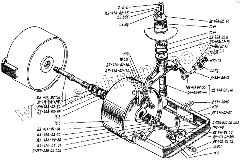
Каталог запасных частей к технике: Раскат ДУ-47Б. Валец направлявший ДУ-47А-02-00В
ДУ-47А-02-59
Д-484-07-13
ДУ-47А-02-58
Д-634-06-15
7518
7518
7524
7524
ДУ-47А-02-150
2-0-С
ДУ-47А-02-50А
ДУ-47А-02-62
1.2.Кg
1.2.Кg
Шайба [10.65Г]
Шайба [10.65Г]
Шайба [16.65Г]
Шайба [20.65Г]
Шайба [ДУ-47А-02-43]
Шайба замковая [Д-260-030-00-009]
Шайба опорная [Д-260-030-00-008]
Шайба регулировочная [Д-211-НД-1200]
ДУ-47А-02-44
Гайка [М10]
Болт [ДУ-47А-03-25]
Болт [М10х25]
Болт [М16х40]
ДУ-47А-02-10А
ДУ-47А-02-140
ДУ-47А-02-55
Д-634-06-16
ДУ-47А-02-61
Болт [ДУ-47А-02-46]
Гайка [М16]
Гайка [М20]
ДУ-49А-02-11
ДУ-49А-03-05
ДУ-49А-03-05
ДУ-47А-02-56
ДУ-48А-02-60
ДУ-48А-02-70
ДУ-48А-02-80
| Позиция на иллюстрации | Заводской номер детали | Название детали | |
|---|---|---|---|
| ДУ-47А-02-59 | ДУ-47А-02-59 | Цапфа | |
| Д-484-07-13 | Д-484-07-13 | Оседержатель | |
| ДУ-47А-02-58 | ДУ-47А-02-58 | Ось | |
| Д-634-06-15 | Д-634-06-15 | Палец | |
| 7518 | 7518 | Подшипник | |
| 7524 | 7524 | Подшипник | |
| ДУ-47А-02-150 | ДУ-47А-02-150 | Прижим | |
| 2-0-С | 2-0-С | Проволока | |
| ДУ-47А-02-50А | ДУ-47А-02-50А | Рамка | |
| ДУ-47А-02-62 | ДУ-47А-02-62 | Стопор | |
| 1.2.Кg | 1.2.Кg | Масленка | |
| Шайба [10.65Г] | Шайба [10.65Г] | Шайба | |
| Шайба [16.65Г] | Шайба [16.65Г] | Шайба | |
| Шайба [20.65Г] | Шайба [20.65Г] | Шайба | |
| Шайба [ДУ-47А-02-43] | Шайба [ДУ-47А-02-43] | Шайба | |
| Шайба замковая [Д-260-030-00-009] | Шайба замковая [Д-260-030-00-009] | Шайба замковая | |
| Шайба опорная [Д-260-030-00-008] | Шайба опорная [Д-260-030-00-008] | Шайба опорная | |
| Шайба регулировочная [Д-211-НД-1200] | Шайба регулировочная [Д-211-НД-1200] | Шайба регулировочная | |
| ДУ-47А-02-44 | ДУ-47А-02-44 | Шкворень | |
| Гайка [М10] | Гайка [М10] | Гайка | |
| Болт [ДУ-47А-03-25] | Болт [ДУ-47А-03-25] | Болт | |
| Болт [М10х25] | Болт [М10х25] | Болт | |
| Болт [М16х40] | Болт [М16х40] | Болт | |
| ДУ-47А-02-10А | ДУ-47А-02-10А | Валец | |
| ДУ-47А-02-140 | ДУ-47А-02-140 | Вилка | |
| ДУ-47А-02-55 | ДУ-47А-02-55 | Вилка | |
| Д-634-06-16 | Д-634-06-16 | Втулка | |
| ДУ-47А-02-61 | ДУ-47А-02-61 | Втулка | |
| Болт [ДУ-47А-02-46] | Болт [ДУ-47А-02-46] | Болт | |
| Гайка [М16] | Гайка [М16] | Гайка | |
| Гайка [М20] | Гайка [М20] | Гайка | |
| ДУ-49А-02-11 | ДУ-49А-02-11 | Кольцо | |
| ДУ-49А-03-05 | ДУ-49А-03-05 | Кольцо | |
| ДУ-47А-02-56 | ДУ-47А-02-56 | Крышка | |
| ДУ-48А-02-60 | ДУ-48А-02-60 | Крышка | |
| ДУ-48А-02-70 | ДУ-48А-02-70 | Крышка | |
| ДУ-48А-02-80 | ДУ-48А-02-80 | Крышка |
Содержащиеся в справочниках-каталогах запасные части и детали не предлагаются к продаже, а носят исключительно информационный характер