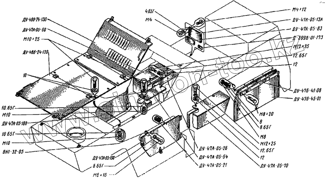
Каталог запасных частей к технике: Раскат ДУ-47Б. Обшивка рамы ДУ-47Б-45-00
ДУ-48Б-24-120
Шайба [8.65Г]
Шайба [8]
Шайба [6.65Г]
Шайба [4.65Г]
Шайба [12.65Г]
Шайба [12.65Г]
Шайба [12]
Шайба [12]
Шайба [10.65Г]
Шайба [10.65Г]
Шайба [10]
ДУ-47А-05-13А
ДУ-47А-05-83
Д-399В-01-173
ДУ-47Б-41-08
БН1-32-05
ДУ-48Б-24-130
Болт [М10х25]
ДУ-47А-05-54
ДУ-47А-05-60
ДУ-47А-05-70
ДУ-47А-05-26
ДУ-47Б-45-01
ДУ-47А-05-180
ДУ-47А-05-190
Гайка [М8]
Гайка [М4]
Гайка [М10]
Гайка [М10]
Винт [М6х16]
Винт [М4х12]
ДУ-47А-05-21
Болт [М12х25]
Болт [М12х25]
| Позиция на иллюстрации | Заводской номер детали | Название детали | |
|---|---|---|---|
| ДУ-48Б-24-120 | ДУ-48Б-24-120 | Крышка | |
| Шайба [8.65Г] | Шайба [8.65Г] | Шайба | |
| Шайба [8] | Шайба [8] | Шайба | |
| Шайба [6.65Г] | Шайба [6.65Г] | Шайба | |
| Шайба [4.65Г] | Шайба [4.65Г] | Шайба | |
| Шайба [12.65Г] | Шайба [12.65Г] | Шайба | |
| Шайба [12] | Шайба [12] | Шайба | |
| Шайба [10.65Г] | Шайба [10.65Г] | Шайба | |
| Шайба [10] | Шайба [10] | Шайба | |
| ДУ-47А-05-13А | ДУ-47А-05-13А | Таблица смазки | |
| ДУ-47А-05-83 | ДУ-47А-05-83 | Схема рычагов управления | |
| Д-399В-01-173 | Д-399В-01-173 | Пластина | |
| ДУ-47Б-41-08 | ДУ-47Б-41-08 | Планка | |
| БН1-32-05 | БН1-32-05 | Крючок | |
| ДУ-48Б-24-130 | ДУ-48Б-24-130 | Крышка | |
| Болт [М10х25] | Болт [М10х25] | Болт | |
| ДУ-47А-05-54 | ДУ-47А-05-54 | Крышка | |
| ДУ-47А-05-60 | ДУ-47А-05-60 | Кожух правый | |
| ДУ-47А-05-70 | ДУ-47А-05-70 | Кожух левый | |
| ДУ-47А-05-26 | ДУ-47А-05-26 | Кожух | |
| ДУ-47Б-45-01 | ДУ-47Б-45-01 | Защитный кожух | |
| ДУ-47А-05-180 | ДУ-47А-05-180 | Дверка правая | |
| ДУ-47А-05-190 | ДУ-47А-05-190 | Дверка левая | |
| Гайка [М8] | Гайка [М8] | Гайка | |
| Гайка [М4] | Гайка [М4] | Гайка | |
| Гайка [М10] | Гайка [М10] | Гайка | |
| Винт [М6х16] | Винт [М6х16] | Винт | |
| Винт [М4х12] | Винт [М4х12] | Винт | |
| ДУ-47А-05-21 | ДУ-47А-05-21 | Буфер | |
| Болт [М12х25] | Болт [М12х25] | Болт |
Содержащиеся в справочниках-каталогах запасные части и детали не предлагаются к продаже, а носят исключительно информационный характер