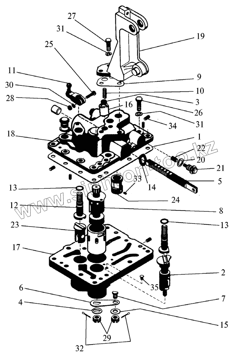
Каталог запасных частей к технике: ПТЗ К-703МА-12 / К-703М-12. Механизм переключения передач
1
2
3
4
5
6
7
8
9
10
11
12
13
13
14
15
16
17
18
19
20
21
22
23
24
25
26
27
28
29
30
31
31
32
33
34
35
| Позиция на иллюстрации | Заводской номер детали | Название детали | |
|---|---|---|---|
| 1 | 700А.1702026-2 | Прокладка | |
| 2 | 700.1702022 | Поводок | |
| 3 | Б9,525-100 | Шарик | |
| 4 | 700А.1702035-1 | Шайба | |
| 5 | 744Р-1702036 | Рейка | |
| 6 | 700А.1702037-2 | Защелка | |
| 7 | 700А.1702038-1 | Упор | |
| 8 | 744Р-1702030 | Золотник | |
| 9 | 744-1702012 | Прокладка | |
| 10 | 700А.1702049 | Пружина | |
| 11 | 700.1702040-1 | Рычаг | |
| 12 | 700.1702022 | Поводок | |
| 13 | 014-018-25-1-3 | Кольцо | |
| 14 | 014-022-25-1-3 | Кольцо | |
| 15 | 700А.1702035 | Шайба | |
| 16 | 744Р-1702011 | Гильза | |
| 17 | 744Р-1702010 | Корпус | |
| 18 | 744Р-1702020 | Крышка | |
| 19 | 2256010-1702010-1 | Кронштейн | |
| 20 | 700.1704039-1 | Прокладка | |
| 21 | 700А.1702024 | Пробка | |
| 22 | 700А.1702028 | Золотник | |
| 23 | 700А.1702032-3 | Золотник | |
| 24 | 700А.1702045-2 | Пробка | |
| 25 | М8х30 | Болт | |
| 26 | М10х25 | Болт | |
| 27 | БолтМ10х30 | Болт | |
| 28 | М8 | Гайка | |
| 29 | ГайкаМ10 | Гайка | |
| 30 | 8.65Г.05 | Шайба | |
| 31 | 10.65Г.05 | Шайба | |
| 32 | 2,5х16.016 | Шплинт | |
| 33 | 4u8х8 | Штифт | |
| 34 | 8u8х18 | Штифт | |
| 35 | 700А.1702048 | Упор |
Содержащиеся в справочниках-каталогах запасные части и детали не предлагаются к продаже, а носят исключительно информационный характер