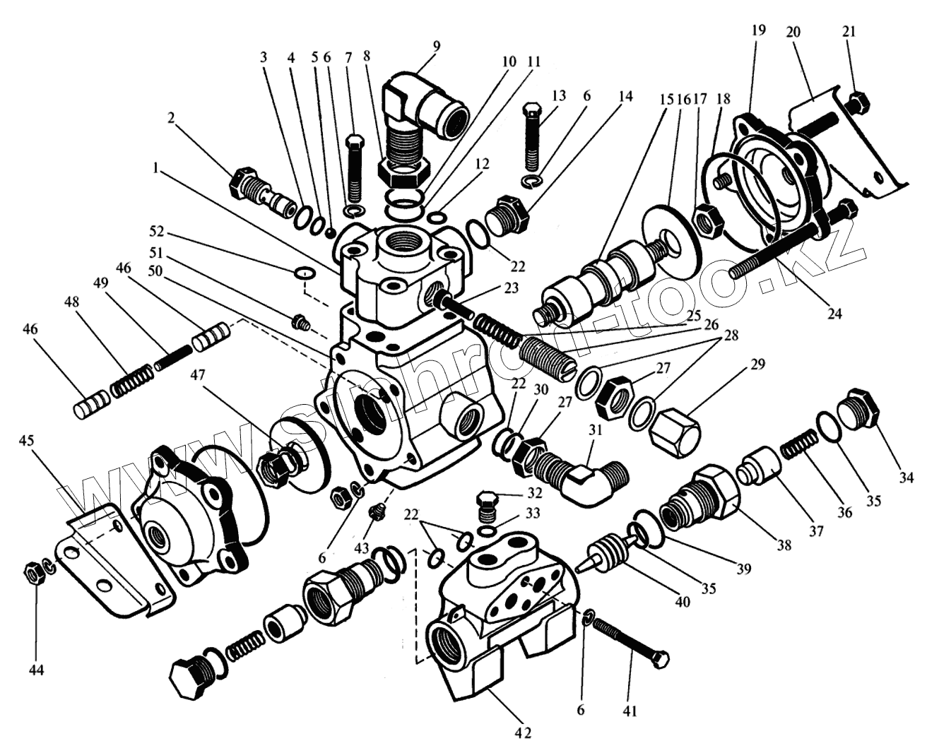
Каталог запасных частей к технике: ПТЗ К-703МА-12 / К-703М-12. Гидрораспределитель
1
2
3
4
5
6
6
6
6
7
8
9
10
11
12
13
14
15
16
17
18
19
20
21
22
22
22
23
24
25
26
27
27
28
29
30
31
32
33
34
35
35
36
37
38
39
40
41
42
43
44
45
46
46
47
48
49
50
51
52
| Позиция на иллюстрации | Заводской номер детали | Название детали | |
|---|---|---|---|
| 1 | 700А.3422035 | Корпус | |
| 2 | 2256010-3416018 | Седло | |
| 3 | 020-025-30-1-3 | Кольцо | |
| 4 | 014-018-25-1-3 | Кольцо | |
| 5 | Б12,7-100 | Шарик | |
| 6 | 12.65Г | Шайба | |
| 7 | М12х65 | Болт | |
| 8 | 700.4611061 | Гайка | |
| 9 | 700А.3422037-1 | Угольник | |
| 10 | 700А.3422064-01 | Кольцо | |
| 11 | 700А.3422067-02 | Кольцо уплотнительное | |
| 12 | 018-022-25-1-3 | Кольцо | |
| 13 | 3М12х65 | Болт | |
| 14 | 700.3422041 | Пробка | |
| 15 | 2256010-3416013 | Золотник | |
| 16 | 2256010-3416026 | Шайба золотника | |
| 17 | М20х1,5 | Гайка | |
| 18 | 104-110-36-1-3 | Кольцо | |
| 19 | 2256010-3416011-1 | Крышка | |
| 20 | 2256010-3416023 | Кронштейн | |
| 21 | М12х180 | Болт | |
| 22 | 022-028-36-1-3 | Кольцо | |
| 23 | 700.3422039 | Направляющая | |
| 24 | М12х160 | Болт | |
| 25 | 700.3422016 | Пружина | |
| 26 | 700А.3422015 | Винт регулировочный | |
| 27 | 700А.3422065 | Гайка | |
| 28 | 700.3422042 | Прокладка | |
| 29 | 700.3422043 | Колпачок | |
| 30 | 700А.3422064 | Кольцо | |
| 31 | 700А.3422014 | Угольник | |
| 32 | 700А.3422023 | Пробка | |
| 33 | 015-019-25-1-3 | Кольцо | |
| 34 | 700.3429062 | Пробка | |
| 35 | 700А.3422067-01 | Кольцо | |
| 36 | 700.4619027 | Пружина | |
| 37 | 700.3429061 | Клапан | |
| 38 | 700А.3422019 | Корпус клапана | |
| 39 | 700А.3422067-03 | Кольцо | |
| 40 | 700А.3422022 | Толкатель | |
| 41 | М12х90 | Болт | |
| 42 | 700А.3422021 | Коробка клапанная | |
| 43 | КГ1/8 | Пробка | |
| 44 | М12 | Гайка | |
| 45 | 2256010-3416022 | Кронштейн | |
| 46 | 2256010-3416014-1 | Плунжер | |
| 47 | 20.65Г.05 | Шайба | |
| 48 | 2256010-3416025 | Пружина | |
| 49 | 2256010-3416024 | Упор | |
| 50 | 2256010-3416012-1 | Корпус золотника | |
| 51 | КГ3/8 | Пробка | |
| 52 | 024-030-36-1-3 | Кольцо |
Содержащиеся в справочниках-каталогах запасные части и детали не предлагаются к продаже, а носят исключительно информационный характер