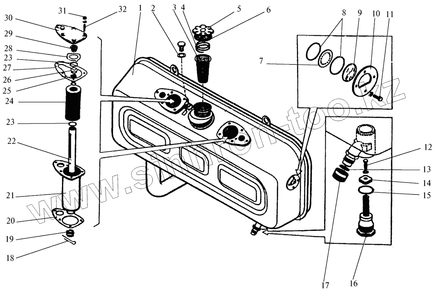
Каталог запасных частей к технике: ПТЗ К-703МА-12 / К-703М-12. Гидробак
1
2
3
4
5
6
7
8
9
10
11
12
13
14
15
16
17
18
19
20
21
22
23
23
24
25
26
27
28
29
30
31
32
| Позиция на иллюстрации | Заводской номер детали | Название детали | |
|---|---|---|---|
| 1 | 700А.4614170 | Гидробак | |
| 2 | 12.М3 | Прокладка | |
| 3 | 160Б | Фильтр | |
| 4 | 700.4614017 | Пружина | |
| 5 | 700А.4614160-1 | Крышка горловины | |
| 6 | 700.4614016 | Прокладка | |
| 7 | 700А.4614076 | Отражатель | |
| 8 | 700А.3422067-04 | Кольцо | |
| 9 | 700А.4614075 | Стекло | |
| 10 | 700А.4614074-1 | Фланец | |
| 11 | БолтМ6х12 | Болт | |
| 12 | БолтМ6х25 | Болт | |
| 13 | 700А.4614078 | Прокладка | |
| 14 | 700.4614079-1 | Магнит | |
| 15 | 700А.3422067-03 | Кольцо | |
| 16 | 700А.4614330-1 | Пробка | |
| 17 | 700А.4614077 | Колпачок | |
| 18 | 6,3х50 | Шплинт | |
| 19 | 700А.4614107 | Пружина | |
| 20 | 700А.4614101-1 | Прокладка | |
| 21 | 700А.4614260-2 | Корпус фильтра | |
| 22 | 700А.4614108 | Труба | |
| 23 | 042-050-46-1-2 | Кольцо | |
| 24 | Реготмас635-1-06 | Элемент фильтрующий | |
| 25 | 700А.4614116 | Пружина | |
| 26 | 700А.4614114 | Клапан | |
| 27 | 700А.4614065 | Прокладка | |
| 28 | 700А.4614106 | Шайба | |
| 29 | 700А.4614109 | Гнездо клапана | |
| 30 | 700А.4614063-2 | Крышка | |
| 31 | ГайкаМ10 | Гайка | |
| 32 | ШпилькаМ10х55 | Шпилька |
Содержащиеся в справочниках-каталогах запасные части и детали не предлагаются к продаже, а носят исключительно информационный характер