Вернуться на главную
Поиск
Каталоги запчастей к технике
Спецтехника
ПТЗ
К-702МВА-УДМ2
Сиденье
Каталог запасных частей к технике: ПТЗ К-702МВА-УДМ2. Сиденье
zoom-in
zoom-out
enlarge
shrink
circle-right
circle-left
file-text2
info
cart
Тип техники
Не выбрано
Легковые автомобили
Грузовые автомобили и прицепы
Автобусы
Сельхозтехника
Спецтехника
Двигатели
Мототехника
Марка
Не выбрано
Ammann
BOMAG
CARMIX
CASE IH
Changlin
ChengGong
Dimex
Doosan
DYNAPAC
Foton
HAMM
Hidromek
Hitachi
Hyundai
JCB
JLG
John Deere
Komatsu
LIEBHERR
LiuGong
Lonking (LongGong)
Luneng
MANITOU
Mitsuber
New Holland
PENGPU
RM-Terex
SANY
SDLG
SEM
Shantui
Shehwa HBXG
Soosan
TIGARBO
VOGELE
Volvo
WAY
WIRTGEN
XCMG
XGMA
Xiamen
YTO
Yuchai
Zoomlion
Автокран
АЗСМ
Алтайлесмаш
Амкодор
АОМЗ
Атек
АТЗ
Балканкар Рекорд
БелАЗ
Беловеж
Борекс
Брянский Арсенал
Булат
ВЭКС
ГАЗ
Геомаш
Гидромаш
Донекс
Дормаш
Дормашина
Дорэлектромаш
ДЭЗ
ЕлАЗ
ЗЗГТ
Ижнефтемаш
Канаш-электрокар
КЗКТ
ККЗ
Клевер
Клинцовский автокрановый завод
КМЗ
КМЗ 1 Мая
Ковровец
Коммаш
Кранэкс
КЭЗ
КЭМЗ
ЛЗА
МАЗ
МЗИК
МЗКМ
МЗКТ
Михневский РМЗ
МоАЗ
Мозырский МЗ
МТЗ
ОЗП
Онежец
ПАО "ТЗА"
ППС Детва
Промтрактор
ПТЗ
Раскат
СпецАгрегат
ТВЭКС
ТТМ
УВЗ
Угличмаш
УЗТМ
ХТЗ
ЧЗКМ
ЧСДМ
ЧТЗ
ЭКСКО
ЭКСМАШ
ЮрМаш
Модель
Не выбрано
К-702МА-ПК-6 (2013)
К-702МБА (1998)
К-702МБА-01-БКУ (2014)
К-702МВ
К-702МВА
К-702МВА-УДМ2 (2008)
К-703МА-12 / К-703М-12 (2008)
Схема
>
Не выбрано
Установка двигателя
Система обогрева двигателя
Система очистки воздуха
Воздухоочиститель
Система выпуска отработавших газов
Система питания
Управление подачей топлива
Система охлаждения двигателя
Радиатор водяной
Бак расширительный
Система охлаждения масла двигателя
Муфта полужесткая
Гидротрансформатор
Установка коробки передач
Управление переключением передач
Селектор
Привод управления коробкой передач
Картер коробки передач
Вал привода насоса КП
Вал ведущий, фрикцион II передачи заднего хода
Вал ведущий, фрикционы II передачи переднего хода и I передачи заднего хода
Вал ведущий, фрикцион I передачи переднего хода
Вал промежуточный
Вал грузовой
Вал раздаточный
Привод управления муфтами раздаточного вала
Ось заднего хода
Механизм переключения передач
Насос коробки передач
Фильтр коробки передач
Передача карданная
Вал карданный коробки передач
Вал карданный переднего моста
Вал карданный насоса КП
Вал карданный шарнира рамы
Опора промежуточная
Вал карданный заднего моста
Рама
Подвеска переднего моста
Подвеска заднего моста
Мост ведущий
Главная передача с дифференциалом
Колесо с шиной
Гидросистема управления поворотом
Рулевая колонка
Гидробак
Регулятор потока
Гидроцилиндр поворота
Гидрораспределитель
Тормозная система
Тормоз стояночный
Оборудование бульдозерное
Гидросистема бульдозерного оборудования
Уплотнения "Элконт" и подшипники гидроцилиндров бульдозерного оборудования
Оборудование погрузочное
Гидросистема погрузочного оборудования
Уплотнения и подшипники гидроцилиндров погрузочного оборудования
Уплотнения и подшипники гидроцилиндров погрузочного оборудования
Кабина
Дверь левая
Дверь правая
Принадлежности кабины
Сиденье
Облицовка
Вентиляция и отопление кабины
Электрооборудование
Электрооборудование кабины
Электрооборудование двигателя
Щиток приборов
Реверсивный пост управления
Инструмент и принадлежности
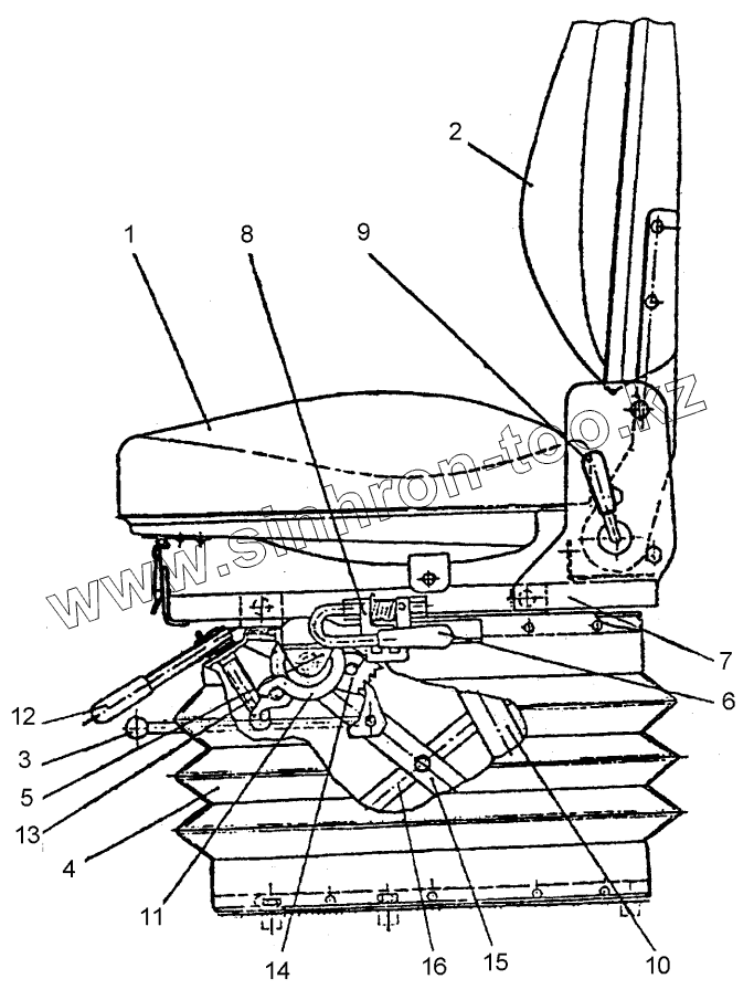
1
2
3
4
5
6
7
8
9
10
11
12
13
14
15
16
Позиция на иллюстрации
Заводской номер детали
Название детали
1
2256010-6803000
Подушка сиденья
2
2256010-6805000
Спинка сиденья
3
20-6800040
Рукоятка
4
20-6800010
Чехол
5
20-6804000
Механизм подвески
6
20-6800009
Рукоятка
7
20-6805000
Остов сиденья
8
2256010-6800013
Скоба
9
20-6805040
Рукоятка
10
20-6804180
Амортизатор
11
20-6804060
Опора
12
20-6804220
Рукоятка
13
20-6804101
Винт
14
20-6804012
Рычаг
15
20-6804210
Рама
16
20-6804030
Рама
Содержащиеся в справочниках-каталогах запасные части и детали не предлагаются к продаже, а носят исключительно информационный характер
Дополнительная информация
×
Название:
Номер:
Примечание: