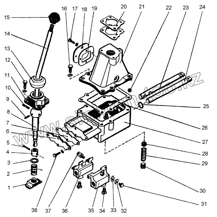
Каталог запасных частей к технике: ПТЗ К-702МВА-УДМ2. Привод управления коробкой передач
1
2
3
4
5
6
7
8
9
10
11
12
13
14
15
16
17
18
19
20
21
22
23
24
25
26
27
28
29
30
31
32
33
34
35
36
37
38
| Позиция на иллюстрации | Заводской номер детали | Название детали | |
|---|---|---|---|
| 1 | 2256010-1726047 | Прижим | |
| 2 | 2256010-1726046 | Пружина | |
| 3 | 2256010-1726045 | Шайба | |
| 4 | 2256010-1726044 | Втулка | |
| 5 | 4х40 | Шплинт | |
| 6 | 2256010-1726052 | Крышка | |
| 7 | 2256010-1726051 | Прокладка | |
| 8 | 2765010-1726018 | Рычаг | |
| 9 | 5u8х25 | Штифт | |
| 10 | 2256010-1726055 | Ось | |
| 11 | 2256010-1726038 | Опора | |
| 12 | М8х25 | Болт | |
| 13 | 2256010-1726027-1 | Чехол | |
| 14 | 702МВ-1726012 | Рычаг | |
| 15 | 700.1717035 | Ручка | |
| 16 | М10х30 | Болт | |
| 17 | БолтМ6х12 | Болт | |
| 18 | 2256010-1726049 | Крышка | |
| 19 | 2256010-1726048 | Прокладка | |
| 20 | 2256010-1726039 | Прокладка | |
| 21 | 2765010-1726014 | Горловина | |
| 22 | Б11,509-60 | Шарик | |
| 23 | 2256010-1726017-2 | Поводок | |
| 24 | 2256010-1726018-1 | Поводок | |
| 25 | 022-028-36-1-3 | Кольцо | |
| 26 | 2256010-1726037 | Прокладка | |
| 27 | 2765010-1726010 | Корпус | |
| 28 | Б9,525-100 | Шарик | |
| 29 | 700А.1701197-1 | Пружина | |
| 30 | 2256010-1726062 | Винт | |
| 31 | 2256010-1726041 | Упор | |
| 32 | 2256010-1726043 | Шайба | |
| 33 | 2256010-1726042 | Шайба | |
| 34 | 700.1701357 | Винт установочный | |
| 35 | 2256010-1726024-1 | Втулка | |
| 36 | 2765010-1726016 | Втулка | |
| 37 | 2765010-1726017 | Упор | |
| 38 | БолтМ8х16 | Болт |
Содержащиеся в справочниках-каталогах запасные части и детали не предлагаются к продаже, а носят исключительно информационный характер