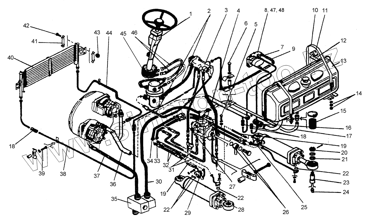
Каталог запасных частей к технике: ПТЗ К-702МВА-УДМ2. Гидросистема управления поворотом
1
2
3
4
5
6
7
8
9
10
11
12
13
14
15
16
17
18
18
19
19
20
21
22
22
22
23
24
25
26
27
28
29
30
31
32
33
34
35
36
37
38
39
40
41
42
43
44
45
46
47
48
| Позиция на иллюстрации | Заводской номер детали | Название детали | |
|---|---|---|---|
| 1 | 702МВ-3401000 | Колонка рулевая | |
| 2 | 2256010-3400320-04 | Рукав | |
| 3 | ГА-35000А-У1 | Распределитель | |
| 4 | 2765020-3416000-1 | Гидрораспределитель | |
| 5 | М10х20 | Болт | |
| 6 | М10х75 | Болт | |
| 7 | НШ10-3-Л | Насос | |
| 8 | 2256010-3420000 | Клапан предохранительный | |
| 9 | 2256010-3400320-05 | Рукав | |
| 10 | 2256010-3400200 | Лента | |
| 11 | 2256010-3400011 | Опора | |
| 12 | 2256010-3400012 | Прокладка | |
| 13 | 2765020-4614000 | Гидробак | |
| 14 | М12 | Гайка | |
| 15 | 42х55-1,5 | Рукав | |
| 16 | 65х77,5-0,3 | Рукав | |
| 17 | 2256010-3400170-1 | Труба | |
| 18 | 20х29-1,6 | Рукав | |
| 19 | 2256010-3400320-02 | Рукав | |
| 20 | М36х3 | Гайка | |
| 21 | 700А.3400013 | Втулка | |
| 22 | 018-022-25-1-3 | Кольцо | |
| 23 | 700А.3400012 | Палец | |
| 24 | 1.3.Ц6.Хр | Масленка | |
| 25 | 2765020-3400080-01 | Фланец | |
| 26 | 022-026-25-1-3 | Кольцо | |
| 27 | 022-028-36-1-3 | Кольцо | |
| 28 | 2256010-3429000-2 | Гидроцилиндр | |
| 29 | 2765020-3400080 | Фланец | |
| 30 | 2765020-3400040 | Труба | |
| 31 | 2256010-3400190-01 | Рукав | |
| 32 | 700А.3400090 | Рукав | |
| 33 | 2765020-3400090-01 | Труба | |
| 34 | 2765020-3400090 | Труба | |
| 35 | 2765020-3406000 | Регулятор потока | |
| 36 | 2765020-3400010 | Труба | |
| 37 | 700А.3400070-02 | Рукав | |
| 38 | 702МВ-3400057-01 | Труба | |
| 39 | М8х30 | Болт | |
| 40 | 700А.3404000-3 | Радиатор масляный | |
| 41 | 700.22.08.044 | Планка стопорная | |
| 42 | М8х20 | Болт | |
| 43 | М8 | Гайка | |
| 44 | 702МВ-3400057 | Труба | |
| 45 | 702МВ-3447010 | Устройство поворотное | |
| 46 | Э702МВ-3400050-1 | Рукав Dy10 | |
| 47 | 015-019-25-1-3 | Кольцо | |
| 48 | 700.3429042-1 | Прокладка |
Содержащиеся в справочниках-каталогах запасные части и детали не предлагаются к продаже, а носят исключительно информационный характер