Каталог запасных частей к технике: ПТЗ К-702МВА-УДМ2. Электрооборудование
1
2
3
3
4
4
4
4
4
4
5
5
5
6
7
8
9
10
11
11
13
14
14
15
16
17
18
19
20
21
21
22
23
24
25
25
25
26
27
27
27
28
28
29
30
31
32
32
32
32
33
33
34
35
36
37
38
38
39
39
40
40
41
41
42
43
44
45
46
47
48
48
49
50
51
51
52
52
53
54
55
56
57
58
59
60
61
62
63
63
64
64
65
66
66
67
68
69
70
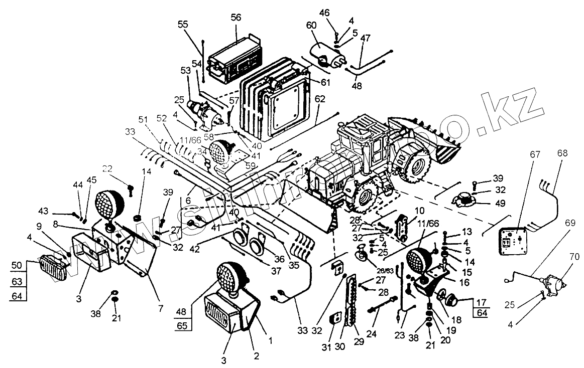
| Позиция на иллюстрации | Заводской номер детали | Название детали | |
|---|---|---|---|
| 1 | 702МВ-3798005 | Крышка левая | |
| 2 | 702МВ-3798020 | Кронштейн левый | |
| 3 | 702МВ-3798030 | Кожух | |
| 4 | 6.65Г.05 | Шайба | |
| 5 | А6.01.019 | Шайба | |
| 6 | ЭУДМ06.00020-1 | Жгут | |
| 7 | 702МВ-3798006 | Крышка правая | |
| 8 | 702МВ-3798010 | Кронштейн правый | |
| 9 | М6 | Гайка | |
| 10 | 14.3723000 | Панель соединительная | |
| 11 | 2256010-3798020 | Фара ФГ16-К с проводами | |
| 12 | 700.3700011 | Шар | |
| 13 | М6х25 | Винт | |
| 14 | 2256010-3798027 | Амортизатор | |
| 15 | 2256010-3798026 | Втулка | |
| 16 | 2256010-3798290 | Кронштейн сварной левый | |
| 17 | УП101 | Повторитель боковой указателя поворота УП101БЭ | |
| 18 | 700А.3700058 | Прокладка | |
| 19 | 700.3700012 | Пружина | |
| 20 | 700.3700013 | Чашка | |
| 21 | М12х1,25 | Гайка | |
| 22 | 700.3700043-2 | Наконечник резиновый | |
| 23 | 2256010-3798070 | Жгут проводов рабочей фары | |
| 24 | 2256010-3798100 | Вилка с проводами ПС315-150 | |
| 25 | М6х16 | Болт | |
| 26 | ПД308А | Лампа ПД308А | |
| 27 | 5.65Г.05 | Шайба | |
| 28 | ВМ5х20 | Винт | |
| 29 | 2256010-3795140 | Панель соединительная | |
| 30 | 2256010-3795015 | Планка | |
| 31 | 2256010-3798019 | Кронштейн | |
| 32 | А5.01.019 | Шайба | |
| 33 | 2256010-3798140 | Жгут проводов контейнера | |
| 34 | 543.3722 | Предохранитель | |
| 35 | 2256010-3798240 | Провод 31 | |
| 36 | С314 | Сигнал звуковой | |
| 37 | 2256010-3798230 | Провод 96 | |
| 38 | 12.65Г.05 | Шайба | |
| 39 | ВМ5х12 | Винт | |
| 40 | БолтМ8х16 | Болт | |
| 41 | 8.65Г.05 | Шайба | |
| 42 | С313 | Сигнал звуковой безрупорный | |
| 43 | М10х20 | Болт | |
| 44 | 10.65Г.05 | Шайба | |
| 45 | А10.01.019 | Шайба | |
| 46 | М6х45 | Болт | |
| 47 | 2256010-3798110-08 | Провод 1 | |
| 48 | 2256010-3798110-09 | Провод 1 | |
| 49 | 2256010-3797018-1 | Крышка | |
| 50 | 231.3712 | Фонарь | |
| 51 | 2765015-3798030 | Жгут проводов правого лонжерона | |
| 51 | 2256010-3798050-1 | Жгут проводов правого лонжерона | |
| 52 | 2765015-3798010 | Жгут проводов генераторный | |
| 52 | 2256010-3798220 | Жгут проводов генераторный | |
| 53 | 1420.3737 | Выключатель | |
| 54 | 2256010-3798110 | Провод 3 | |
| 55 | 2256010-3700010 | Провод 2 | |
| 56 | 6СТ-190ТР | Батарея аккумуляторная | |
| 57 | 2256010-3798320 | Провод МАССЫ выключателя МАССЫ | |
| 58 | 8.01.019 | Шайба | |
| 59 | 2256010-3798280 | Кронштейн передний правый | |
| 60 | ПС315 | Розетка ПС315 | |
| 61 | 744-3748000-2-01 | Контейнер | |
| 62 | 2256010-3798110-13 | Провод 1 | |
| 63 | А24-5-1 | Лампа | |
| 64 | А24-21-3 | Лампа | |
| 65 | А24-55/50 | Лампа | |
| 66 | А24-60^40 | Лампа | |
| 67 | ПЖД600Н-1015410 | Щиток управления | |
| 68 | 744Р1-3798130 | Жгут проводов подогревателя | |
| 69 | 2111-3707080-01 | Провод | |
| 70 | ТК107 | Коммутатор транзисторный |
Содержащиеся в справочниках-каталогах запасные части и детали не предлагаются к продаже, а носят исключительно информационный характер