Каталог запасных частей к технике: ПТЗ К-702МВА. Установка двигателя
1
2
3
3
4
5
6
7
8
9
10
10
11
11
11
12
12
13
13
14
14
15
15
16
17
18
19
20
21
22
23
24
25
25
26
26
27
28
29
30
31
32
33
34
35
35
35
36
37
38
39
40
41
42
43
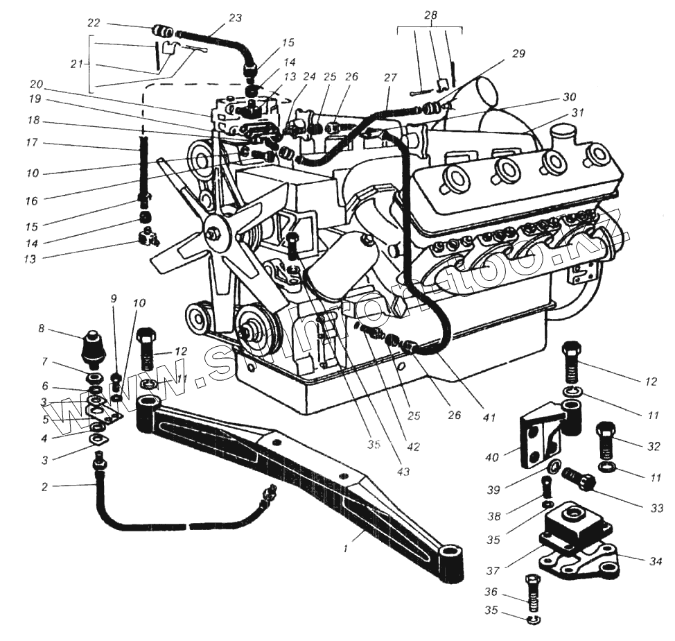
| Позиция на иллюстрации | Заводской номер детали | Название детали | |
|---|---|---|---|
| 1 | 700.1000038 | Траверса | |
| 2 | 700.3800090 | Рукав | |
| 3 | 700.3800018 | Планка | |
| 4 | 700.3800017 | Втулка | |
| 5 | 700А.3800011 | Кронштейн | |
| 6 | 20.65Г | Шайба | |
| 7 | М20х1,5 | Гайка | |
| 8 | ММ355 | Датчик | |
| 9 | М8х16 | Болт | |
| 10 | 8.65Г | Шайба | |
| 11 | 27.65Г | Шайба | |
| 12 | М27х110.88.45Х | Болт | |
| 13 | 700А.1000015 | Угольник ввертный | |
| 14 | 2256010-3500092-05 | Муфта конусная | |
| 15 | 2256010-3500087-03 | Гайка накидная | |
| 16 | М8х20 | Болт | |
| 17 | 700А.1000014 | Труба | |
| 18 | 700А 1000012 | Патрубок | |
| 19 | 700.1000026 | Прокладка | |
| 20 | 500-3509015-61 | Компрессор | |
| 21 | 17-21-3 | Хомут | |
| 22 | 701.1000089 | Трубка | |
| 23 | 700А..1000013 | Труба | |
| 24 | 2256010-3500089-01 | Штуцер ввертный | |
| 25 | 2256010-3500092-01 | Муфта конусная | |
| 26 | 2256010-3500087-01 | Гайка накидная | |
| 27 | 2765010-1000011 | Труба | |
| 28 | 29-33-3 | Хомут | |
| 29 | 22 32-1,5 | Рукав | |
| 30 | 700.1000047 | Хомут | |
| 31 | ЯМЗ-238НД3 | Двигатель | |
| 32 | М27х70.88.45Х | Болт | |
| 33 | 700.1000013 | Болт | |
| 34 | 700А.0010021-1 | Проставка | |
| 35 | 16.65Г | Шайба | |
| 36 | М16х70.88.45Х | Болт | |
| 37 | 700.0010020 | Амортизатор | |
| 38 | М16х40 | Болт | |
| 39 | 14.65Г | Шайба | |
| 40 | 700А.1000011-01 | Кронштейн | |
| 41 | 700.1000029-3 | Труба | |
| 42 | Штуцер ввертный | Штуцер ввертный | |
| 43 | 150.00.257 | Болт |
Содержащиеся в справочниках-каталогах запасные части и детали не предлагаются к продаже, а носят исключительно информационный характер