Каталог запасных частей к технике: ПТЗ К-702МВА. Привод управления муфтами раздаточного вала
1
2
3
4
5
6
7
8
9
9
10
11
12
13
14
15
16
17
18
19
19
20
21
21
22
22
23
23
24
24
25
25
26
27
27
28
29
30
31
32
33
33
34
35
36
37
37
38
38
38
39
39
40
41
42
43
44
45
46
47
48
49
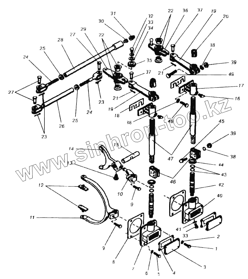
| Позиция на иллюстрации | Заводской номер детали | Название детали | |
|---|---|---|---|
| 1 | М8х16 | Болт | |
| 2 | 8.65Г | Шайба | |
| 3 | 700.1701118 | Крышка | |
| 4 | 700.1701254 | Прокладка | |
| 5 | М10х20 | Болт | |
| 6 | 700А.1701481 | Шайба | |
| 7 | 700.1701253-1 | Корпус | |
| 8 | 700.1701233-1 | Прокладка | |
| 9 | 3М10х30 | Болт | |
| 10 | 700.1701338 | Рычаг | |
| 11 | 700.1701229-2 | Вилка | |
| 12 | 700.1701294-1 | Сухарь | |
| 13 | 700.1701357 | Винт установочный | |
| 14 | 700.1701072-1 | Вилка | |
| 15 | 700.1701312 | Палец | |
| 16 | 2.3.45.Ц6 | Масленка | |
| 17 | 700.1701252-1 | Кронштейн | |
| 18 | 700.1701236 | Планка | |
| 19 | 2256010-1700045 | Рычаг | |
| 20 | 700.1701297 | Втулка | |
| 21 | 3,2х20 | Шплинт | |
| 22 | 700.1701242-1 | Втулка | |
| 23 | 2,5х16 | Шплинт | |
| 24 | 700.1719360 | Тяга в сборе | |
| 25 | М14 | Гайка | |
| 26 | 2256010-1700190 | Тяга | |
| 27 | 700.1719055-3 | Валик | |
| 28 | 2256010-17001801 | Тяга | |
| 29 | 2256010-1700210 | Балансир | |
| 30 | 700.1719049 | Сухарь | |
| 31 | 700.1719051 | Гайка | |
| 32 | 700А.1405021-02 | Пробка | |
| 33 | ФТ10х16х1 | Прокладка | |
| 34 | С20 | Кольцо | |
| 35 | 700.1701237 | Крышка | |
| 36 | 2256010-1700200 | Балансир | |
| 37 | 700.1701346 | Валик с головкой | |
| 38 | 10.65Г | Шайба | |
| 39 | М10 | Гайка | |
| 40 | 700.1701415 | Корпус | |
| 41 | 700А.1405021-02 | Пробка | |
| 42 | 700.1701231 | Валик | |
| 43 | 016-020-25-1-3 | Кольцо | |
| 44 | 700.1701241 | Шайба | |
| 45 | М10х40 | Болт | |
| 46 | 2256010-1701068-1 | Втулка | |
| 47 | 2256010-1701069-1 | Вал | |
| 48 | М10х25 | Болт | |
| 49 | М10х45 | Болт |
Содержащиеся в справочниках-каталогах запасные части и детали не предлагаются к продаже, а носят исключительно информационный характер