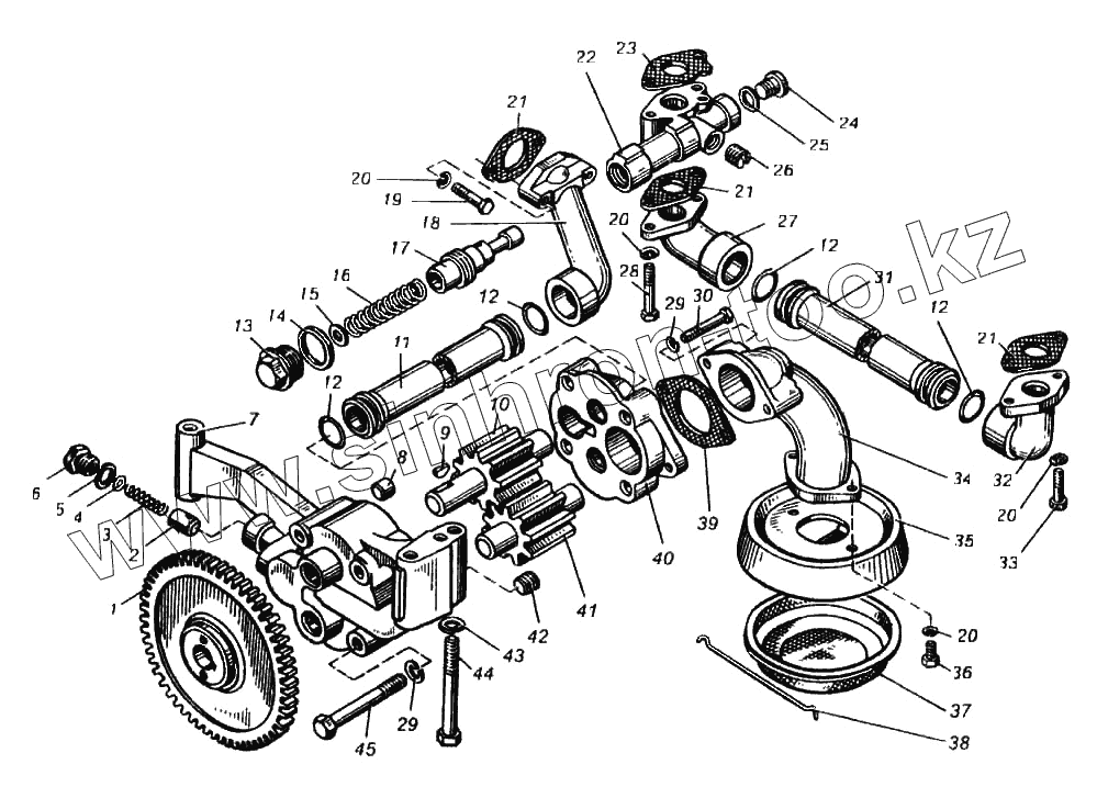
Каталог запасных частей к технике: ПТЗ К-702МВА. Насос масляный двигателя ЯМЗ-8423.10
1
2
3
4
5
6
7
8
9
10
11
12
12
12
12
13
14
15
16
17
18
19
20
20
20
20
21
21
21
22
23
24
25
26
27
28
29
29
30
31
32
33
34
35
36
37
38
39
40
41
42
43
44
45
| Позиция на иллюстрации | Заводской номер детали | Название детали | |
|---|---|---|---|
| 842.1011398 | 842.1011398 | Трубка всасывающая с заборником | |
| 8421.1011014 | 8421.1011014 | Насос масляный в сборе | |
| 840.1011054 | 840.1011054 | Клапан системы смазки в сборе | |
| 1 | 840.1011230 | Шестерня ведомая привода насоса | |
| 2 | 840.1011364 | Клапан предохранительный | |
| 3 | 840.1011058 | Пружина предохранительного клапана | |
| 4 | 252004-П29 | Шайба | |
| 5 | 204-1011371 | Прокладка пробки | |
| 6 | 204-1011370-6 | Прокладка клапана | |
| 7 | 841.1011018 | Корпус насоса | |
| 8 | 840.1011034 | Втулка | |
| 9 | 45 9824 6263 | Шпонка | |
| 10 | 841.1011045 | Шестерня ведущая насоса | |
| 11 | 842.1011350-10 | Трубка отводящая | |
| 12 | 253111 2151 | Кольцо 032-038-36-2-1 | |
| 13 | 840.1011370 | Пробка | |
| 14 | 312330-П | Прокладка | |
| 15 | 252006-П29 | Шайба | |
| 16 | 840.1011057 | Пружина | |
| 17 | 840.1011055 | Клапан | |
| 18 | 842.1011293 | Фланец задний | |
| 19 | 45 9347 1530 | Болт | |
| 20 | 252135-П2 | Шайба пружинная | |
| 21 | 840 1011366 | Прокладка | |
| 22 | 840.1011060 | Корпус клапана | |
| 23 | 840 1011544 | Прокладка корпуса | |
| 24 | 316107-П2 | Пробка | |
| 25 | 312630-П | Шайба | |
| 26 | 45 9931 1104 | Пробка | |
| 27 | 842.1011415 | Фланец отводящей трубки | |
| 28 | 201458-П29 | Болт М8Х25 | |
| 29 | 252136-П2 | Шайба пружинная | |
| 30 | 201687-П29 | Болт | |
| 31 | 842.1011406-10 | Трубка отводящая | |
| 32 | 842.1011356 | Фланец отводящей трубки | |
| 33 | 200272-П29 | Болт | |
| 34 | 842.1011400 | Трубка всасывающая | |
| 35 | 840.1011300 | Чашка заборника | |
| 36 | 201452-П29 | Болт крепления кляммера | |
| 37 | 204А-1011310-В | Сетка заборника | |
| 38 | 204А-1011318-6 | Крючок крепления сетки | |
| 39 | 840.1011296-10 | Прокладка | |
| 40 | 842.1011019 | Крышка насоса | |
| 41 | 840.1011032-10 | Шестерня ведомая насоса | |
| 42 | 45 9931 1103 | Пробка | |
| 43 | 252137-П2 | Шайба пружинная | |
| 44 | 4 593 276 144 | Болт | |
| 45 | 45 9327 6095 | Болт |
Содержащиеся в справочниках-каталогах запасные части и детали не предлагаются к продаже, а носят исключительно информационный характер