Вернуться на главную
Поиск
Каталоги запчастей к технике
Спецтехника
ПТЗ
К-702МВА
Картер маховика двигателя ЯМЗ-8423.10
Каталог запасных частей к технике: ПТЗ К-702МВА. Картер маховика двигателя ЯМЗ-8423.10
zoom-in
zoom-out
enlarge
shrink
circle-right
circle-left
file-text2
info
cart
Тип техники
Не выбрано
Легковые автомобили
Грузовые автомобили и прицепы
Автобусы
Сельхозтехника
Спецтехника
Двигатели
Мототехника
Марка
Не выбрано
Ammann
BOMAG
CARMIX
CASE IH
Changlin
ChengGong
Dimex
Doosan
DYNAPAC
Foton
HAMM
Hidromek
Hitachi
Hyundai
JCB
JLG
John Deere
Komatsu
LIEBHERR
LiuGong
Lonking (LongGong)
Luneng
MANITOU
Mitsuber
New Holland
PENGPU
RM-Terex
SANY
SDLG
SEM
Shantui
Shehwa HBXG
Soosan
TIGARBO
VOGELE
Volvo
WAY
WIRTGEN
XCMG
XGMA
Xiamen
YTO
Yuchai
Zoomlion
Автокран
АЗСМ
Алтайлесмаш
Амкодор
АОМЗ
Атек
АТЗ
Балканкар Рекорд
БелАЗ
Беловеж
Борекс
Брянский Арсенал
Булат
ВЭКС
ГАЗ
Геомаш
Гидромаш
Донекс
Дормаш
Дормашина
Дорэлектромаш
ДЭЗ
ЕлАЗ
ЗЗГТ
Ижнефтемаш
Канаш-электрокар
КЗКТ
ККЗ
Клевер
Клинцовский автокрановый завод
КМЗ
КМЗ 1 Мая
Ковровец
Коммаш
Кранэкс
КЭЗ
КЭМЗ
ЛЗА
МАЗ
МЗИК
МЗКМ
МЗКТ
Михневский РМЗ
МоАЗ
Мозырский МЗ
МТЗ
ОЗП
Онежец
ПАО "ТЗА"
ППС Детва
Промтрактор
ПТЗ
Раскат
СпецАгрегат
ТВЭКС
ТТМ
УВЗ
Угличмаш
УЗТМ
ХТЗ
ЧЗКМ
ЧСДМ
ЧТЗ
ЭКСКО
ЭКСМАШ
ЮрМаш
Модель
Не выбрано
К-702МА-ПК-6 (2013)
К-702МБА (1998)
К-702МБА-01-БКУ (2014)
К-702МВ
К-702МВА
К-702МВА-УДМ2 (2008)
К-703МА-12 / К-703М-12 (2008)
Схема
>
Не выбрано
Кабина
Реверсивный пост управления
Дверь левая
Дверь правая
Принадлежности кабины
Сиденье
Вентиляция и отопление кабины
Вентилятор
Облицовка
Установка двигателя
Двигатель ЯМЗ-238НД
Подвеска двигателя-238НД
Головки цилиндров двигателя-238НД
Коленчатый вал и маховик двигателя-238НД
Распределительный вал двигателя-238НД
Клапаны и толкатели двигателя-238НД
Газопровод двигателя-238НД
Поддон блока цилиндров двигателя-238НД
Фильтр грубой очистки масла двигателя-238НД
Насос масляный двигателя-238НД
Масляный фильтр турбокомпрессора двигателя-238НДъ
Двигатель ЯМЗ-8423-10
Блок цилиндров двигателя ЯМЗ-8423.10
Картер маховика двигателя ЯМЗ-8423.10
Головка цилиндров двигателя ЯМЗ-8423.10
Поршень и шатун двигателя ЯМЗ-8423.10
Коленчатый вал и маховик двигателя ЯМЗ-8423.10
Механизм поворота коленчатого вала двигателя ЯМЗ-8423.10
Распределительный вал двигателя ЯМЗ-8423.10
Клапаны и толкатели двигателя ЯМЗ-8423.10
Газопровод двигателя ЯМЗ-8423.10
Поддон блока цилиндров двигателя ЯМЗ-8423.10
Насос масляный двигателя ЯМЗ-8423.10
Фильтр очистки масла двигателя ЯМЗ-8423.10
Радиатор водомасляный и краник сливной двигателя ЯМЗ-8423.10
Вентиляция картера двигателя ЯМЗ-8423.10
Электрофакельное устройство двигателя ЯМЗ-8423.10
Фильтр центробежной очистки масла двигателя ЯМЗ-8423.10
Привод агрегатов двигателя ЯМЗ-8423.10
Система питания
Управление подачей топлива
Топливные трубопроводы двигателя-238НД
Фильтр грубой очистки топлива двигателя-238НД
Насос топливный высокого давления двигателя-238НД
Форсунка двигателя-238НД
Впускной трубопровод двигателя-238НД
Фильтр тонкой очистки топлива двигателя-238НД
Турбокомпрессор двигателя-238НД
Муфта опережения впрыска топлива двигателя-238НД
Топливные трубопроводы двигателя ЯМЗ-8423.10
Фильтр грубой очистки топлива двигателя ЯМЗ-8423.10
Топливоподкачивающий насос двигателя ЯМЗ-8423.10
Привод управления регулятором двигателя ЯМЗ-8423.10
Регулятор частоты вращения двигателя ЯМЗ-8423.10
Корректор подачи топлива по наддуву двигателя ЯМЗ-8423.10
Топливный насос высокого давления двигателя ЯМЗ-8423.10
Секция топливного насоса высокого давления двигателя ЯМЗ-8423.10
Форсунка двигателя ЯМЗ-8423.10
Впускные коллекторы двигателя ЯМЗ-8423.10
Фильтр тонкой очистки топлива двигателя ЯМЗ-8423.10
Турбокомпрессор двигателя ЯМЗ-8423.10
Трубки подвода и отвода масла турбокомпрессора
Муфта опережения впрыска топлива двигателя ЯМЗ-8423.10
Охладитель наддувочного воздуха двигателя ЯМЗ-8423.10
Система выпуска отработавших газов
Система охлаждения двигателя
Радиатор водяной
Бак расширительный
Термостат системы охлаждения двигателя-238НД
Насос водяной двигателя-238НД
Вентилятор двигателя-238НД
Трубы и термостаты системы охлаждения двигателя ЯМЗ-8423.10
Насос водяной двигателя ЯМЗ-8423.10
Натяжное приспособление ремня водяного насоса
Вентилятор и кожух вентилятора двигателя ЯМЗ-8423.10
Гидромуфта привода вентилятора двигателя ЯМЗ-8423.10
Включатель гидромуфты двигателя ЯМЗ-8423.10
Система охлаждения масла двигателя
Система очистки воздуха
Воздухоочиститель
Муфта полужесткая
Гидротрансформатор
Установка коробки передач
Управление переключением передач
Привод управления коробкой передач
Картер коробки передач
Вал привода насоса КП
Вал ведущий, фрикцион II передачи заднего хода
Вал ведущий, фрикционы II передачи переднего хода и I передачи заднего хода
Вал ведущий, I фрикцион переднего хода
Вал промежуточный
Вал грузовой
Вал раздаточный
Привод управления муфтами раздаточного вала
Насос КП
Передача карданная
Вал карданный коробки передач
Вал карданный переднего моста
Вал карданный насоса КП
Вал карданный шарнира рамы
Опора промежуточная
Вал карданный заднего моста
Мост ведущий
Главная передача с дифференциалом
Подмоторная полурама и рама-портал
Подвеска переднего моста
Подвеска заднего моста
Колесо с шиной
Гидросистема управления поворотом
Гидрораспределитель
Регулятор потока
Гидроцилиндр поворота
Тормозная система
Тормоз стояночный
Установка компрессора пневмотормозов
Компрессор 306-Ш в сборе
Натяжное устройство двигателя-238НД
Электрооборудование
Электрооборудование кабины
Генератор двигателя-238НД
Генератор двигателя ЯМЗ-8423.10
Стартер
Реле стартера
Щиток приборов
Оборудование бульдозерное
Оборудование погрузочное
Гидросистема погрузочного оборудования
Уплотнение и подшипники гидроцилиндров погрузочного оборудования
Гидросистема бульдозерного оборудования
Уплотнение и подшипники гидроцилиндров бульдозерного оборудования
Гидробак
Схема подшипников двигателя-238НД
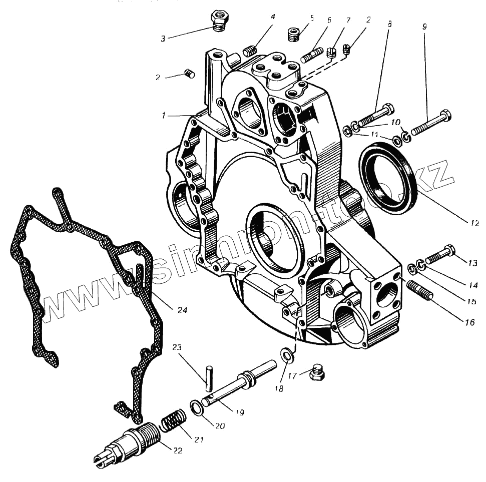
1
2
2
3
4
5
6
7
8
9
10
11
12
13
14
15
16
17
18
19
20
21
22
23
24
Позиция на иллюстрации
Заводской номер детали
Название детали
8423.1002310-20
8423.1002310-20
Картер маховика в сборе
1
8423.1002312-20
Картер маховика
2
45 9931 1201
Пробка
3
316615-П29
Ввертыш
4
316621-П29
Ввертыш
5
316620-П29
Ввертыш
6
216564-П29
Шпилька крепления корпуса заднего подшипника
7
45 9931 1104
Пробка
8
200467-П29
Болт
9
200471-П29
Болт
10
252136-П2
Шайба пружинная
11
252006-П29
Шайба
12
840.1005160
Манжета задняя в сборе
13
200404-П29
Болт
14
252137-П2
Шайба пружинная
15
252007-П29
Шайба
16
216626-П29
Шпилька
17
316172-П2
Пробка
18
312766-П
Прокладка
19
840.1005442
Фиксатор маховика
20
238Н-1722063
Кольцо уплотнительное
21
840.1005446
Пружина
22
840.1005444
Корпус
23
313412-П29
Штифт
24
8423.1002314
Прокладка
Содержащиеся в справочниках-каталогах запасные части и детали не предлагаются к продаже, а носят исключительно информационный характер
Дополнительная информация
×
Название:
Номер:
Примечание: