Каталог запасных частей к технике: ПТЗ К-702МВА. Генератор двигателя ЯМЗ-8423.10
5702.3701010
1
2
3
4
5
6
6
7
7
7
7
7
8
9
10
11
12
13
14
15
16
17
17
18
19
19
20
21
22
23
24
25
26
27
28
29
30
31
32
33
34
35
36
37
38
39
39
40
40
41
42
42
43
43
43
44
44
45
46
47
48
49
50
51
52
53
54
55
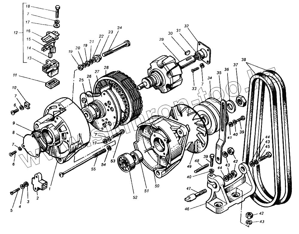
| Позиция на иллюстрации | Заводской номер детали | Название детали | |
|---|---|---|---|
| 5702.3701300 | 5702.3701300 | Крышка со стороны контактных колец в сборе | |
| 5702.3701401 | 5702.3701401 | Крышка со стороны привода | |
| 5702.3701010 | 5702.3701010 | Генератор в сборе | |
| 1 | 5702.3701301 | Крышка со стороны контактных колец | |
| 2 | 3802.3701306 | Колодка | |
| 3 | Мil-40028 | Шайба | |
| 4 | Х-1012-Т | Шайба | |
| 5 | 8Х-4166 | Винт | |
| 6 | 7Х-1542 | Винт | |
| 7 | Х-4001-Т | Шайба | |
| 8 | 5702.3701060 | Крышка подшипника | |
| 9 | 19.3701008 | Кольцо уплотнительное | |
| 10 | ВК14-3708053 | Скоба | |
| 11 | 3802-3701007 | Прокладка уплотнительная | |
| 12 | Г250П1-3701010 | Щеткодержатель в сборе | |
| 13 | Г250П1-3701011 | Щеткодержатель | |
| 14 | Г250П1-3701020 | Щетка | |
| 15 | Г250П1-3701030 | Щетка | |
| 16 | Г250П1-3701012 | Крышка щеткодержателя | |
| 17 | 8Х-1497 | Шайба плоская | |
| 18 | Г250-3701016 | Болт специальный | |
| 19 | 8Х-1537 | Гайка | |
| 20 | МХ-0246-Т | Шайба | |
| 21 | Х-4069-Т | Шайба | |
| 22 | 1-МЮ-37-Т | Шайба | |
| 23 | 3802-3701319 | Втулка | |
| 24 | 3802.3701309 | Болт контактный | |
| 25 | 6-180603КС9 | Подшипник | |
| 26 | 3802.3701308 | Кольцо уплотнительное | |
| 27 | ИАЕЮ.4352.14002 | Блок БПВ 7-100-02 выпрямительный | |
| 28 | 5702.3701100 | Статор | |
| 29 | 5702.37012 | Ротор | |
| 30 | 45 9824 1264 | Шпонка | |
| 31 | 5702.3701214 | Втулка распорная | |
| 32 | 3802.3701404 | Шайба специальная | |
| 33 | 3802.3701406 | Винт специальный | |
| 34 | 5702.3701051 | Шкив | |
| 35 | 841.3701790 | Планка натяжная | |
| 36 | МХ-0234-Т | Шайба | |
| 37 | МХ-0235 | Гайка | |
| 38 | 84211-3701002 | Комплект ремней | |
| 39 | 201460-П29 | Болт крепления натяжного устройства | |
| 40 | 252135-П2 | Шайба пружинная | |
| 41 | 252038-П2 | Шайба | |
| 42 | 250517-П29 | Гайка | |
| 43 | 252136-П2 | Шайба пружинная | |
| 44 | 252006-П29 | Шайба | |
| 45 | 201682-П29 | Болт | |
| 46 | 8423.3701774 | Кронштейн | |
| 47 | 841.3701780 | Палец | |
| 48 | 216459-П29 | Шпилька | |
| 49 | 3802.3701055 | Вентилятор | |
| 50 | 5702.3701400 | Крышка | |
| 51 | 3802.3701054 | Втулка | |
| 52 | 6-1180304КС9 | Подшипник | |
| 53 | МХ-0139 | Винт | |
| 54 | Х-1482-Т | Шайба | |
| 55 | 3802.3701061 | Винт стяжной |
Содержащиеся в справочниках-каталогах запасные части и детали не предлагаются к продаже, а носят исключительно информационный характер