Вернуться на главную
Поиск
Каталоги запчастей к технике
Спецтехника
ПТЗ
К-702МВ
Электрооборудование кабины
Каталог запасных частей к технике: ПТЗ К-702МВ. Электрооборудование кабины
zoom-in
zoom-out
enlarge
shrink
circle-right
circle-left
file-text2
info
cart
Тип техники
Не выбрано
Легковые автомобили
Грузовые автомобили и прицепы
Автобусы
Сельхозтехника
Спецтехника
Двигатели
Мототехника
Марка
Не выбрано
Ammann
BOMAG
CARMIX
CASE IH
Changlin
ChengGong
Dimex
Doosan
DYNAPAC
Foton
HAMM
Hidromek
Hitachi
Hyundai
JCB
JLG
John Deere
Komatsu
LIEBHERR
LiuGong
Lonking (LongGong)
Luneng
MANITOU
Mitsuber
New Holland
PENGPU
RM-Terex
SANY
SDLG
SEM
Shantui
Shehwa HBXG
Soosan
TIGARBO
VOGELE
Volvo
WAY
WIRTGEN
XCMG
XGMA
Xiamen
YTO
Yuchai
Zoomlion
Автокран
АЗСМ
Алтайлесмаш
Амкодор
АОМЗ
Атек
АТЗ
Балканкар Рекорд
БелАЗ
Беловеж
Борекс
Брянский Арсенал
Булат
ВЭКС
ГАЗ
Геомаш
Гидромаш
Донекс
Дормаш
Дормашина
Дорэлектромаш
ДЭЗ
ЕлАЗ
ЗЗГТ
Ижнефтемаш
Канаш-электрокар
КЗКТ
ККЗ
Клевер
Клинцовский автокрановый завод
КМЗ
КМЗ 1 Мая
Ковровец
Коммаш
Кранэкс
КЭЗ
КЭМЗ
ЛЗА
МАЗ
МЗИК
МЗКМ
МЗКТ
Михневский РМЗ
МоАЗ
Мозырский МЗ
МТЗ
ОЗП
Онежец
ПАО "ТЗА"
ППС Детва
Промтрактор
ПТЗ
Раскат
СпецАгрегат
ТВЭКС
ТТМ
УВЗ
Угличмаш
УЗТМ
ХТЗ
ЧЗКМ
ЧСДМ
ЧТЗ
ЭКСКО
ЭКСМАШ
ЮрМаш
Модель
Не выбрано
К-702МА-ПК-6 (2013)
К-702МБА (1998)
К-702МБА-01-БКУ (2014)
К-702МВ
К-702МВА
К-702МВА-УДМ2 (2008)
К-703МА-12 / К-703М-12 (2008)
Схема
>
Не выбрано
Кабина
Дверь левая
Дверь правая
Принадлежности кабины
Реверсивный пост управления
Сиденье
Вентиляция и отопление воздуха
Вентилятор
Облицовка
Установка двигателя
Система питания
Управление подачей топлива
Система выпуска отработанных газов
Система охлаждения двигателя
Радиатор водяной
Бак расширительный
Система охлаждения
Система очистки воздуха
Воздухоочититель
Муфта полужесткая
Гидротрансформатор
Установка коробки передач
Управление переключением передач
Привод управления коробкой передач
Картер коробки передач
Вал привода насоса КП
Вал ведущий, фрикцион 2-й передачи заднего хода
Вал ведущий, фрикционы 2-й передачи переднего хода и 1-й передачи заднего хода
Вал ведущий, фрикцион 1-й передачи переднего хода
Вал промежуточный
Вал грузовой
Вал раздаточный
Привод управления муфтами раздаточного вала
Ось заднего хода
Насос коробки передач
Передача карданная
Вал карданный коробки передач
Вал карданный переднего моста
Вал карданный насоса КП
Вал карданный шарнира рамы
Опора промежуточная
Вал карданный заднего моста
Мост ведущий
Главная передача с дифференциалом
Подмоторная полурама и рама-портал
Подвеска переднего моста
Подвеска заднего моста
Колесо с шиной
Гидросистема управления поворотом
Гидрораспределитель
Регулятор потока
Гидроцилиндр поворота
Тормозная система
Тормозная система
Электрооборудование
Электрооборудование кабины
Щиток приборов
Оборудование бульдозерное
Оборудование погрузочное
Гидросистема погрузочного оборудования
Уплотнения и подшипники гидроцилиндров погрузочного оборудования
Гидросистема бульдозерного оборудования
Уплотнения и подшипники гидроцилиндров бульдозерного оборудования
Гидробак
Перечень подшипников на изделие К-700,701
Перечень рукавов на трактор К-700
Перечень рукавов на трактор К-701,К-701М
Перечень рукавов на трактор К-703
Основные составляющие КП К-700
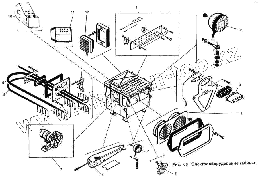
1
2
3
4
5
6
7
8
10
11
12
Позиция на иллюстрации
Заводской номер детали
Название детали
1
703МД-3799010
Блок выключателей
2
ФГ16-3711000-К
Фара ФГ16-К-Э
3
ФП131-3717010-Б
Фонарь освещения номерного знака
4
33.06.37.11010
Блок-фара
5
331.3716
Фонарь задний
6
П145-3726000
Переключатель П145
7
526-81.04.210
Вентилятор
8
2256010-3799170-1
Жгут проводов передней стенки
9
2256010-3799180-1
Жгут проводов блока релейного
10
УДМ.06.02.000
Пульт управления
11
702МВ-4100010
Пульт реверса
12
11.37.14010
Плафон
Содержащиеся в справочниках-каталогах запасные части и детали не предлагаются к продаже, а носят исключительно информационный характер
Дополнительная информация
×
Название:
Номер:
Примечание: