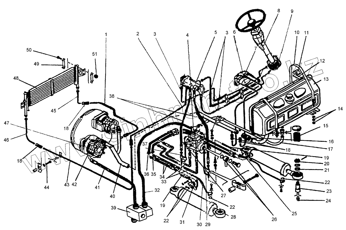
Каталог запасных частей к технике: ПТЗ К-702МБА. Гидросистема управления поворотом
1
2
3
3
4
5
6
7
8
9
10
11
12
13
14
15
16
17
18
18
18
19
19
20
21
22
22
22
23
24
25
26
27
28
29
30
31
32
33
34
35
36
37
38
39
| Позиция на иллюстрации | Заводской номер детали | Название детали | |
|---|---|---|---|
| 1 | 2765020-3400057 | Труба | |
| 2 | 2765020-3400030-01 | Труба | |
| 3 | 2256010-3400300-04 | Рукав | |
| 4 | 2256010-3406000-1 | Гидрорасп редел итель | |
| 5 | ГА35000А | Распределитель специальный | |
| 6 | НШ10-3Л | Насос | |
| 7 | 2256010-3400020 | Клапан предохранительный | |
| 8 | 2256010-3401000-1 | Колонка рулевая | |
| 9 | ГА36000А | Насос планетарный | |
| 10 | 2256010-3400200 | Лента | |
| 11 | 2256010-3400011 | Опора | |
| 12 | 2256010-3400012 | Прокладка | |
| 13 | 2765020-4614000 | Гидробак | |
| 14 | М12 | Гайка | |
| 15 | 42х55-1,5 | Рукав | |
| 16 | 65х77,5-0,3 | Рукав | |
| 17 | 2256010-3400170-1 | Труба | |
| 18 | 20х29-1,6 | Рукав | |
| 19 | 2256010-3400320-02 | Рукав | |
| 20 | М36х3 | Гайка | |
| 21 | 700А.3400013 | Втулка | |
| 22 | 018-022-25-1-3 | Кольцо | |
| 23 | 700А.3400012 | Палец | |
| 24 | 1.3.Ц6.Хр | Масленка | |
| 25 | 2765020-3400080-01 | Фланец | |
| 26 | 022-026-25-1-3 | Кольцо | |
| 27 | 022-028-36-1-3 | Кольцо | |
| 28 | 2256010-3429000-2 | Гидроцилиндр | |
| 29 | 2256010-3400460 | Труба | |
| 30 | 2765020-3400060-1 | Труба | |
| 31 | 2765020-3400080 | Фланец | |
| 32 | 2765020-3400020 | Труба | |
| 33 | 2256010-3400190-01 | Рукав | |
| 34 | 700А.3400090 | Рукав | |
| 35 | 2765020-3400090-01 | Труба | |
| 36 | 2765020-3400090 | Труба | |
| 37 | 2256010-3400440 | Труба | |
| 38 | 2256010-3400190-01 | Рукав | |
| 39 | 2765020-3406000 | Регулятор потока |
Содержащиеся в справочниках-каталогах запасные части и детали не предлагаются к продаже, а носят исключительно информационный характер