Вернуться на главную
Поиск
Каталоги запчастей к технике
Спецтехника
ПТЗ
К-702МБА
Фильтр коробки передач
Каталог запасных частей к технике: ПТЗ К-702МБА. Фильтр коробки передач
zoom-in
zoom-out
enlarge
shrink
circle-right
circle-left
file-text2
info
cart
Тип техники
Не выбрано
Легковые автомобили
Грузовые автомобили и прицепы
Автобусы
Сельхозтехника
Спецтехника
Двигатели
Мототехника
Марка
Не выбрано
Ammann
BOMAG
CARMIX
CASE IH
Changlin
ChengGong
Dimex
Doosan
DYNAPAC
Foton
HAMM
Hidromek
Hitachi
Hyundai
JCB
JLG
John Deere
Komatsu
LIEBHERR
LiuGong
Lonking (LongGong)
Luneng
MANITOU
Mitsuber
New Holland
PENGPU
RM-Terex
SANY
SDLG
SEM
Shantui
Shehwa HBXG
Soosan
TIGARBO
VOGELE
Volvo
WAY
WIRTGEN
XCMG
XGMA
Xiamen
YTO
Yuchai
Zoomlion
Автокран
АЗСМ
Алтайлесмаш
Амкодор
АОМЗ
Атек
АТЗ
Балканкар Рекорд
БелАЗ
Беловеж
Борекс
Брянский Арсенал
Булат
ВЭКС
ГАЗ
Геомаш
Гидромаш
Донекс
Дормаш
Дормашина
Дорэлектромаш
ДЭЗ
ЕлАЗ
ЗЗГТ
Ижнефтемаш
Канаш-электрокар
КЗКТ
ККЗ
Клевер
Клинцовский автокрановый завод
КМЗ
КМЗ 1 Мая
Ковровец
Коммаш
Кранэкс
КЭЗ
КЭМЗ
ЛЗА
МАЗ
МЗИК
МЗКМ
МЗКТ
Михневский РМЗ
МоАЗ
Мозырский МЗ
МТЗ
ОЗП
Онежец
ПАО "ТЗА"
ППС Детва
Промтрактор
ПТЗ
Раскат
СпецАгрегат
ТВЭКС
ТТМ
УВЗ
Угличмаш
УЗТМ
ХТЗ
ЧЗКМ
ЧСДМ
ЧТЗ
ЭКСКО
ЭКСМАШ
ЮрМаш
Модель
Не выбрано
К-702МА-ПК-6 (2013)
К-702МБА (1998)
К-702МБА-01-БКУ (2014)
К-702МВ
К-702МВА
К-702МВА-УДМ2 (2008)
К-703МА-12 / К-703М-12 (2008)
Схема
>
Не выбрано
Кабина
Дверь левая
Дверь правая
Принадлежности кабины
Сиденье
Вентиляция и отопление кабины
Вентиляция, отопление и кондиционирование кабины
Облицовка
Установка двигателя
Система питания
Управление подачей топлива
Система выпуска отработавших газов
Система охлаждения двигателя
Радиатор водяной
Бак расширительный
Система охлаждения масла двигателя
Система обогрева двигателя
Система очистки воздуха
Воздухоочиститель
Муфта полужесткая
Гидротрансформатор
Установка коробки передач
Управление переключением передач
Селектор
Привод управления коробкой передач
Картер коробки передач
Вал привода насоса КП
Вал ведущий, фрикцион 2 передачи заднего хода
Вал ведущий, фрикционы 2 передачи переднего хода и 1 передачи заднего хода
Вал ведущий, фрикцион 1 передачи переднего хода
Вал промежуточный
Вал грузовой
Вал раздаточный
Привод управления муфтами раздаточного вала
Ось заднего хода
Механизм переключения передач
Насос коробки передач
Фильтр коробки передач
Передача карданная
Вал карданный коробки передач
Вал карданный переднего моста
Вал карданный насоса КП
Вал карданный шарнира рамы
Опора промежуточная
Вал карданный заднего моста
Мост ведущий
Главная передача с дифференциалом
Рама в сборе
Подвеска подмоторного моста
Подвеска грузового моста
Колесо с шиной
Рулевая колонка
Гидросистема управления поворотом
Гидросистема управления поворотом с гидроузлами "Danfoss"
Регулятор потока
Гидроцилиндр поворота
Гидрораспределитель
Тормозная система
Кран тормозной двухсекционный с рычагом
Кран тормозной обратного действия с ручным управлением
Регулятор давления
Тормоз стояночный
Электрооборудование
Электрооборудование кабины
Щиток приборов
Оборудование бульдозерное
Гидросистема бульдозерного оборудования
Гидроцилиндр рабочего оборудования
Уплотнения "Элконт" и подшипники гидроцилиндров бульдозерного оборудования
Гидробак
Установка груза балластного (противовеса) на подмоторную полураму
Установка груза балластного на грузовую полураму
Инструмент и принадлежности
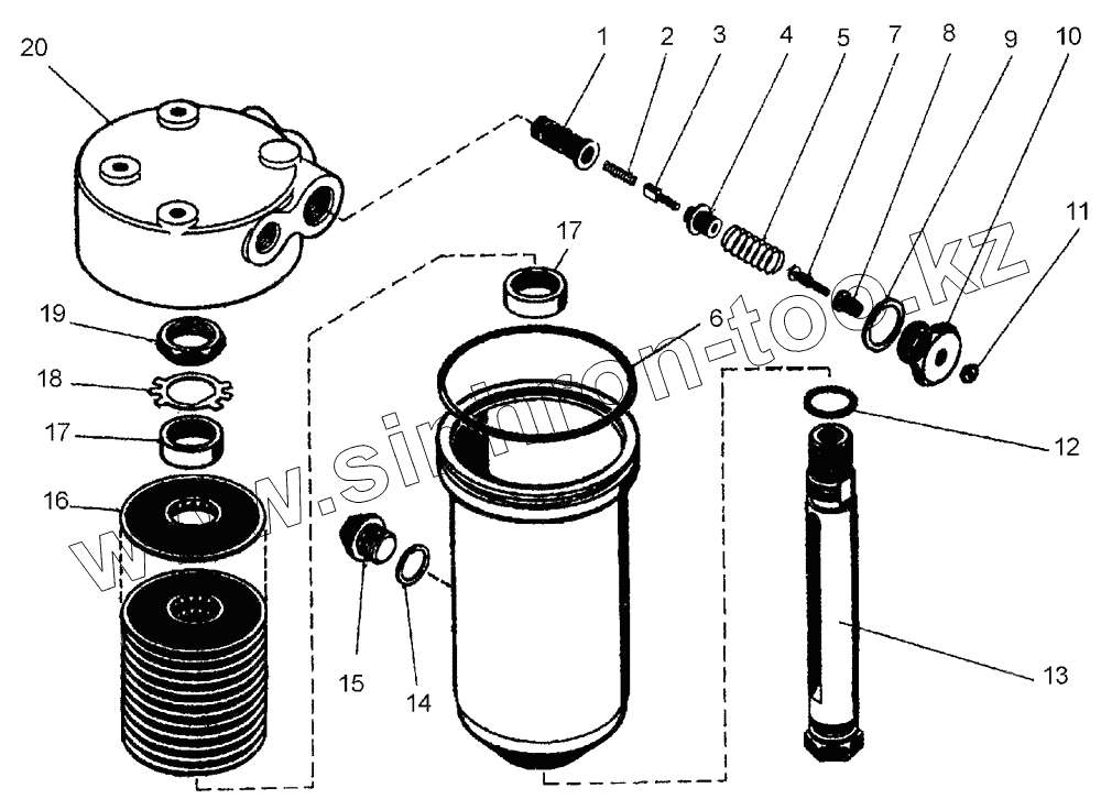
1
2
3
4
5
6
7
8
9
10
11
12
13
14
15
16
17
17
18
19
20
Позиция на иллюстрации
Заводской номер детали
Название детали
1
2256010-1716017
Клапан
2
2256010-1716033
Пружина
3
2256010-1716015
Шток
4
2256010-1716016
Втулка
5
2256010-1716034
Пружина
6
115-125-58-1-3
Кольцо
7
2256010-1716035
Контакт
8
2256010-1748034
Втулка
9
700.3422042
Прокладка
10
2256010-1716031
Пробка
11
М5
Гайка
12
026-032-36-1-2
Кольцо
13
2256010-1716030-1
Основание
14
700.1701413
Прокладка
15
700А. 1700072-03
Пробка
16
700.1716170
Секция фильтра
17
700.1716077-1
Втулка
18
2256010-1716036
Шайба
19
2256010-1716011
Гайка
20
2256010-1716014
Корпус
Содержащиеся в справочниках-каталогах запасные части и детали не предлагаются к продаже, а носят исключительно информационный характер
Дополнительная информация
×
Название:
Номер:
Примечание: