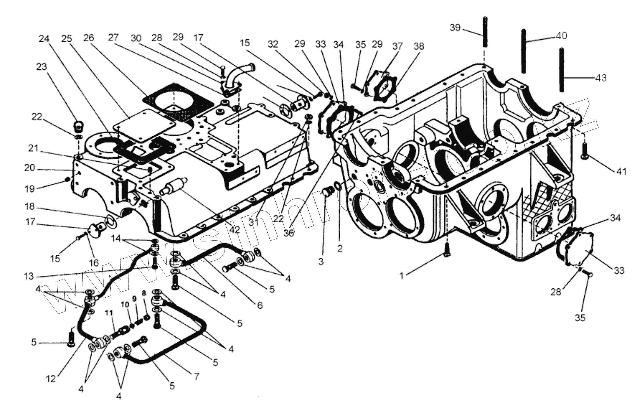
Каталог запасных частей к технике: ПТЗ К-702МБА-01-БКУ. Картер коробки передач
1
2
3
4
4
4
4
4
4
5
5
5
5
5
6
7
8
9
10
11
12
13
14
15
15
16
17
17
18
19
20
21
22
22
23
24
25
26
27
28
28
29
29
29
30
31
32
33
33
34
34
35
35
36
37
38
39
40
41
42
43
| Позиция на иллюстрации | Заводской номер детали | Название детали | |
|---|---|---|---|
| 1 | 700.1701278 | Болт призонный | |
| 2 | ФТ 28x34x1 | Прокладка | |
| 3 | 700.1701479 | Пробка | |
| 4 | 700.1701413 | Прокладка | |
| 5 | 700.1724023-2 | Болт зажимной | |
| 6 | 700.1701480-1 | Труба | |
| 7 | 700А.1701480-1 | Труба | |
| 8 | 700А. 1701428 | Пробка | |
| 9 | 700А. 1701425 | Пружина | |
| 10 | Б20,638-60 | Шарик | |
| 11 | 700А. 1701426 | Корпус клапана | |
| 12 | 700.1701490 | Труба | |
| 13 | 700.1103039 | Болт зажимной | |
| 14 | ФТ 12x18x1,5 | Пркладка | |
| 15 | М8х20 | Болт | |
| 16 | Шайба8 | Шайба | |
| 17 | 700.1701308-1 | Втулка | |
| 18 | 700.1701309-1 | Прокладка | |
| 19 | 700А.1701217 | Штифт | |
| 20 | 2765010-1701017 | Картер (верхняя половина) | |
| 21 | 700.1701364 | Штифт | |
| 22 | 14.65Г | Шайба | |
| 23 | М14 DIN582 | Рым-гайка | |
| 24 | 2256010-1700025-1 | Прокладка | |
| 25 | 2256010-1700024 | Прокладка | |
| 26 | 700.1700015-1 | Прокладка | |
| 27 | 700.1701275 | Прокладка | |
| 28 | 10.65Г | Шайба | |
| 29 | М10x25 | Болт | |
| 30 | 2256010-1700026 | Патрубок | |
| 31 | М14х1,5 | Гайка | |
| 32 | М10 | Гайка | |
| 33 | 700.1701135-1 | Крышка | |
| 34 | 700.1701404-01 | Прокладка | |
| 35 | М10x20 | Болт | |
| 36 | М10x22 | Шпилька | |
| 37 | 700А. 1701420 | Крышка | |
| 38 | 700.1701404-02 | Прокладка | |
| 39 | 744Р-1701363-1 | Шпилька | |
| 40 | 700.1701363-1 | Шпилька | |
| 41 | М14x1,5x60 | Болт | |
| 42 | 700А.1701750 | Клапан | |
| 43 | 744Р-1701363-2 | Шпилька |
Содержащиеся в справочниках-каталогах запасные части и детали не предлагаются к продаже, а носят исключительно информационный характер