Каталог запасных частей к технике: Промтрактор ТГ-503Я. 313502-25-1СП Установка топливного бака
1
1
2
2
3
3
5
5
5
6
6
6
7
7
7
7
8
8
8
9
9
9
10
10
11
11
12
12
13
13
14
15
15
16
17
17
18
19
21
22
22
22
23
24
25
25
26
27
27
28
28
29
29
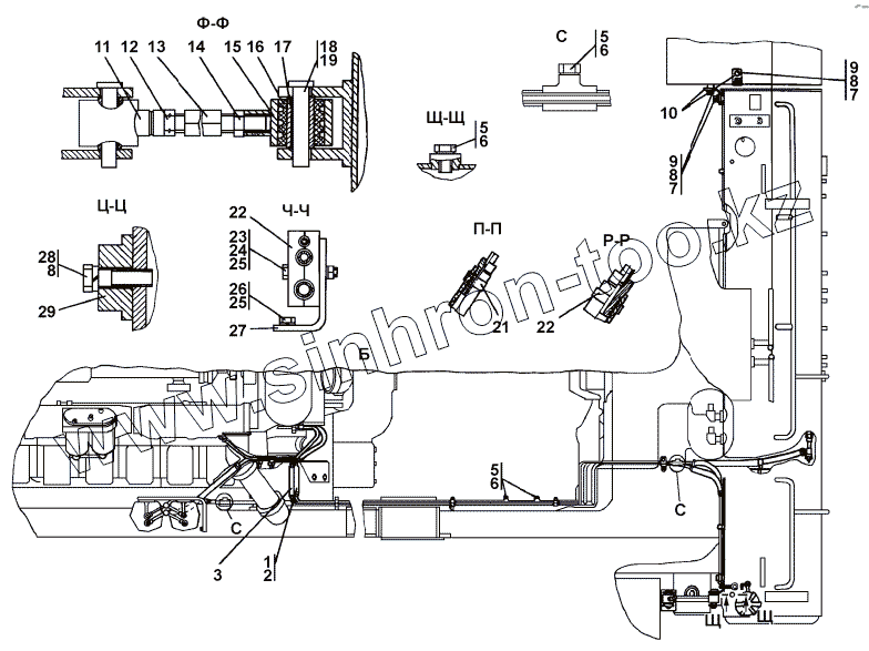
| Позиция на иллюстрации | Заводской номер детали | Название детали | |
|---|---|---|---|
| 1 | 46 0601-06 | Рукав | |
| 1 | 46 0601-06-20 | Рукав | |
| 2 | 46 0701-06-20 | Рукав | |
| 2 | 46 0701-06 | Рукав | |
| 3 | 46 0401-04-20 | Рукав | |
| 3 | 46 0401-04 | Рукав | |
| 4 | Фильтр грубой очистки топлива | Фильтр грубой очистки топлива | |
| 5 | 700-37-2077-20 | Пробка | |
| 5 | 700-37-2077 | Пробка | |
| 6 | 12x16 МН4152-62 | Кольцо 12x16 МН4152-62 | |
| 7 | 31 0280-20 | Шайба 16х1.01.10.0221 ГОСТ 10450-78 | |
| 7 | 31 0280 | Шайба 16х1.01.10,019 ГОСТ 10450-78 | |
| 8 | Шайба 16 OT | Шайба 16 OT | |
| 9 | 28 0520-20 | Болт М16х1,5-6gх30 ГОСТ 7796-70 | |
| 9 | 28 0520 | Болт М16х1,5-6gх30.109.40Х.019 ГОСТ 7796-70 | |
| 10 | 313502-25-31-20 | Стяжка | |
| 10 | 313502-25-31 | Стяжка | |
| 11 | 2501-25-33-01-20СП -20(SP) | Втулка | |
| 11 | 2501-25-33-01СП(SP) | Втулка | |
| 12 | 30 0265-20 | Гайка М16х1,5-LН-6Н ГОСТ 5915-70 | |
| 12 | 30 0265 | Гайка М16х1,5-LН-6Н ГОСТ 5915-70 | |
| 13 | TT2501-25-23 | Стяжка | |
| 13 | TT2501-25-23-20 | Стяжка | |
| 14 | Гайка M16x1,5 | Гайка M16x1,5 | |
| 15 | 2501-25-33-20СП(SP) | Втулка | |
| 15 | 2501-25-33СП(SP) | Втулка | |
| 16 | 40 0093 | Втулка | |
| 17 | 2501-25-108 | Втулка | |
| 17 | 2501-25-108-20 | Втулка | |
| 18 | 47 0570 | Ось 66-19х75.40Х.2. 28...35Ц9хр ГОСТ 9650-80 | |
| 19 | Шплинт 4x40 | Шплинт 4x40 | |
| 20 | 1028-У-02 | Хомут 1028-У-02 | |
| 21 | 1101-У-01 | Хомут стяжной червячный 1101-У-01 | |
| 22 | 2701-25-10 | Хомут | |
| 22 | 2701-25-10-20 | Хомут | |
| 23 | Болт M8-6gx45 | Болт M8-6gx45 | |
| 24 | Гайка M8 | Гайка M8 | |
| 25 | Шайба 8T | Шайба 8T | |
| 26 | Болт M8-6gx16 | Болт M8-6gx16 | |
| 27 | 2501-25-132-20 | Уголок | |
| 27 | 2501-25-132 | Уголок | |
| 28 | 28 0555-20 | Болт М16х1,5-6gх55 ГОСТ 7796-70 | |
| 28 | 28 0555 | Болт М16х1,5-6gх55 ГОСТ 7796-70 | |
| 29 | TT2501-25-33-20СП -20(SP) | Стойка | |
| 29 | TT2501-25-33СП(SP) | Стойка |
Содержащиеся в справочниках-каталогах запасные части и детали не предлагаются к продаже, а носят исключительно информационный характер